EasyManua.ls Logo

Philips MX5500D/21S - Page 18

Philips MX5500D/21S
118 pages
Print Icon
To Next Page IconTo Next Page
To Next Page IconTo Next Page
To Previous Page IconTo Previous Page
To Previous Page IconTo Previous Page
Loading...
5-2
5-2
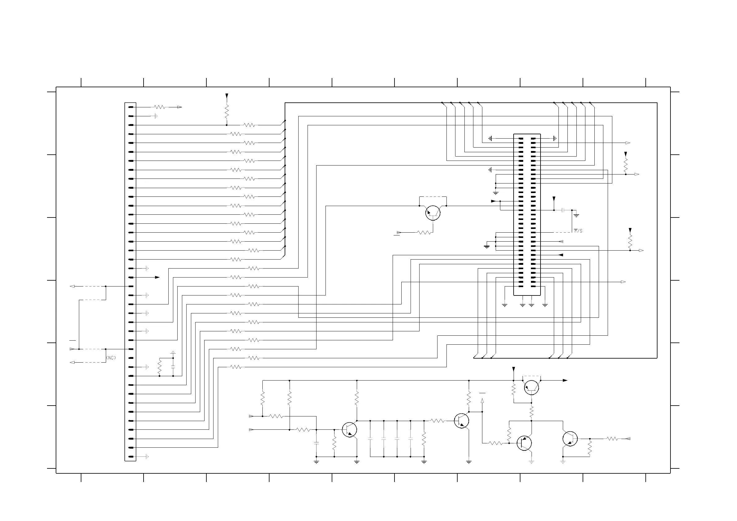
CIRCUIT DIAGRAM
9
123456789
A
B
C
D
E
F
A
B
C
D
E
F
1500 A7
1542 F1
2502 B8
2510 E2
#
#
12345678
#
#
#
#
: PROVISION
2511 F5
2512 F5
2513 F6
2514 F6
2515 F4
3500 C3
3501 C3
3502 B3
3503 B3
3504 B3
3505 B3
3506 A3
3507 A3
3508 A3
3509 A3
3510 B3
3511 B3
3512 B3
3513 C3
3514 C3
3515 C3
3516 A2
#
#
#
3521 C3
3522 C3
3523 D3
3524 D3
3525 D3
3526 D3
3527 D3
3528 D3
3529 D3
3530 E3
3531 E3
3532 E3
3540 C6
3545 B9
3546 C9
3548 E2
3550 F9
3551 F9
3552 E7
3553 F8
3554 F7
3555 F7
3556 E7
3557 F6
3558 F6
3559 E5
3560 F5
3561 E3
3562 E4
3563 F4
3564 F4
3570 A3
4500 C8
4510 E8
4520 B6
4550 D1
4560 D1
4570 E1
4580 E1
7501 E8
7502 F9
7503 F8
7504 E6
7505 F5
7510 B6
#
#
#
#
#
3564
100K
3552
10K
100R
3511
100R
3524
100R
3512
100R
3515
3532
BC807-25
7501
100R
7503
BC857B
3553
1K0
3560
47K
1u0
2511
3559
470K
470K
3558
4500
4510
100R
3509
BC847B
7504
7505
BC847B
1K
3529
100R
3551
3540
47K
7502
BC847B
100R
3557
3527
100R
2510
15p
100R
3501
100R
3507
3525
100R
100R
3505
3504
100R
3523
100R
100R
3502
100R
3503
59
6
60
61
62
63
64
65
66
67
68
7
8
9
69 70
44
45
46
47
48
49
5
50
51
52
53
54
55
56
57
58
3
30
31
32
33
34
35
36
37
38
39
4
40
41
42
43
15
16
17
18
19
2
20
21
22
23
24
25
26
27
28
29
98751-500H
1500
1
10
11
12
13
14
3555
100R
10K
3556
3563
100K
3554
10K
3516
100R
3514
100R
4K7
3546
3500
100R
3528
100R
3530
100R
3508
100R
31
32
33
34
35
36
37
38
39
4
40
5
6
7
8
9
17
18
19
2
20
21
22
23
24
25
26
27
28
29
3
30
1542
1
10
11
12
13
14
15
16
3510
100R
3506
100R
2512
1u0
4K7
1u0
2513
3548
4K7
3545
4560
4580
4550
4570
3570
10K
100R
3522
2515
1u0
2514
1u0
3562
4K7
3561
4K7
3521
100R
2502
100p
15K
3550
3531
4520
100R
7510
BC847B
100R
3513
100R
3526
D11
D10
D09
D08
D07
D06
D05
D04
D03
D00
D01
D02
+5V
+5V
+5V
RESET
CD
CD2
CD1
RESET
+5D
+5V
VS1
D_07
+5D
Card_On
CD
Card_On
CE2select0x3Fx
D_03
D_11
D_04
D_10
D_05
D-09
D_06
D_08
CE1select0x1Fx
A2
A0
A1
+5D
Card_On
PDIAG
DSAP
+5V
+5V
IOCS16
CD
VS2
CD2
CD1
D15
D14
D13
D12
D00
D01
D02
D03
D04
D05
D06
D07
D08
D09
D10
D11
D12
D13
D14
D15
D_12
INTRQ
IORDY
IORD
IOWR
D_15
D_00
D_14
D_01
D_13
D_02
#
#
#
#
#
#
#
3139 113 3504pt2 dd wk317

Table of Contents

Related product manuals