EasyManua.ls Logo

Philips MX5500D/21S - Page 72

Philips MX5500D/21S
118 pages
Print Icon
To Next Page IconTo Next Page
To Next Page IconTo Next Page
To Previous Page IconTo Previous Page
To Previous Page IconTo Previous Page
Loading...
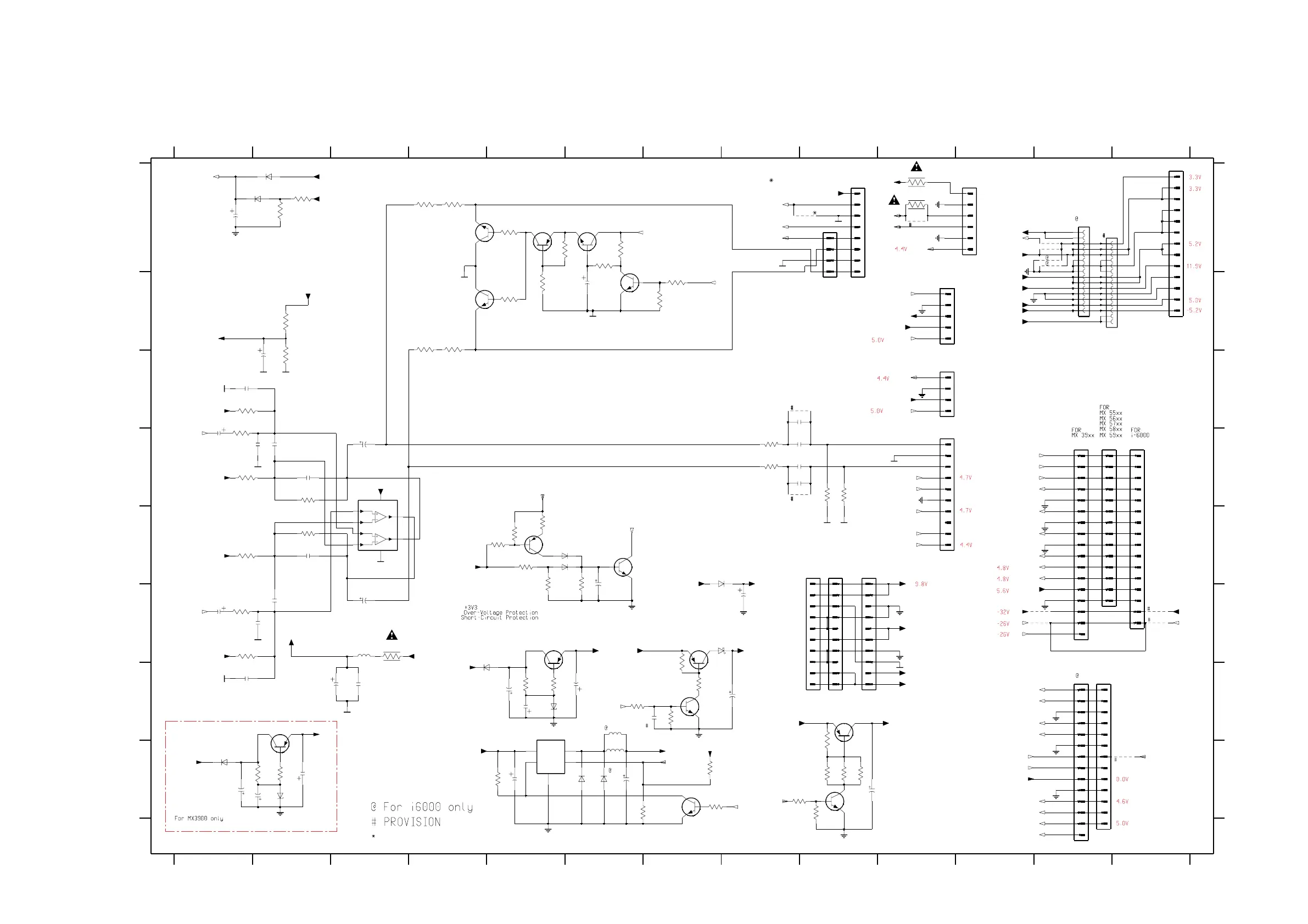
PRE-AMPLIFIER, SUPPLY & INTERCONNECTION CIRCUIT
FB
GND
OUTVIN
ON_|OFF
TO FRONT PCB
4209
For non-Kara only
E
F
G
H
A
B
C
D
E
F
G
H
1200 E9
1201 E9
1230 B9
1231 D10
1232 C10
1233 E9
1235 A11
1236 B10
1238 G12
1239 D12
1240 D12
1241 A12
1242 A13
TO ECOSTDBY PCB
TO AMP PCB
TO DVD Module
1 2 3 4 5 6 7 8 9 10 11 12 13
1 2 3 4 5 6 7 8 9 10 11 12 13
A
B
C
D
Hi = ON
For Karaoke
Hi = ON
1243 B9
1244 G12
1245 D13
1246 A12
2201 A1
2202 B6
2207 D3
2208 F3
2209 D2
2210 E2
2211 D2
2212 F2
2213 C1
2214 D2
2215 C1
2216 F2
2217 F1
2218 G1
2219 G2
2220 G3
2224 G6
2225 G5
2226 G5
2227 F8
AMP_L
2228 H2
2229 H1
2230 H2
2231 H9
2232 G8
2233 C2
2240 H5
2241 H6
2242 E6
2254 G7
2280 D8
2281 D8
2282 C8
2283 D8
3200 A2
3201 A2
3202 H6
3203 B7
3204 B7
3205 A6
3206 A6
3207 A5
3208 B5
3209 A5
3210 B5
3211 A4
3212 B4
3213 A4
TO SUPPLY PCB
LOW = MUTE
3214 B4
3215 H7
3224 D8
3225 D8
3230 E2
3231 D2
3232 F1
3233 D1
3234 F1
3235 D1
3236 E1
3237 C1
3238 F3
3239 H7
3240 H5
3243 H2
3244 H2
3245 G9
3250 H9
3252 F7
3254 G7
3256 B2
3257 C2
3259 G5
3260 H9
TO FRONT PCB
TO TRAFO
Hi = ON
3261 G6
3262 H9
3263 H9
3265 G5
3268 H9
3269 G7
3270 D9
3271 D9
3272 E5
3273 E6
3274 E5
3275 E5
3276 E5
3277 E5
3290 A10
3291 A10
4200 F12
4201 F12
4202 F13
4203 F13
4204 H13
4205 A12
4206 A12
4207 A12
4208 A12
4209 A9
4280 C8
4281 D8
5201 H6
5202 G6
5232 F3
6200 A2
6201 A2
6202 H6
6203 H6
6204 H1
6205 F7
6223 G5
6224 G5
6225 F7
6226 H2
6227 E5
6228 E5
7200 A4
7204 F5
7205 G2
7206 G9
7207 H9
7208 F7
7209 G7
7210 G5
7211 H7
7230 D3
7231 A5
7232 A6
7233 A7
7250 B4
7252 E5
7253 E6
9291 A10
BD242B
TO SUPPLY PCB
4.6V
(Headphone not inserted)
AMP_R
TO HP PCB
NJM4556AM
GND_D
BD438
7208
A_HP
1241
FMN-BTRK
I2C_CLK2
I2C_CLK3
A2
A1
DVD_5V
DVD_ON
I2C _DATA
A0
3V3_sense
+3V3
MIC_OUT
3290
2R2
+C
3269
220R
470n
2282
BAS316
+HP
1N4003GP
6225
+12A
16V470u
2231
180p
3243
2K2
+12A
2215
22u
2u2
A_HP
A_HP
+C
GND_A
+5V6
1m0
2201
GND_D
3238
10R
-5V
3262
1K0
6200
12K
3232
GND_M
A_HP
1231
FE-BT-VK-N
BC857B
47u
2207
+12A
GND_D
3206
GND_D
GND_D
100p
2213
7231
4
5
6
7
8
9
+12A
+12V_DVD
2254
470n
GND_A
+12M
GND_D
3260
10K
9291
7200
1235
1
EH-B
+12V_DVD
5202
33u
+12M
A_HP
GND_D
GND_D
1n
2216
470n
2281
2241
1m0
50V
27K
3230
4201
4203
10V
4281
2232
220u
4280
7206
BD438
MIC
4200
+5V_DVD
68R
100p
2218
2214
1n
3275
GND_D
BC847B
7233
8
470p
2212
FE-BT-VK-N
1243
1
2
3
4
5
6
7
1230
1
2
3
4
+12V_DVD
5232
FE-BT-VK-N
2242
47u
BC847B
7253
3236
6K8
3235
220R
10K
3225
1K0
3204
7207
BC847BW
470n
2280
470R
3265
3277
47K
GND_M
+5V6
47K
A_HP
3250
+5V
BC847BW
7209
A_HP
7205
BC327-25
+5V_DVD
5K6
GND_C
+5V6
2227
22u
GND_D
2228
100u50V
1K
3209
47R
3214
470n
7204
2283
8
9
4206
1
10
11
12
13
14
2
3
4
5
6
7
16
2
3
4
5
6
7
8
9
1240
FE-BT-VK-N FE-BT-VK-N
1245
1
10
11
12
13
14
15
2R2
3291
INB+5
6 INB-
O-A 1
O-B 7
VS+
8
VS-
4
7232
BC847B
7230
INA+3
INA-2
22u
2224
1N4003GP
6223
4205
470R
3271
3205
GND_D
A_HP
1K
+5V6
3273
10K
6201
+5V6
A_HP
+C
BAS316
GND_D
GND_M
2210
+12M
22u
2230
SS14
3256
4K74K7
3257
6205
+12M
6K8
3233
3
4
5
6
7
8
9
220R
3234
EH-B
1233
1
10
2
47u
2219
3213
47R
47u
2208
5K6
3252
GND_D
+5V
BZX79-B6V8
6224
3211
33R
22u
2217
3240
47K
3272
6K8
4K7
3208
2229
3244
5K6
50V 100u
2240
100u
4204
100u
5201
6204
1N4003GP
2226
100u50V
3245
5K6
6227
BAS316
10K
3261
4202
GND_A
22u
2225
4207
GND_D
22n
2220
BYV28-200/20
6203
GND_D
1K0
3263
8K2
3259
-5V
6228
3200
100K
6226
BZX79-C33
1K0
3276
3231
27K
3
4
5
6
7
8
9
GND_D
1244
FE-BT-VK-N
1
10
11
12
13
14
2
1
10
11
12
13
2
3
4
5
6
7
8
9
FE-BT-VK-N
1
2
3
4
5
FE-BT-VK-N
1238
3274
6K8
1236
+HP
2202
10u
BC847BW
7211
3207
4K7
A_HP
LM2576T-3.3
7210
4
3
5
21
100u
3270
470R
2
3
4
5
6
2233
3237
12K
BC817-25
BC817-25
7250
3224
3212
33R
GND_D
1K0
3210
1K
1K0
3268
7
8
9
A_HP
1
10
2
3
4
5
6
7252
BC857B
10K
3202
3203
10K
GND_D
GND_D
4
5
6
7
8
9
3201
100K
1242
FMN
1
10
11
12
13
2
3
1201
EH-B
1
10
2
3
10K
3239
+HP
2211
470p
47K
3254
1
2
3
4
BYV27-200
6202
FE-BT-VK-N
1232
1
10
2
3
4
5
6
7
8
9
GND_D
6
7
8
9
1200
EH-B
1
10
11
12
13
14
15
2
3
4
5
FMN
1246
4208
GND_D
4209
13
14
15
16
17
2
3
4
5
6
7
8
9
FE-BT-VK-N
1239
1
10
11
12
3215
1K0
5
6
7
8
9
2209
180p
1
10
11
12
13
14
15
2
3
4
+3V3
DVD_5V
3V3_sense
+3V3
VID_RGB
~F1
~F1
MUTE_SCART_LO
I2C_CLK1
TU_CLK
SD
FM_DET
MUX_DET
MUX_VU
40VAC
TU_ENABLE
LPC
PWD_DN
TU_DATA
TU_STEREO
+5V6_ECO
40VAC
+3V3
NTC
PWD_DN
+5V_MUTE_1
DVD_5V
DVD_ON
-Vkk
NTC
AMP_ON_LRCS
AMP_C
AMP_ON_C
FREQ_HOP
MIC_DET
MUTE_HDPH
+5V_MUTE_1
HP_DET
HPREF
HPREF
HPREF
HPREF
HPREF
1B_L
1B_R
LPC
NTC
PWD_DN
40VAC
~F2
~F2
-Vkk
+5V6_ECO
DVD_5V
40VAC
NTC
BAS316
50V
@ For MX39xx only
@
5.9V
5.9V
5.9V
4.6V
0.2V
4.8V
0.2V
5.4V
5.4V
5.4V
5.9V
5.9V
3.3V
-6.8V
5.6V
4.8V
5.9V
-32.4V
-33V
5.9V
0.2V
-6.2V
11.6V
11.8V
0.2V
5V
5.2V
0.2V
11.3V
12V
0.2V
AV circuit 3139 118 35005 sheet 2 dd wk318
9-3
9-3

Table of Contents

Related product manuals