EasyManua.ls Logo

Philips PM3208 - Figure 10.4 Circuit Diagram of Vertical Amplifier

Philips PM3208
81 pages
Print Icon
To Next Page IconTo Next Page
To Next Page IconTo Next Page
To Previous Page IconTo Previous Page
To Previous Page IconTo Previous Page
Loading...
077
181588
lars
1
Y-OQUT
AMPL.
-12B
+12V
VERTICAL
SWITCHING
INTERMED.
AMP.
‘a
ae
VERTICAL
AMPLIFIER
|
10-10
1201
SN74LSOON
4
R213
1€201
SN74L
SOON
12
Bg
—o7
.
2508386
:
063
RLS.
>
aa,
¢
FROM
IC2-1
151588
TO
CN301
RUB
_061_
151588
#128.
RS9
Ziase
TO
CN301
.
059
RU?
Hz3c2
}
FROM
IC2-5
062
>+—
+
151588
1
|
1¢202
I.
5
SN7LLS7LN
oe
INT
TRIG
ae
TO
CN4O1
175
181588
—1C201__
N74
SOON
0206
2
10n
'
a
0203
RIS,
2SA8440
ont
(220
}
181588
508308
AS
S
Sop
4
CHB
'
8
cr
"hee
181588
&
Rin
+128
vR173
075
:
1
8
L7p
>—
218
3
Ris
181588
_1¢202__
10n
:
+4
SN74LS74N
181588
+54
one
—Hit
a
ee
iors
Y
FROM
CN1004-1
75A8388
181588
-——
-
—_—
-
~~
~~
Tid]
anzor
ae
|
cay
1
£
:
RIT
+5V
1
PULL
INVERT
10n
|
POS
=
|
~—t-
as
3
8
fa}
0107
ferie
75A83608
FROM
0105
102-1
2SA1005L
1$1588
:
161
1
Ries
751588
|
+128
ADD
'
—a+12V
BAL
|
R102
oer
|
D160
151586
i
Rb6
t
FROM
0106
°
y
1
10202
ic02-5
TSMOOSL
0162
}
!
aeeein
FEneIe0
151588
!
!
!
Ww
iy
40n
|
cH
ADD
cH2
|
:
BOTH
DUAL
VERTICAL
MODE
MODE
PC
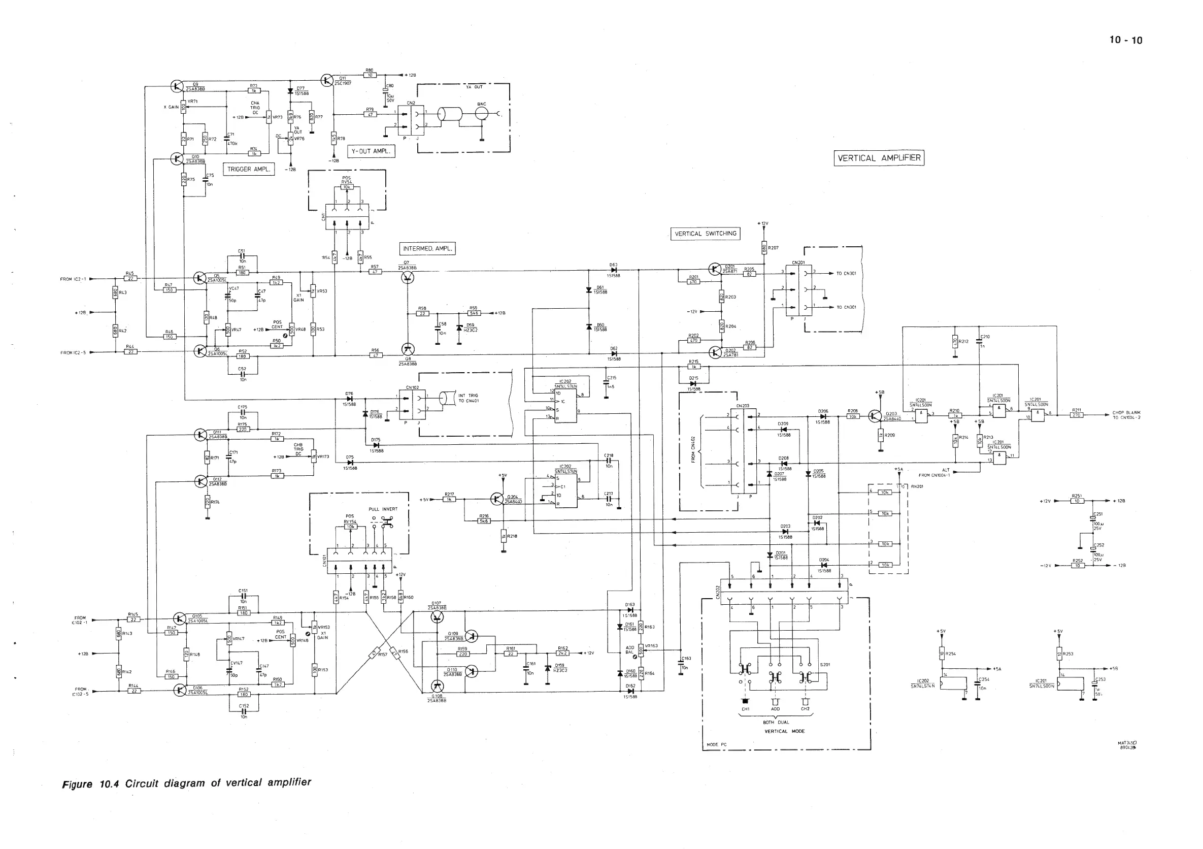
Figure
10.4
Circuit
diagram
of
vertical
amplifier
1€201
SN74L
SOON
9
BS
CHOP
BLANK
TO
CN1004
-
2
R251
+12V
{10}
+128
C251
1000
j25V
C252
100m
25V
-12V
-
12B
1€201
SN74LSOON
MAT
3450
8904
2B

Related product manuals