EasyManua.ls Logo

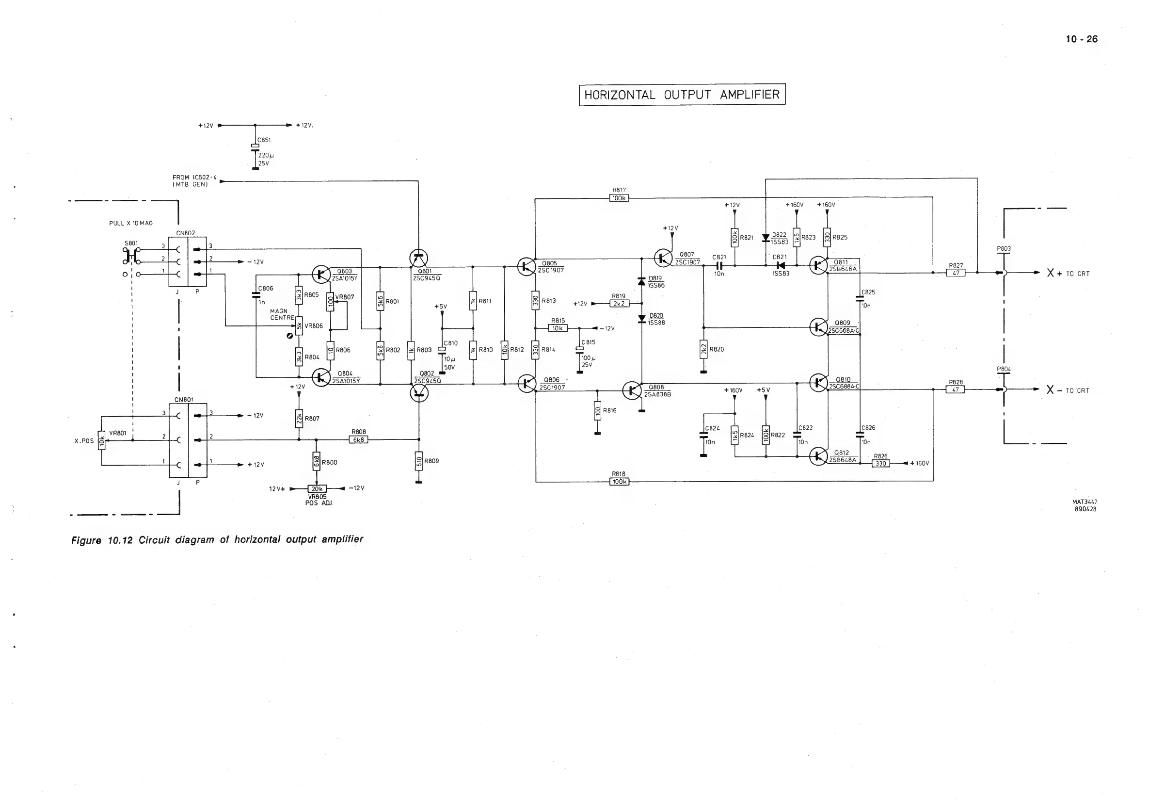
Philips PM3208 - Figure 10.12 Circuit Diagram of Horizontal Output Amplifier

Philips PM3208
81 pages
Print Icon
To Next Page IconTo Next Page
To Next Page IconTo Next Page
To Previous Page IconTo Previous Page
To Previous Page IconTo Previous Page
Loading...
10
-
26
HORIZONTAL
OUTPUT
AMPLIFIER
+12V
+12V.
cesi
220u
25V
FROM
IC602-4
(MTB
GEN)
R817
-—__-
—-
+160V
+160V
PULL
X
10
MAG
$801
P803
ona
1
JSB6LBA
R627
Ee
SS
SS
X
+
To
CRT
825
[ool
R811
fa
me
10n
'
asoo_
|
SSC66BAC
1
D
@
3
L10k
|
330
P804
Q810
|
seAnaane
;
R828
2SC688A‘C
x
5
-
GRE
'
Q806
2SC1907
Q808
7548388
HIOOM
TAN
CN801
3
-12V
J
vrso1
|
5
_
a
i
+12V
J,
P
ju
nN
12V+
=12V
[100k]
VR805
POS
ADJ.
MAT3447
-_———_
-
——_-
890428
Figure
10.12
Circuit
diagram
of
horizontal
output
amplifier

Related product manuals