EasyManua.ls Logo

Philips PM3208 - Figure 10.15 Circuit Diagram of Power Supply + Miscellaneous

Philips PM3208
81 pages
Print Icon
To Next Page IconTo Next Page
To Next Page IconTo Next Page
To Previous Page IconTo Previous Page
To Previous Page IconTo Previous Page
Loading...
WER
SUPPLY
+
MISCELLANEOUS
10
-
30
MAINS
INPUT
|
|
1
FUSE
POWER
T1001
|
'
POWER
SUPPLY
FUSE
RATING
|
220V/
315
mA
CN1001
CNS001
110V/630mA
AC
INPUT
5
—_
140V
1
wl
1026
14V
32
-
a
TO
CN2004
6,3V
(H-PCB)
|
-12V
re
¥
i=]
aan
Blrrozr
C1001
CN1005
+12V
P
'
-12V
0
i
CN2003
+5V
(H-PCB)
:
:
+160V
5
03010
ey
1
SCALE
ILLUM
25C18L6-R
aT
CN3002
ae
CN3001
|
4
TRACE
ROTATION
'
ae
01001
PL3001
7G4B-42
~
+
'
-
~
CN1003
Q3011
2SC1846-R
R1010
PL3002
CN1002
e—{_2E2
}-
nnn
=
GV
UNREG
ze
4
+160V
RI
01005
wo {8
se
iz
E
009
RDSSEL
oS
Gr),21002
'
7
(522808807,
CRT
CONTROL
+
—at5V
R1011
RDIBEL
5
R1005
12k
CN1004
z
t
ALT
PULSE,
}R
1008
TO
1C201-13
CHOP
BLANK
2 2
INTENSITY
-ROM!Ro
re
160V
E
CN2002
“y
we
cl
(H-PCB)
=
3
03035
03036
03037
j
FOCUS
wo
HZ36L
HZ36L
HZ36L
8
Poy
'
+12V
8
1C4001
rans
iCLOTBP
MPCL5
BEC
IV
(P-P)
.
MAT3448
890428
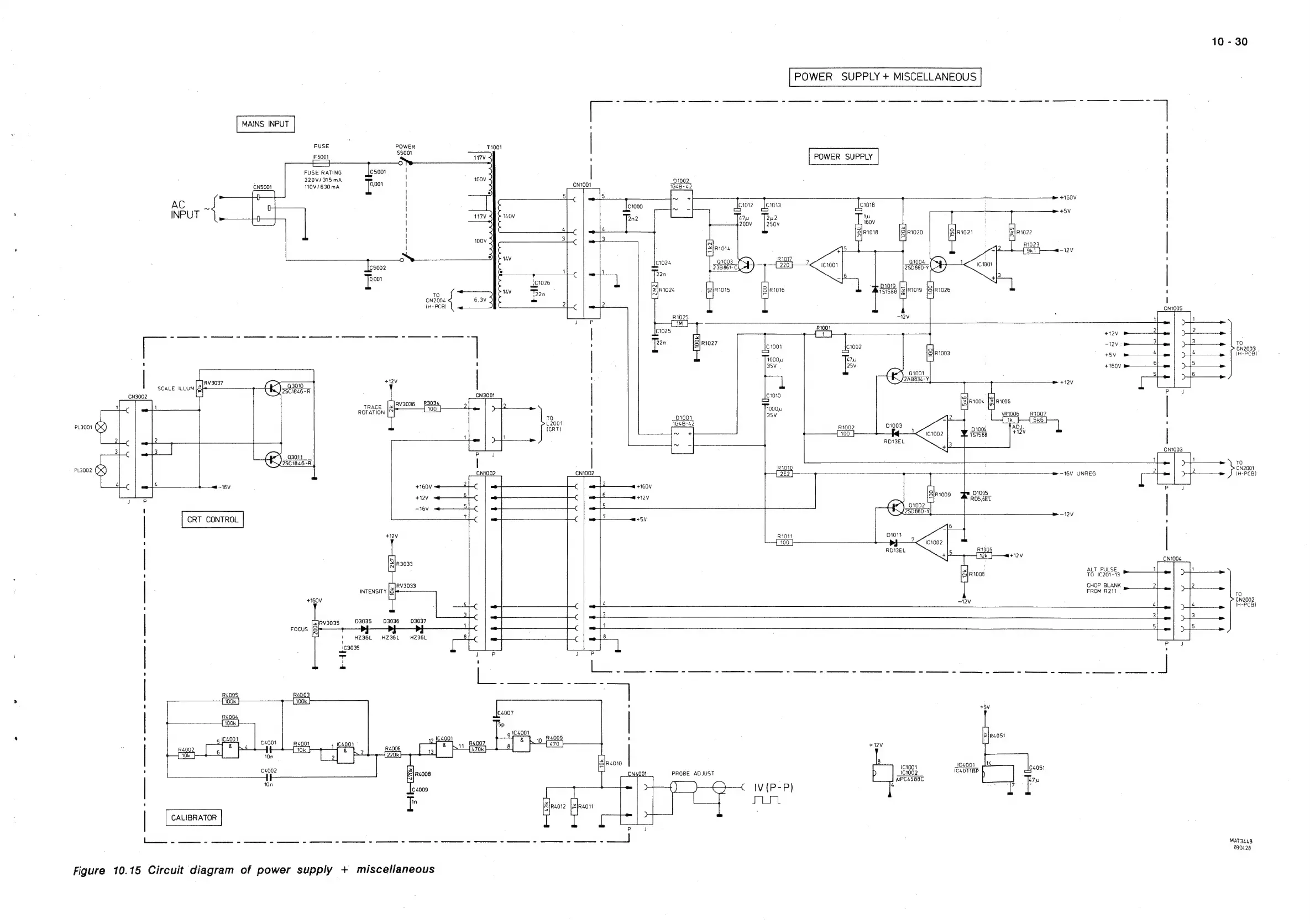
Figure
10.15
Circuit
diagram
of
power
supply
+
miscellaneous

Related product manuals