EasyManua.ls Logo

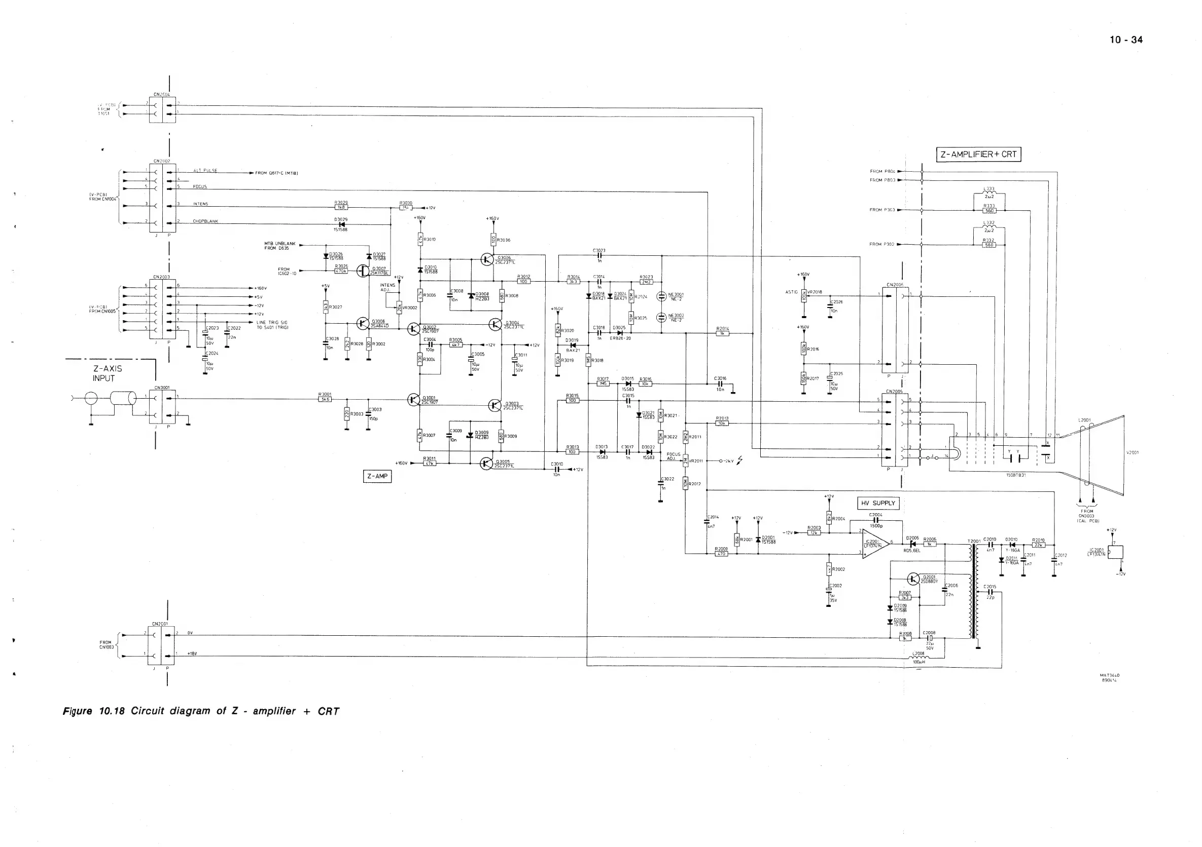
Philips PM3208 - Figure 10.18 Circuit Diagram of Z - Amplifier + CRT

Philips PM3208
81 pages
Print Icon
To Next Page IconTo Next Page
To Next Page IconTo Next Page
To Previous Page IconTo Previous Page
To Previous Page IconTo Previous Page
Loading...
0
10
-
34
CNL04
foo
te
2
le
i
ra
‘a
;
[
Z-AMPLIFIER+
CRT
|
CRT
cN2002
FROM
P8064
1
f
i
a
tic
ALT
PULSE
>
FROM
Q617-C
(MTB)
FROM
803
&———¢
4
|
+
:
eat
'
333
5
LU
le
2u2
iv-pca)
J
:
i
FROM
CN1004)
3029
R3030
R333
3}
3
INTENS
[ist
}—w4
12V
FROM
P3063
>
560
+
160V
+1604
332
03629
;
HOPI
y
i
246
2
CHOPBLANK
vy
181588
go
2k
®}r3ct0
Bles03s
2
A
(éec}
=
FROM
P302
»——
560
+
MTB
UNBLANK
El
FROM
0635
oes
03027
>
-
,
151586
+
KK)
ee
tn
'
3010
|
FROM
503007
_
Kissa
+160V
1C602
-
10
2SK
17
BL
BN
:
R3012
R301
C3014
R3023
C2003
363
}-y7—4I
CN2005
7
6
6
tn
»>—
=
>
+160V
eles008
YY
2308
03024
[5],
49,
Cpe
ASTIG
s[ue2018
1
ic
|
an
iy
ig
BAX?
1
Se
BAKA
[O[R”
“NED
e
J2026
|
3
dee)
J
>
310
|
we
T
-12V
*regv
=
2
FROMCNI005
2
a
=
eiay
Bfeso2
Qe
-
1
1
004
Ma
=
ae
Oren)
3002
SC2I7IL
|
c3018
|
53025
R201
ds
Si_¢
5
Ic2023.
_|c2022
0
S40
i
25C
1907
—+
aa
ata
1
Tow
22n
a6be
tn
ERB26-20
T
J
P
SOV
10n
100p
c2024
ay
St
oo
ee
R3004
R3018
>2
10
Z-AXIS
Sov
ii
ig
R3017
03015
3016
3016
INPUT
+
{10k
J
+
:
cou
CN2005
N3001
a
20
t
;
.
R3001
R3015
=
p20}
4—
©)
03003
s005
2SC2371L
2
2
IS}
R3003
2001
<
it
ii
ip
Pp
3
Is
|4
J6
jo
7
12]
cat
|
x
i
R3013
fe
pao
wt
it
yy
'
v2001
Cara)
L100
}
fag)
Di
|
1
Tx
an
15583
in
18583
rtd
»
CO
f
+H60v
>
—{
47k}
2SC23770
Coe
F—r2v
150B7831
10n
+12V
Ven”
FROM
CN3003
+12V00
+12
(CAL
PCB)
+12V
~12v
02001
02006
R2006
C2010
02010
R2010
2001
P2008
12001
<
Se
J
7
R2009
ROS.6EL
an?
|
Y-16GA
iC
2001
770
C2011
©2012
CF
Y374IN
yy
02011
=
4
Y=TEGA
“Ten?
“n7
ih
1
a
2015
22p
cN2¢01
2
2
ov
>
22y
FROM
SOV
CN1003
;
2008
1
1
+18V
pee
el
100uH
7
P
MAT3440
890416
Figure
10.18
Circuit
diagram
of
Z
-
amplifier
+
CRT

Related product manuals