EasyManua.ls Logo

Philips TPM5.1E - Page 41

Philips TPM5.1E
99 pages
Print Icon
To Next Page IconTo Next Page
To Next Page IconTo Next Page
To Previous Page IconTo Previous Page
To Previous Page IconTo Previous Page
Loading...
IC Data Sheets
EN 41TPM5.1E LA 8.
2011-Sep-02
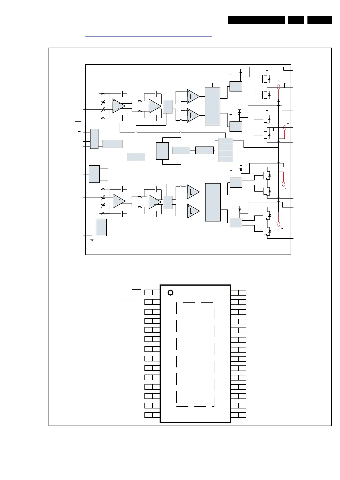
8.8 Diagram B12 SSB Smart Choice: Audio Amp/Headphone out, TPA3113D2PWPR 6W TSSOP-28 (IC U601)
Figure 8-10 Internal block diagram and pin configuration
18840_304_100406.eps
100428
Block diagram
Pinning information
1
2
3
4
5
6
7
8
9
10
28
27
26
25
24
23
22
21
20
19
SD
FAULT
LINP
LINN
GAIN0
GAIN1
AVCC
AGND
GVDD
PLIMIT
PVCCL
PVCCL
BSPL
OUTPL
PGND
OUTNL
BSNL
BSNR
OUTNR
PGND
RINN
RINP
NC
11
12
13
14
18
17
16
15
OUTPR
BSPR
PVCCR
PVCCR
PBTL
PWP (TSSOP) PACKAGE
(TOP VIEW)
PWM
Logic
Gate
Drive
Gate
Drive
PVCCL
PVCCL
GVDD
PVCCL
PVCCL
BSPL
PGND
OUTPL
OUTNL
PGND
GVDD
BSNL
PWM
Logic
Gate
Drive
Gate
Drive
PVCCL
PVCCL
GVDD
PVCCL
PVCCL
BSNR
PGND
OUTNR
OUTPR
PGND
GVDD
BSPR
LINP
LINN
RINP
RINN
UVLO/OVLO
SC Detect
DC Detect
Thermal
Detect
Startup Protection
Logic
Biasesand
References
FAULT
SD
GAIN0
PLIMIT
AGND
AVCC
GAIN1
Ramp
Generator
AVDD
GVDD
GVDD
LDO
Regulator
Gain
Control
PLIMIT
PBTL
Gain
Control
TTL
Buffer
PBTL
Select
PBTL Select
PBTL Select
OUTPL FB
OUTNL FB
OUTNN FB
OUTNP FB
OUTPR FB
OUTNR FB
OUTNL FB
OUTPL FB
PLIMIT
Gain
Control
TTL
Buffer
PLIMIT
Reference

Table of Contents

Related product manuals