EasyManua.ls Logo

Philips TPM5.1E - Power 42 & 47 A01

Philips TPM5.1E
99 pages
Print Icon
To Next Page IconTo Next Page
To Next Page IconTo Next Page
To Previous Page IconTo Previous Page
To Previous Page IconTo Previous Page
Loading...
EN 56TPM5.1E LA 10.
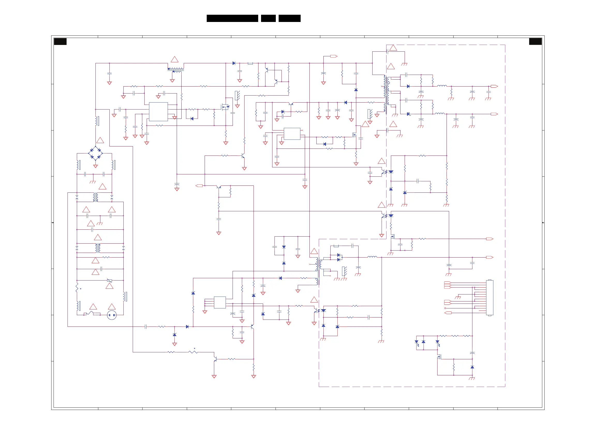
Circuit Diagrams and PWB Layouts
2011-Sep-2
Power 42" & 47"
1
1
2
2
3
3
4
4
5
5
6
6
7
7
8
8
9
9
10
10
11
11
A
A
B B
C
C
D
D
E E
F
F
G
G
H
H
B+
395V
24V
12V
S/B
24V
ENA
12V
DIM
+5VSB
Vdd-S
S/B
POK
+5VSB
LIPS-1
HOT
COLD
42"
!
! !
!
!
!
!
!
!
!
!
!
!
!
!
!
!
!
!
T5.0AH 250V
HOT
HOT COLD
COLD
!
BD901 C1 CN901 F2
CN903 F10 C901 D1
C902 D2 C903 B8
C904 A8 C905 C2
C906 C1 C907 A6
C908 E2 C909 E1
C910 G3 C911 A2
C912 B2 C913 B2
C914 D4 C915 D6
C916 B2 C917 B7
C918 C5 C919 B7
C920 B3 C921 A7
C922 D3 C923 C8
C924 A5 C925 B5
C926 E6 C927 B7
C928 B4 C929 B6
C930 E8 C931 A8
C932 B9 C933 B9
C934 B8 C935 D9
C936 C7 C937 B9
C938 B10 C939 B2
C940 E10 C942 G5
C945 E5 C946 F5
C947 F5 C948 F5
C949 E7 C950 E7
C951 E9 C952 F8
C954 C5 C955 C3
C958 G10 C959 F4
C960 B10 C961 B10
D901 A4 D902 B7
D904 G3 D910 B4
D913 C6 D914 E6
D915 E6 D916 F5
D917 E7 D921 B8
D922 A8 D923 B7
D926 G10 D927 G9
FB901 B1 FB902 F1
FB903 F2 FB904 C1
FB905 A5 FB906 C2
FB907 E7 F901 F1
HD917 E7 HQ902 B5
HQ903 B8 IC901 B6
IC902 B3 IC903 C8
IC904 D8 IC905 F4
IC907 F6 IC908 G7
IC921 D8 LED901 G9
LED902 G9 L901 E1
L902 D1 L907 E8
L921 A9 L922 B9
Q902 B4 Q903 C7
Q905 B6 Q907 D4
Q909 E8 Q915 G5
Q916 C5 Q917 A5
Q918 G4 Q919 A5
Q920 G9 RV901 F2
R901 E2 R904 B6
R905 B5 R906 C5
R907 A5 R908 A4
R909 A3 R910 A6
R911 A2 R912 B6
R913 B2 R914 B2
R915 C6 R916 B4
R917 B4 R918 B3
R919 B4 R920 C4
R921 F7 R922 F5
R923 A7 R924 C7
R925 D4 R926 D4
R927 C7 R928 C7
R929 B4 R930 C7
R931 A5 R932 B5
R934 G3 R935 A9
R936 A9 R937 C9
R938 D9 R939 B6
R941 D9 R942 B9
R943 B9 R944 D8
R945 E9 R946 G4
R948 G5 R949 D9
R950 B3 R951 F5
R953 F7 R954 B9
R955 F7 R956 F8
R957 G8 R958 C9
R959 F6 R961 B8
R962 F6 R963 C8
R964 E8 R965 F4
R966 G4 R967 G3
R970 F6 R973 G10
R974 G9 R975 G9
R976 G9 SG901 E1
SG902 E2 SG904 D1
SG905 D2 TH902 F1
TH903 G4 T901 A8
T902 A3 T904 E6
ZD903 G6 ZD905 B6
ZD907 F5 ZD908 F5
ZD909 G3 ZD912 F4
RV901
TVR14561
RV901
TVR14561
SG904
GS41-201MA
SG904
GS41-201MA
C902
470pF/250V
C902
470pF/250V
R923
82K OHM 1W
R923
82K OHM 1W
C927
270PF 1KV_NC
C927
270PF 1KV_NC
ZD903
B6V2
ZD903
B6V2
R955
0 OHM
R955
0 OHM
R918
47K 1/8W
R918
47K 1/8W
Q905
BC857C
Q905
BC857C
R901
1MOHM +-5% 1/2W_NC
R901
1MOHM +-5% 1/2W_NC
Q917
MPSA94A_NC
Q917
MPSA94A_NC
IC908
KIA431A-AT/P
IC908
KIA431A-AT/P
Q915
BC857C
Q915
BC857C
R974
220R 1/8W 5%
R974
220R 1/8W 5%
t
TH902
SCK15037
t
TH902
SCK15037
12
R964
47K +-5% 1/8W
R964
47K +-5% 1/8W
R905
3M3 1/4W_NC
R905
3M3 1/4W_NC
R927
10 OHM
R927
10 OHM
SG905
GS41-201MA_NC
SG905
GS41-201MA_NC
C931
270PF 1KV
C931
270PF 1KV
R914
39K 1/8W
R914
39K 1/8W
R937
1K OHM 1/8W
R937
1K OHM 1/8W
R973
220R 1/8W 5%
R973
220R 1/8W 5%
C908
680N 275V
C908
680N 275V
R932
4.7K 1/8W
R932
4.7K 1/8W
R967
10KOHM +-5% 1/8W
R967
10KOHM +-5% 1/8W
R976
1M 1/8W 5%
R976
1M 1/8W 5%
+
C937
47UF 50V
+
C937
47UF 50V
D914
P6KE180A
D914
P6KE180A
R938
1.5K
R938
1.5K
ZD925
MTZJT-7213B
ZD925
MTZJT-7213B
1 2
C925
0.01uF
C925
0.01uF
L902
6mH
L902
6mH
1
4
2
3
D904
BAV21
D904
BAV21
C952
0.1uF
C952
0.1uF
FB903
BEAD
FB903
BEAD
12
+
C950
2200uF 10V
+
C950
2200uF 10V
R924
1R2 5% 2W
R924
1R2 5% 2W
+
C946
47UF 50V
+
C946
47UF 50V
R915
47R 1/6W 5%
R915
47R 1/6W 5%
D923
BAV21
D923
BAV21
+
C938
47uF/50V
+
C938
47uF/50V
FB902
BEAD
FB902
BEAD
12
C955
33P 50V
C955
33P 50V
R925
22K 1/8W
R925
22K 1/8W
ZD907
BZX79-C9V1
ZD907
BZX79-C9V1
1 2
SG902
GS41-201MA
SG902
GS41-201MA
IC905
TNY277PN-TL
IC905
TNY277PN-TL
EN/UV
1
BP/M
2
D
4
S
5
S
6
S
7
S
8
C921
0.0022uF/500V
C921
0.0022uF/500V
Q918
PMBTA45
Q918
PMBTA45
R957
10K5 1/8W 1%
R957
10K5 1/8W 1%
R928
22K OHM 1/8W
R928
22K OHM 1/8W
C914
10N 50V
C914
10N 50V
LED902
LED
LED902
LED
12
C934
270PF 1KV
C934
270PF 1KV
HQ902HQ902
2
C905
470pF/250V
C905
470pF/250V
R943
100 OHM
R943
100 OHM
F901F901
3
4
1
2
C910
1500pF
C910
1500pF
D921
SR310-24
D921
SR310-24
1 2
C920
1uF/25V
C920
1uF/25V
R970
390K +-5% 1/8W
R970
390K +-5% 1/8W
HD917HD917
1
Q907
MMBT2907AK
Q907
MMBT2907AK
1
23
R953
47OHM +-5% 1/8W
R953
47OHM +-5% 1/8W
FB905FB905
Q902
AOTF12N60
Q902
AOTF12N60
2
1
3
D916
RGP10D
D916
RGP10D
FB904
BEAD
FB904
BEAD
12
R922
15K 1/8W
R922
15K 1/8W
D917 SP1060D917 SP1060
1
3
2
R916
4.7 OHM
R916
4.7 OHM
R954
820 OHM 3W
R954
820 OHM 3W
R921
3.3K
R921
3.3K
R909
1 MOHM +-1% 1/4W
R909
1 MOHM +-1% 1/4W
+
C932
1000uF/16V
+
C932
1000uF/16V
R945
4.7K OHM
R945
4.7K OHM
R946
1K 1/8W
R946
1K 1/8W
C916
10N 50V
C916
10N 50V
IC921
KIA431A-AT/P
IC921
KIA431A-AT/P
LED901
LED
LED901
LED
12
C949
0.01uF 100V
C949
0.01uF 100V
ZD908
MTZJ15B
ZD908
MTZJ15B
1 2
C913
470P 50V
C913
470P 50V
R949
10K 1/8W
R949
10K 1/8W
R911
18.7K OHM
R911
18.7K OHM
C918
220P 50V
C918
220P 50V
C939
1uF/25V_NC
C939
1uF/25V_NC
IC904
EL817MA
IC904
EL817MA
12
43
T904
EF20
T904
EF20
3
2
1
4
5
8
10
6
9
7
FB906
BEAD
FB906
BEAD
12
+
C919
22uF 50V_NC
+
C919
22uF 50V_NC
C926
10nF
C926
10nF
L922
0.8uH
L922
0.8uH
R906
3M3 1/4W_NC
R906
3M3 1/4W_NC
L907
0.8uH
L907
0.8uH
C904
470pF/250V
C904
470pF/250V
R961
100 OHM 1/4W
R961
100 OHM 1/4W
R958
240 OHM +-5% 1/8W
R958
240 OHM +-5% 1/8W
R919
0.22OHM 2W
R919
0.22OHM 2W
C909
680N 275V
C909
680N 275V
C924
1.5NF/1KV
C924
1.5NF/1KV
R910
100K 1/8W _NC
R910
100K 1/8W _NC
R942
100 OHM
R942
100 OHM
t
TH903
PTC
t
TH903
PTC
1 2
Q916
PMBTA45_NC
Q916
PMBTA45_NC
D902
FR107
D902
FR107
R959
0 OHM 1/4W
R959
0 OHM 1/4W
C935
0.022uF/25V
C935
0.022uF/25V
FB901
BEAD
FB901
BEAD
12
IC901
NCP1271D65R2G
IC901
NCP1271D65R2G
Skip/latch
1
FB
2
CS
3
GND
4
DRV
5
VCC
6
HV
8
C917
330N 50V
C917
330N 50V
R904
3M3 1/4W_NC
R904
3M3 1/4W_NC
R929
22K OHM 1/8W
R929
22K OHM 1/8W
R936
100 OHM
R936
100 OHM
C960
100N 50V
C960
100N 50V
C911
1UF450V
C911
1UF450V
C940
100N 50V
C940
100N 50V
C948
0.1uF
C948
0.1uF
C936
150PF 1KV
C936
150PF 1KV
D922
HER303G-18
D922
HER303G-18
D915
FR107
D915
FR107
R912
22K 1/8W 5%
R912
22K 1/8W 5%
C923
1N5 50V
C923
1N5 50V
L901
6mH
L901
6mH
1
4
2
3
R926
10K 1/8W
R926
10K 1/8W
R963
4K7 +-5% 1/8W
R963
4K7 +-5% 1/8W
R962
47R 1/4W 5%
R962
47R 1/4W 5%
+
C922
2.2uF 50V
+
C922
2.2uF 50V
T902
ER-28L
T902
ER-28L
1
12
5
4
ZD905
MTZJ T-72 16B
ZD905
MTZJ T-72 16B
1 2
C912
1U 25V
C912
1U 25V
R907
1 MOHM +-1% 1/4W
R907
1 MOHM +-1% 1/4W
C954
470P 50V
C954
470P 50V
R930
1K 1/4W
R930
1K 1/4W
C942
330N 25V
C942
330N 25V
R941
2.61K
R941
2.61K
Q903
FQPF3N80C
Q903
FQPF3N80C
R951
47R
R951
47R
IC902
SG6961
IC902
SG6961
FB
1
Comp
2
Mult
3
CS
4
Vcc
8
Driver
7
GND
6
ZCD
5
D927
BAV21P
D927
BAV21P
R965
2M2 1/6W 5%
R965
2M2 1/6W 5%
CN901
SOCKET
CN901
SOCKET
1
2
R948
2.2K
R948
2.2K
C906
470pF/250V
C906
470pF/250V
+
C907
120uF/450V
+
C907
120uF/450V
HQ903HQ903
1
+
C951
470uF/16V
+
C951
470uF/16V
IC903
EL817MA
IC903
EL817MA
12
43
FB907FB907
D901
STTH5L06FP
D901
STTH5L06FP
+
C933
470UF 35V
+
C933
470UF 35V
C929
330P 50V_NC
C929
330P 50V_NC
Q920
RK7002
Q920
RK7002
R939
1.5K 1/4W
R939
1.5K 1/4W
IC907
EL817MA
IC907
EL817MA
12
43
D913
1N4148
D913
1N4148
R956
12K 1/8W 1%
R956
12K 1/8W 1%
R917
47OHM +-5% 1/8W
R917
47OHM +-5% 1/8W
CN903
CONN
CN903
CONN
1
2
3
4
5
6
7
8
9
10
11
12
13
14
Q919
PBHV9040T_NC
Q919
PBHV9040T_NC
1
23
C945
0.0022uF/500V
C945
0.0022uF/500V
C915
1U 25V
C915
1U 25V
C928
220PF/1KV_NC
C928
220PF/1KV_NC
R935
100 OHM
R935
100 OHM
R920
33K +-5% 1/8W_NC
R920
33K +-5% 1/8W_NC
+
C959
10UF/50V
+
C959
10UF/50V
C947
100pF
C947
100pF
R975
220R 1/8W 5%
R975
220R 1/8W 5%
R950
1K OHM 1/4W
R950
1K OHM 1/4W
ZD912
BZX79-C9V1
ZD912
BZX79-C9V1
1 2
T901T901
1
6
2
3
5
11
10
7
8
12
9
R913
10K 1/8W
R913
10K 1/8W
D926
BAV21P
D926
BAV21P
C961
100N 50V
C961
100N 50V
D910
1N4148
D910
1N4148
ZD909
BZX79-C9V1
ZD909
BZX79-C9V1
1 2
L921
0.8uH
L921
0.8uH
+
C958
10UF/50V
+
C958
10UF/50V
R966
330K 1/8W 5%
R966
330K 1/8W 5%
R908
1 MOHM +-1% 1/4W
R908
1 MOHM +-1% 1/4W
SG901
GS41-201MA_NC
SG901
GS41-201MA_NC
R931
0R05 1/4W
R931
0R05 1/4W
R934
15K 5% 3W
R934
15K 5% 3W
-
+
BD901
KBJ608G
-
+
BD901
KBJ608G
2
1
3
4
Q909
RK7002
Q909
RK7002
R944
2.2K OHM 1/8W
R944
2.2K OHM 1/8W
C903
0.001uF/250V
C903
0.001uF/250V
C901
470pF/250V
C901
470pF/250V
C930
10NF 25V
C930
10NF 25V
A01
Power
A01
18850_500_100107.eps
110830

Table of Contents

Related product manuals