EasyManua.ls Logo

Philips TPM5.1E - 10 Circuit Diagrams and PWB Layouts; Power 32 Dali A01

Philips TPM5.1E
99 pages
Print Icon
To Next Page IconTo Next Page
To Next Page IconTo Next Page
To Previous Page IconTo Previous Page
To Previous Page IconTo Previous Page
Loading...
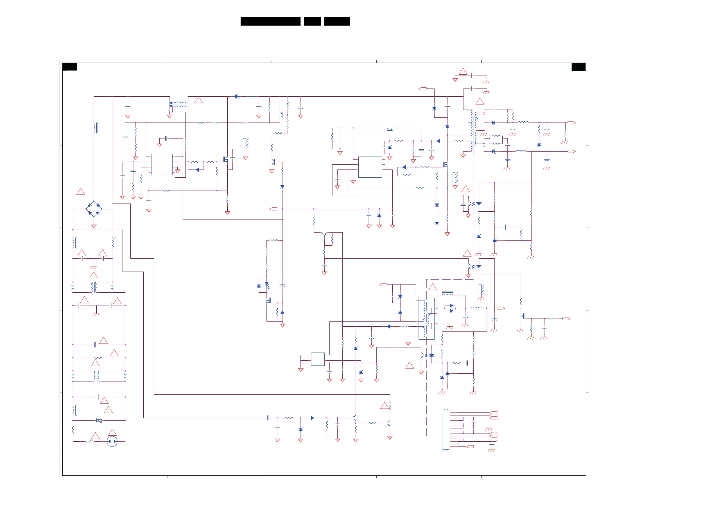
Circuit Diagrams and PWB Layouts
EN 49TPM5.1E LA 10.
2011-Sep-2
10. Circuit Diagrams and PWB Layouts
Power 32" Dali
1
1
2
2
3
3
4
4
5
5
A A
B
B
C C
D D
E E
B+
24V
12V
S/B
+5VSB
12V
S/B
24V
ENA
DIM
B+
Vdd-S
INV_OK
+5VSB
!
715G3816-P01
32" LIPS
!
!
!
!
!
!
!
!
!
!
!
!
!
!
!
!
HOT COLD
HOT COLD
T5.0AH 250V
!
!
FQPF3N80C
! !
BD901 B1 CN901 E1 CN902 E4 C901 C1
C902 C1 C903 C1 C904 A4 C905 A4
C906 D1 C907 A3 C908 D1 C909 A1
C910 E2 C911 C4 C912 D3 C913 D3
C914 D3 C915 E3 C916 C3 C917 B4
C918 B4 C919 A3 C920 B4 C921 B3
C922 B4 C923 B3 C924 A4 C925 A5
C926 A5 C927 A5 C928 A5 C929 B5
C930 B5 C931 B5 C932 C4 C933 C4
C934 D5 C935 D4 C936 D5 C937 E3
C938 A2 C939 E4 C940 E4 C941 E5
C942 A1 C943 B1 C944 B1 C945 B1
C946 A1 C947 B2 C948 B4 C949 C3
C950 C1 D902 E3 D904 D4 D905 C4
D906 B4 D907 B4 D908 A4 D909 A4
D910 A5 D911 B5 D912 C4 D913 B4
D914 B2 D915 C2 D916 C3 D917 A2
FB901 C1 FB902 C1 FB903 C4 FB904 A1
FB905 E1 FB906 A2 F901 E1 HD912 C4
HQ901 B4 HQ904 A2 IC901 D3 IC902 B3
IC903 B4 IC904 C5 IC905 C4 IC906 D4
IC907 D4 IC909 B1 LED901 C2 L901 D1
L902 C1 L903 A5 L904 B5 L905 C4
L906 A2 Q901 B4 Q902 E3 Q903 C3
Q904 B2 Q905 A4 Q907 C5 Q909 E4
Q910 B2 Q911 A3 Q912 C2 RV901 E1
R901 D1 R906 E3 R907 E3 R908 E3
R909 E3 R910 E4 R911 D3 R912 D3
R913 D3 R914 C3 R915 C3 R916 B3
R917 A3 R918 D4 R919 A4 R920 B4
R921 B4 R922 B4 R923 B4 R924 B4
R925 B4 R926 A4 R930 A5 R931 A5
R932 A5 R933 A5 R934 A5 R935 B5
R936 C5 R937 B5 R938 B5 R939 C5
R940 B4 R941 C5 R942 D5 R943 D5
R944 D4 R945 D4 R947 D4 R948 D4
R949 D4 R950 D4 R953 A5 R954 A2
R955 A2 R956 A2 R957 A1 R958 A1
R959 B1 R960 B1 R961 A2 R962 B2
R963 B2 R964 B2 R965 B1 R966 B2
R967 C2 R968 C2 R969 C2 R970 C3
R971 A2 R972 A3 R973 A3 R974 A3
R975 A2 R976 B3 SG901 D1 SG902 D1
SG903 C1 SG904 C1 TH901 E1 T901 A4
T902 C4 ZD902 E3 ZD903 D3 ZD904 C4
ZD905 A4 ZD906 A5 ZD907 C4 ZD908 D4
ZD909 B3 ZD910 D3 ZD911 A4 ZD912 B3
R947
10K5 1/8W 1%
R947
10K5 1/8W 1%
R922
10 OHM
R922
10 OHM
C940
0.1uF
C940
0.1uF
D915
BA591WS
D915
BA591WS
R938
1K OHM 1/8W
R938
1K OHM 1/8W
D913
RGP10D
D913
RGP10D
R953
1.2K OHM 1W_NC
R953
1.2K OHM 1W_NC
CN902CN902
1
2
3
4
5
6
7
8
9
10
11
12
13
14
R957
620R 1/8W 1%
R957
620R 1/8W 1%
R909
1K 1/4W 5%
R909
1K 1/4W 5%
C923
100P 50V
C923
100P 50V
L901
14mH 2.0A
L901
14mH 2.0A
1
4
2
3
R971
0R
R971
0R
HQ904HQ904
1
2
C902
470pF/250V
C902
470pF/250V
D910
HER303G-18
D910
HER303G-18
L902
6mH 2.0A
L902
6mH 2.0A
1
4
2
3
C916
0.01uF_NC
C916
0.01uF_NC
C906
0.47uF/275V
C906
0.47uF/275V
R924
1K 1/8W
R924
1K 1/8W
R975
3.3M_NC
R975
3.3M_NC
C908
0.47uF/275V
C908
0.47uF/275V
R933
100 OHM
R933
100 OHM
R932
100 OHM
R932
100 OHM
Q911
PBHV9040T_NC
Q911
PBHV9040T_NC
1
23
C943
330N 25V
C943
330N 25V
+
C926
470uF 35V
+
C926
470uF 35V
C931 22nF25VC931 22nF25V
HQ901HQ901
1
C945
10N 50V
C945
10N 50V
C941
0.1uF
C941
0.1uF
R912
47R
R912
47R
R943
1KOHM +-5% 1/8W
R943
1KOHM +-5% 1/8W
R931
100 OHM
R931
100 OHM
+
C927
47uF/50V
+
C927
47uF/50V
R908
2K2 1/8W 5%
R908
2K2 1/8W 5%
Q909
PMBTA45
Q909
PMBTA45
R940
100 OHM
R940
100 OHM
R958
18.7K
R958
18.7K
SG901
GS41-201MA
SG901
GS41-201MA
C938
1.5NF/1KV
C938
1.5NF/1KV
L904
0.8uH
L904
0.8uH
+
C933
2200uF 10V
+
C933
2200uF 10V
R954
1M 1/4W 1%
R954
1M 1/4W 1%
IC907
KIA431A-AT/P
IC907
KIA431A-AT/P
R944
0R
R944
0R
R930
100 OHM
R930
100 OHM
C950
470pF/250V
C950
470pF/250V
SG903
GS41-201MA
SG903
GS41-201MA
C914
0.1uF
C914
0.1uF
C919
0.01uF
C919
0.01uF
C925
470PF/1KV
C925
470PF/1KV
R923
22K +-5% 1/8W
R923
22K +-5% 1/8W
L905
0.8uH
L905
0.8uH
+
C921
22uF/50V
+
C921
22uF/50V
R968
220R 1/8W 5%
R968
220R 1/8W 5%
IC905
EL817MA
IC905
EL817MA
12
43
F901F901
3
4
1
2
R919
10KOHM +-5% 1/8W
R919
10KOHM +-5% 1/8W
C946
2U2 25V
C946
2U2 25V
C915
0.33uF
C915
0.33uF
FB905
BEAD
FB905
BEAD
12
C942
560PF
C942
560PF
R956
1MOHM +-1% 1/4W
R956
1MOHM +-1% 1/4W
R925
0R82 1W 5%
R925
0R82 1W 5%
ZD912
MTZJ T-72 3.3B_NC
ZD912
MTZJ T-72 3.3B_NC
12
Q901
TO-220F
Q901
TO-220F
+
C929
1000uF/16V
+
C929
1000uF/16V
R936
2.61K
R936
2.61K
R907
430K
R907
430K
R950
0R051/8W
R950
0R051/8W
R961
47KOHM +-5% 1/8W
R961
47KOHM +-5% 1/8W
+
C930
47uF/50V
+
C930
47uF/50V
SG902
GS41-201MA
SG902
GS41-201MA
R963
4R7 1/8W 5%
R963
4R7 1/8W 5%
R926
100 OHM 1/4W
R926
100 OHM 1/4W
R913
390K
R913
390K
TH901
NTCR
TH901
NTCR
C917
330P 50V
C917
330P 50V
R911
12K
R911
12K
ZD903
BZX79-C15
ZD903
BZX79-C15
1 2
C936
0.01uF
C936
0.01uF
RV901
TVR14561KFC4FY
RV901
TVR14561KFC4FY
R973
3.3M_NC
R973
3.3M_NC
+
C934
47uF/50V
+
C934
47uF/50V
D907
LL4148
D907
LL4148
ZD908
MTZJ T-72 6.2B
ZD908
MTZJ T-72 6.2B
1 2
C903
470pF/250V
C903
470pF/250V
C932
0.0022uF/500V
C932
0.0022uF/500V
R937
4.7K OHM 1/8W
R937
4.7K OHM 1/8W
R916
4.7R
R916
4.7R
Q905
BC857C
Q905
BC857C
R970
1M 1/8W 5%
R970
1M 1/8W 5%
R935
10K 1/8W 1%
R935
10K 1/8W 1%
C904
2200PF/250V
C904
2200PF/250V
C918
1N 50V
C918
1N 50V
R974
3.3M_NC
R974
3.3M_NC
+
C912
47uF/50V
+
C912
47uF/50V
D916
1N4148
D916
1N4148
R976
33K_NC
R976
33K_NC
D914
1N4148
D914
1N4148
R966
0R15 1W 1%
R966
0R15 1W 1%
D902
BAV21
D902
BAV21
R915
10K OHM 1/4W
R915
10K OHM 1/4W
C948
330N 50V
C948
330N 50V
SG904
GS41-201MA
SG904
GS41-201MA
ZD906
P6KE13A
ZD906
P6KE13A
1 2
R939
1.5K
R939
1.5K
ZD904
P6KE160A
ZD904
P6KE160A
12
D908
RGP10D
D908
RGP10D
+
C949
10UF/50V
+
C949
10UF/50V
R962
47R
R962
47R
R918
0R05 1/4W
R918
0R05 1/4W
Q912
RK7002
Q912
RK7002
R920
1.5K 1/4W
R920
1.5K 1/4W
IC901
TNY274PN-TL
IC901
TNY274PN-TL
EN/UV
1
BP/M
2
D
4
S
5
S
6
S
7
S
8
R972
100K_NC
R972
100K_NC
R964
22K
R964
22K
C901
470pF/250V
C901
470pF/250V
R949
3.3K
R949
3.3K
L906
CC-011310
L906
CC-011310
1
125
4
678
+
C907
120uF 450V
+
C907
120uF 450V
Q910
PMBTA45_NC
Q910
PMBTA45_NC
FB904
BEAD
FB904
BEAD
12
FB902
BEAD
FB902
BEAD
12
R945
12K 1/8W 1%
R945
12K 1/8W 1%
CN901
SOCKET
CN901
SOCKET
1
2
R941
2.2K OHM 1/8W
R941
2.2K OHM 1/8W
IC902
NCP1271D65R2G
IC902
NCP1271D65R2G
Skip/latch
1
FB
2
CS
3
GND
4
VCC
6
DRV
5
NC
7
HV
8
C924
0.0022uF/500V
C924
0.0022uF/500V
L903
0.8uH
L903
0.8uH
C947
220PF/1KV_NC
C947
220PF/1KV_NC
T901
POWER ER-28
T901
POWER ER-28
1
6
2
3
5
9
11
12
7
8
10
FB906FB906
C909
1uF/520V
C909
1uF/520V
D906
RGP10D
D906
RGP10D
R934
47R
R934
47R
HD912HD912
1
C910
1500pF
C910
1500pF
R914
22K 1/8W
R914
22K 1/8W
R965
330R
R965
330R
R960
39K
R960
39K
31DF6
D917
31DF6
D917
D905
UF1007
D905
UF1007
R955
1M 1/4W 1%
R955
1M 1/4W 1%
+
C920
47UF 50V_NC
+
C920
47UF 50V_NC
-
+
BD901
TS4B06G
-
+
BD901
TS4B06G
2
1
3
4
3
T902
PPH7019AL
3
T902
PPH7019AL
2
1
4
5
7
8
10
9
C928
470PF/1KV
C928
470PF/1KV
C911
2n2/500V
C911
2n2/500V
12
ZD907
MTZJT-7213B
ZD907
MTZJT-7213B
1 2
IC904
KIA431A-AT/P
IC904
KIA431A-AT/P
Q907
RK7002
Q907
RK7002
ZD902
BZX79-C9V1
ZD902
BZX79-C9V1
1 2
R959
33K
R959
33K
ZD905
BZX79-B18
ZD905
BZX79-B18
1 2
D911
SR310-24
D911
SR310-24
1 2
D912 SP1060D912 SP1060
1
3
2
C939
0.1uF
C939
0.1uF
R901 1M2 5% 1/2W_NCR901 1M2 5% 1/2W_NC
D909
UF1007
D909
UF1007
R948
100R 1/8W 5%
R948
100R 1/8W 5%
R967
22R 1/6W 5%
R967
22R 1/6W 5%
C913
100pF
C913
100pF
C922
1U 25V
C922
1U 25V
R910
15K OHM 2W
R910
15K OHM 2W
R942
330K
R942
330K
C937
22N 50V_NC
C937
22N 50V_NC
C905
2200PF/250V_NC
C905
2200PF/250V_NC
D904
RGP10D
D904
RGP10D
LED901
LED
LED901
LED
12
Q902
BC857C
Q902
BC857C
Q903
MMBT2907AK
Q903
MMBT2907AK
1
23
R917
10K
R917
10K
IC909
SG6961
IC909
SG6961
FB
1
Comp
2
Mult
3
CS
4
Vcc
8
Driver
7
GND
6
ZCD
5
FB901
BEAD
FB901
BEAD
12
Q904
FMV11N60ES
Q904
FMV11N60ES
R906
100K 1/4W
R906
100K 1/4W
ZD909
BZX79-C20
ZD909
BZX79-C20
1 2
C935
0.1uF
C935
0.1uF
R921
100 OHM +-5% 1/8W
R921
100 OHM +-5% 1/8W
IC903
EL817MA
IC903
EL817MA
12
43
C944
1U 25V
C944
1U 25V
IC906
EL817MA
IC906
EL817MA
12
43
ZD911
P6KE200A
ZD911
P6KE200A
12
ZD910
BZX79-C9V1
ZD910
BZX79-C9V1
1 2
FB903
BF-L25030W-768
FB903
BF-L25030W-768
1
2
R969
220R 1/8W 5%
R969
220R 1/8W 5%
18850_504_100107.eps
110830
A01
Power
A01

Table of Contents

Related product manuals