EasyManua.ls Logo

Philips VR730/07 - AFV Schematic Diagram

Philips VR730/07
46 pages
Print Icon
To Next Page IconTo Next Page
To Next Page IconTo Next Page
To Previous Page IconTo Previous Page
To Previous Page IconTo Previous Page
Loading...
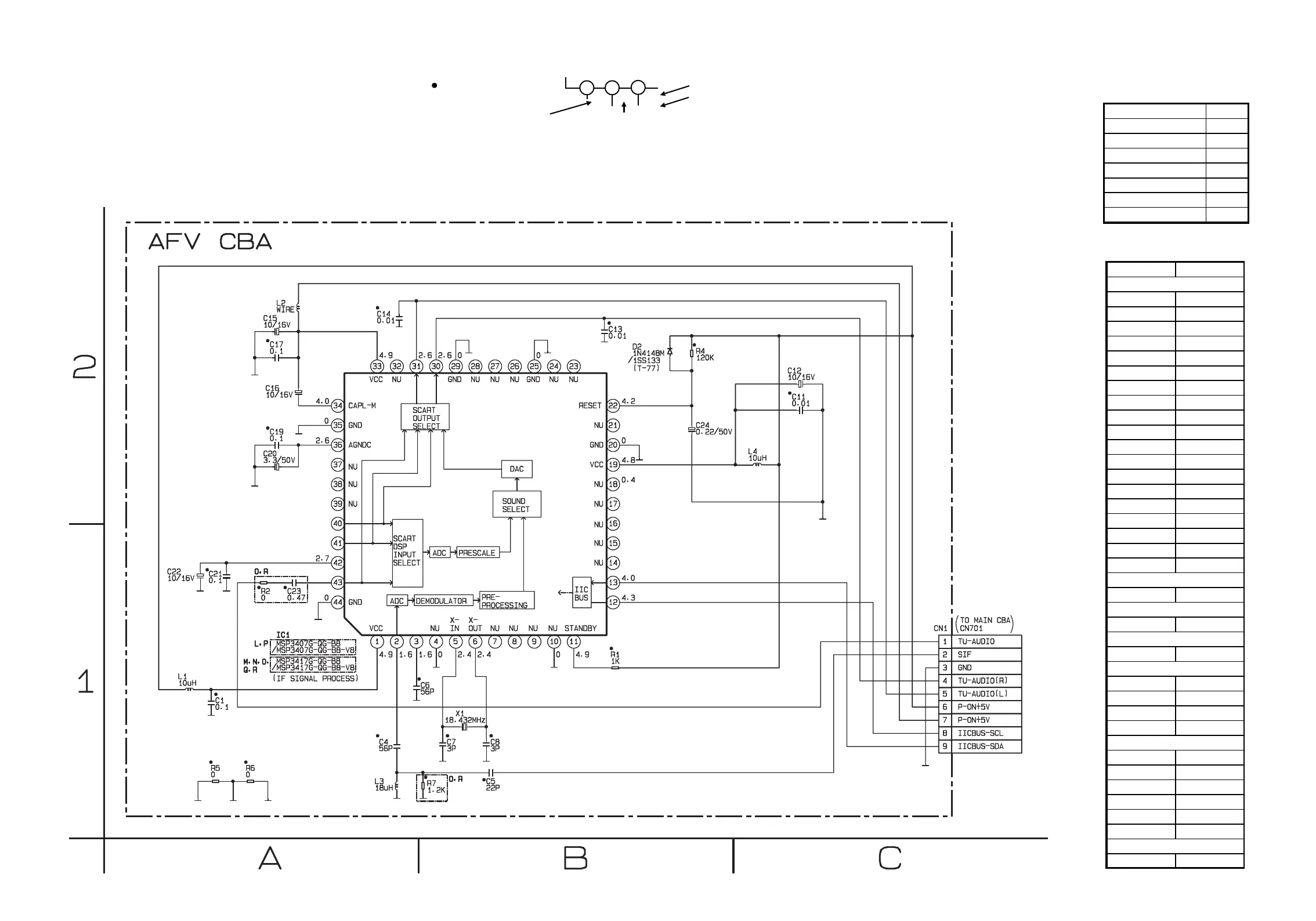
AFV Schematic Diagram
1-10-69
1-10-70
HC470SCAFV
THE SAME VOLTAGE FOR
BOTH PLAY & REC MODES.
INDICATES THAT THE VOLTAGE
IS NOT CONSISTENT HERE.
MODE: SP/REC
PLAY MODE
REC MODE
1
2
3
5.0
5.0
(2.5)
~
ā€œ ā€œ = SMD
AFV Schematic Diagram
Parts Location Guide
Ref No. Position
C1 A-1
C4 A-1
C5 B-1
C6 B-1
C7 B-1
C8 B-1
C11 C-2
C12 C-2
C13 B-2
C14 A-2
C15 A-2
C16 A-2
C17 A-2
C19 A-2
C20 A-2
C21 A-1
C22 A-1
C23 A-1
C24 B-2
CN1 C-1
D2 B-2
IC1 A-1
L1 A-1
L2 A-2
L3 A-1
L4 C-2
R1 B-1
R2 A-1
R4 B-2
R5 A-1
R6 A-1
R7 B-1
X1 B-1
CAPACITORS
CONNECTOR
RESISTORS
IC
DIODE
CRYSTAL OSCILLATORS
COILS

Related product manuals