EasyManua.ls Logo

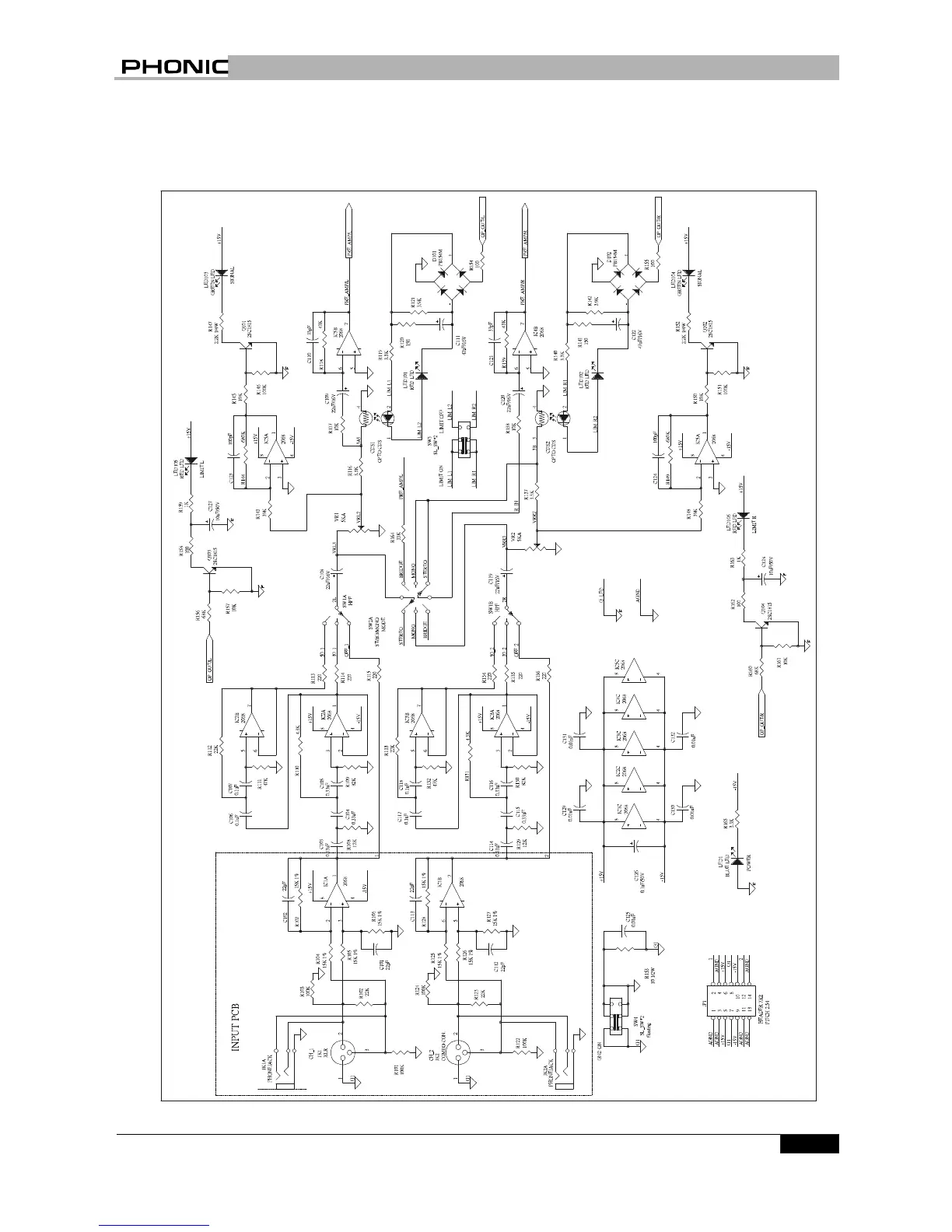
Phonic MAX 860 - Power Amplifier Input (Right) Schematic

Phonic MAX 860
27 pages
Print Icon
To Next Page IconTo Next Page
To Next Page IconTo Next Page
To Previous Page IconTo Previous Page
To Previous Page IconTo Previous Page
Loading...
Page8
PHONICCORPORATION
POWERAMPINPUT(R)SCHEMATIC
POWERAMPINPUT(R)SCHEMATIC
MAX860/1500/2500 SERVICEMANUAL

Related product manuals