EasyManua.ls Logo

PIAGGIO X9 Evolution 500 - Page 57

PIAGGIO X9 Evolution 500
150 pages
Print Icon
To Next Page IconTo Next Page
To Next Page IconTo Next Page
To Previous Page IconTo Previous Page
To Previous Page IconTo Previous Page
Loading...
Specification Desc./Quantity
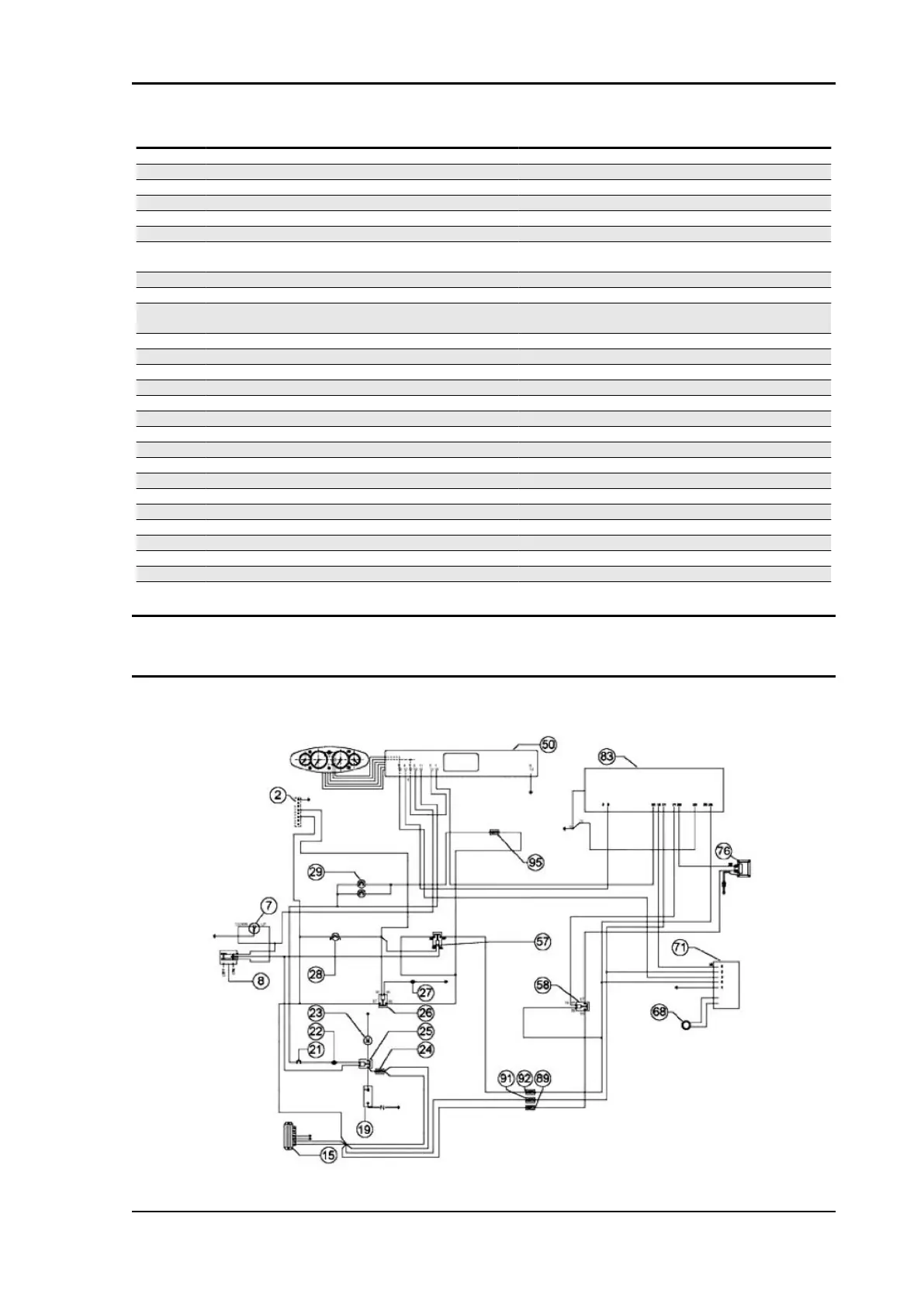
26 Light switch with flash
27 Indicators switch
28 Horn button
29 Emergency flashing button
30 Reset button
31 Horn
32 LH taillight with sidelights bulb 5W and flashing light bulb
10W
33 Rear tail light with 5 2.3W bulbs
34 Number plate light bulb 12V-5W
35 Rh taillight with sidelights bulb 5W and flashing light bulb
10W
36 Battery 12V-14Ah
37 Front brake stop button
38 Engine stop switch
39 Wheel rpm sensor
40 Front RH direction indicator with 10W bulb
41 Main remote control switch
42 Light switch
43 Start up button
44 Side stand button
45 Key switch
46 Radio display
47 Electric fan remote control
48 30A fuse with start-up remote control switch
49 Radio/intercom/handsfree control unit
50 No. 2 pump remote control switches
51 Stuck relay indicator
52 No. 2 headlight remote control switches
Conceptual diagrams
Ignition
X9 Evolution 500 Electrical system
ELE SYS - 57

Table of Contents

Other manuals for PIAGGIO X9 Evolution 500

Related product manuals