EasyManua.ls Logo

Plot MAM-880 - Electrical Diagram

Plot MAM-880
22 pages
Print Icon
To Previous Page IconTo Previous Page
To Previous Page IconTo Previous Page
Loading...
Page 22 of 22
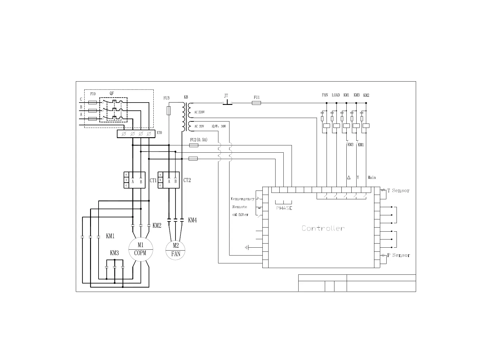
9Electrical diagram
18
1716
15
14
13
uc
uaub
C1
RS-485
B
A
1
FG
22
23
24
25 26
27
28 29 30 31
a
CT2
21
20
19
2
3
4
56
7
8910
b
c
A
B
C
CT1
11 12

Table of Contents