EasyManua.ls Logo

Plusivo DM401B - Example

Default Icon
50 pages
Print Icon
To Next Page IconTo Next Page
To Next Page IconTo Next Page
To Previous Page IconTo Previous Page
To Previous Page IconTo Previous Page
Loading...
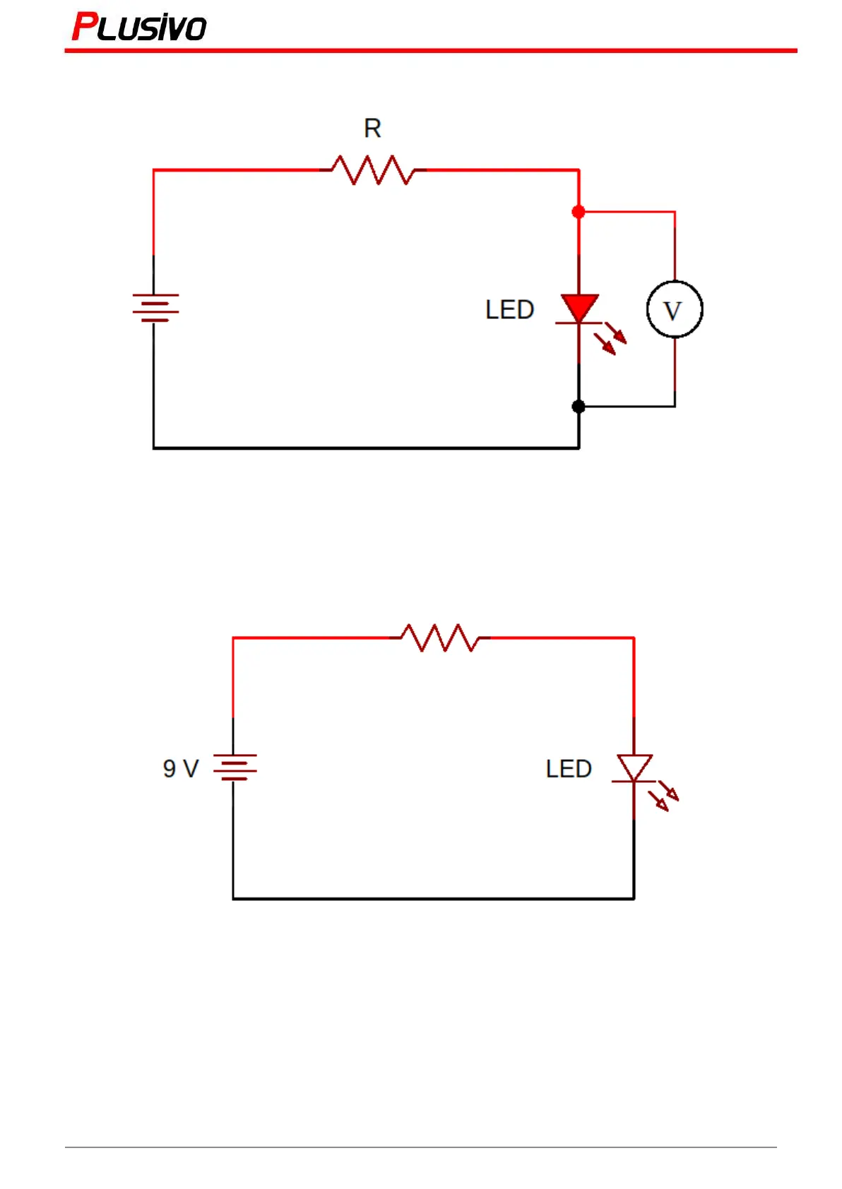
We need to know the voltage around the LED. Usually, a 5 mm LED needs 15 - 30 mA to be in
good lighting. After knowing the forward voltage for the LED, it is easy to calculate the resistance.
To measure the forward voltage we connect a high value resistor, so we ensure that a low current
will pass through the LED.
8.5.1 Example
Calculate the resistance in the following circuit for a red LED to make it consume around 20 mA.
Now, we need to build the circuit with a red LED, and we will use a high resistor, in our case, we
will use a 2.2 resistor and measure the forward voltage using the multimeter.
36
Mastering the Art of Measurement (DM401B Smart Digital Multimeter) r.01 www.plusivo.com

Related product manuals