EasyManua.ls Logo

Plusivo DMM - 6.2 Joules Law for Electrical Power

Plusivo DMM
51 pages
Print Icon
To Next Page IconTo Next Page
To Next Page IconTo Next Page
To Previous Page IconTo Previous Page
To Previous Page IconTo Previous Page
Loading...
6.2 Joule's Law for Electrical Power
Electric power is the rate of the emitting power from a resistor per unit time, the unit
of power is watt.
𝑃 = 𝐼 Β· 𝑉
𝑃 = 𝐼
2
Β· 𝑅
𝑃 =
𝑉
2
𝑅
P is the power on the resistor.
I is the current through the resistor.
V is the voltage around the resistor.
R is the resistance.
Note: There are many types of emitting power, it may be a rotary power, light, heat, etc.
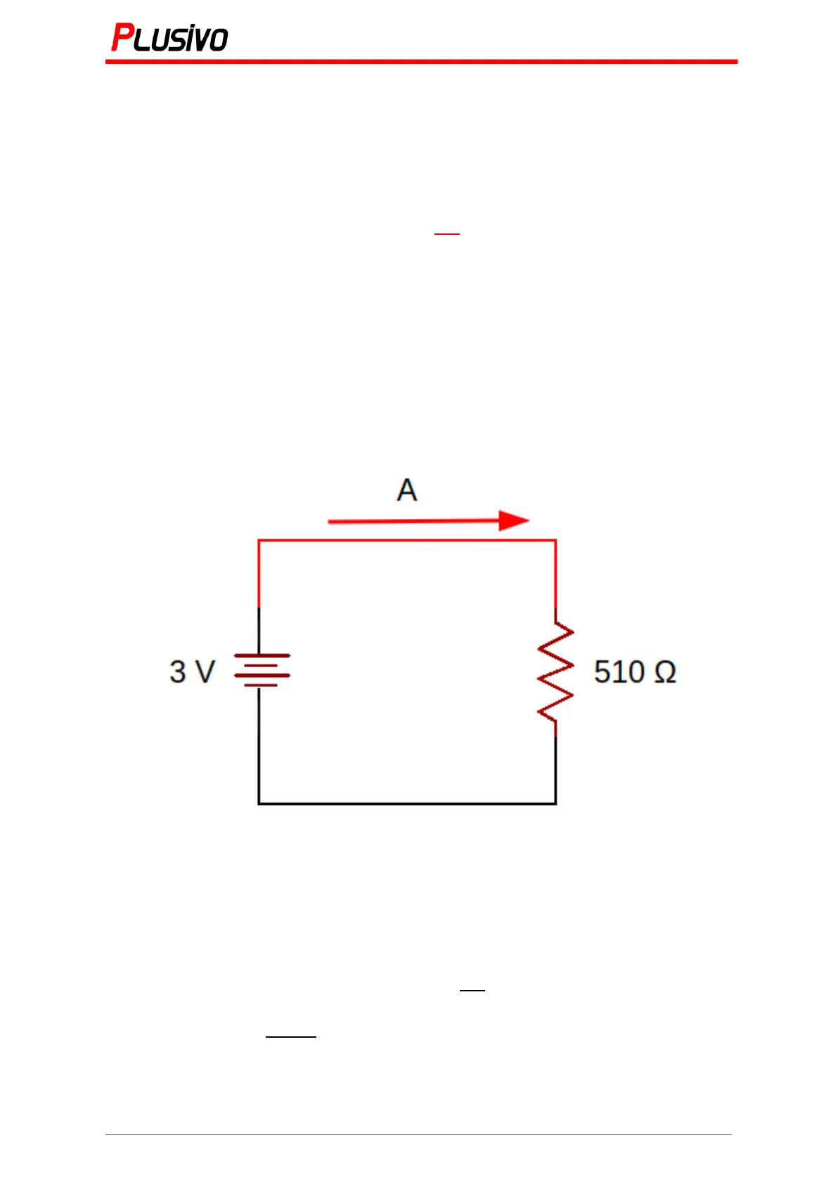
6.2.1 Example
Calculate the power on the resistor.
To calculate the power on the resistor, we need any two values of these: Voltage,
Current or Resistance.
In our example, we have the voltage and the resistance, so we can use this formula:
𝑃 =
𝑉
2
𝑅
(3 𝑉)
2
510 Ξ©
= 0. 0176 π‘Š = 17. 6 π‘šπ‘Š
24
Mastering the Art of Measurement (Digital Multimeter) r.01 www.plusivo.com

Related product manuals