EasyManua.ls Logo

Polaris GEM E Series - Page 112

Polaris GEM E Series
174 pages
Print Icon
To Next Page IconTo Next Page
To Next Page IconTo Next Page
To Previous Page IconTo Previous Page
To Previous Page IconTo Previous Page
Loading...
5 - 65 ELECTRICAL
GEM Service Manual November 2007
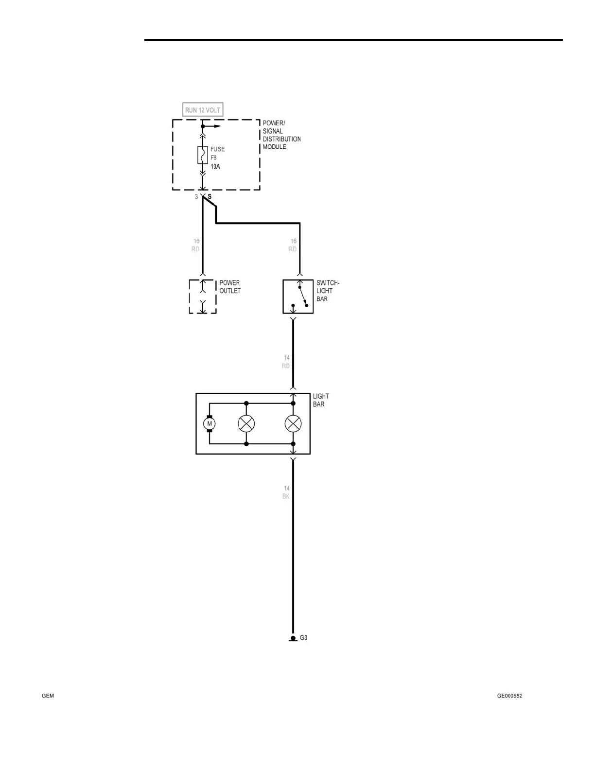
SECURITY LIGHT BAR

Table of Contents

Related product manuals