EasyManua.ls Logo

Polaris RZR 900 2015 - Eps Break-Out Diagram

Polaris RZR 900 2015
543 pages
Print Icon
To Next Page IconTo Next Page
To Next Page IconTo Next Page
To Previous Page IconTo Previous Page
To Previous Page IconTo Previous Page
Loading...
11
9926814 R08 - 2015-2016 RZR 900 2016 RZR S 1000 Service
Manual
© Copyright Polaris Industries Inc.
11.39
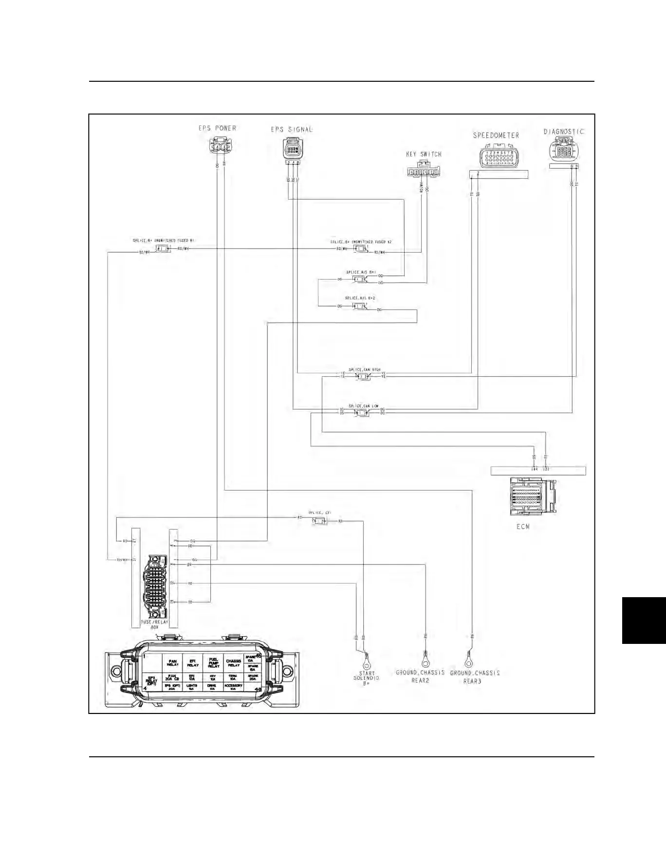
EPS BREAK-OUT DIAGRAM
ELECTRICAL

Table of Contents

Related product manuals