EasyManua.ls Logo

Ponast KP 21 - Page 52

Default Icon
59 pages
Print Icon
To Next Page IconTo Next Page
To Next Page IconTo Next Page
To Previous Page IconTo Previous Page
To Previous Page IconTo Previous Page
Loading...
Automatic boiler for wood pellets
Instructions for installation and operation
51
Note:
If the reference temperature value is adjusted to =0, the control routines are put out of operation
(turned off)!
Note:
Changes in adjustment of values are accepted by the control unit after the RESET of the equipment
- the control unit has to be truned off and on!
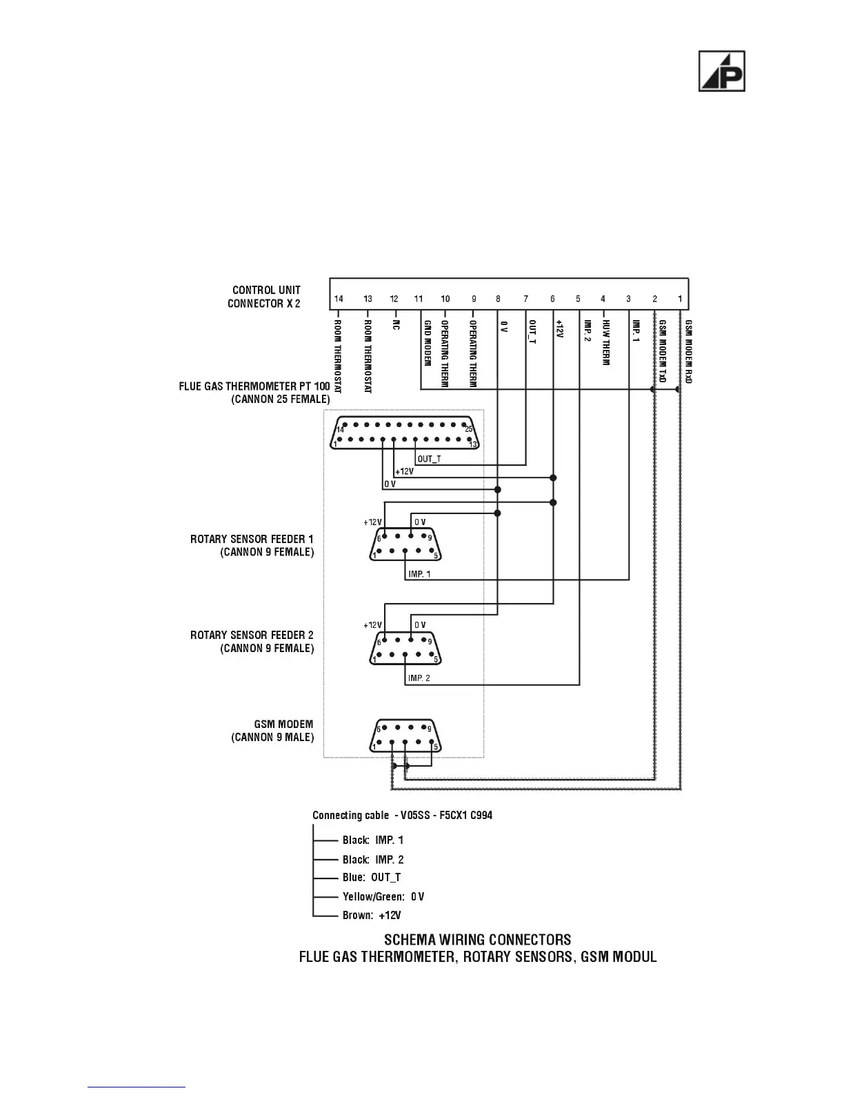
Software change in circuitry - from the serial number 291/2006 on.
Use - in case of products family KPxx equipped with combustion products thermometer.
Figure number Ti001/3

Table of Contents

Other manuals for Ponast KP 21

Related product manuals