EasyManua.ls Logo

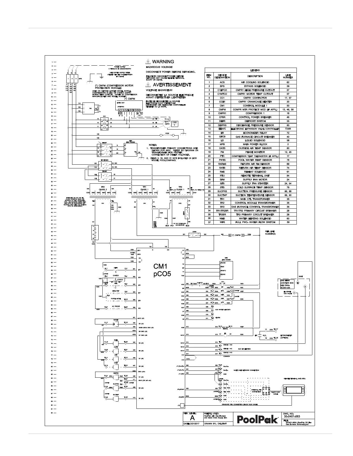
PoolPak ComPak AW 2600 - Figure 6-11. Roofcompak Factory Wiring Diagram

Default Icon
92 pages
Print Icon
To Next Page IconTo Next Page
To Next Page IconTo Next Page
To Previous Page IconTo Previous Page
To Previous Page IconTo Previous Page
Loading...
© 2017 PoolPak LLC. All rights reserved. ComPak
®
Series - Installation, Operation and Maintenance | 81
ComPak
®
Series IOM
Figure 6-11. RoofComPak Factory Wiring Diagram
n
a
l

Table of Contents

Related product manuals