EasyManua.ls Logo

POSIFLEX PP-7900 - Page 15

POSIFLEX PP-7900
16 pages
Print Icon
To Next Page IconTo Next Page
To Next Page IconTo Next Page
To Previous Page IconTo Previous Page
To Previous Page IconTo Previous Page
Loading...
15
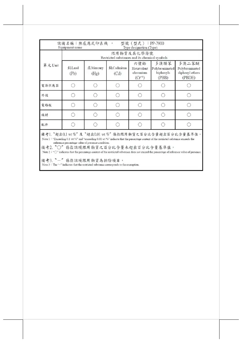
BSMI ROHS