EasyManua.ls Logo

Power SUA2000iD - Circuit Diagram

Power SUA2000iD
120 pages
Print Icon
To Next Page IconTo Next Page
To Next Page IconTo Next Page
To Previous Page IconTo Previous Page
To Previous Page IconTo Previous Page
Loading...
Page 30
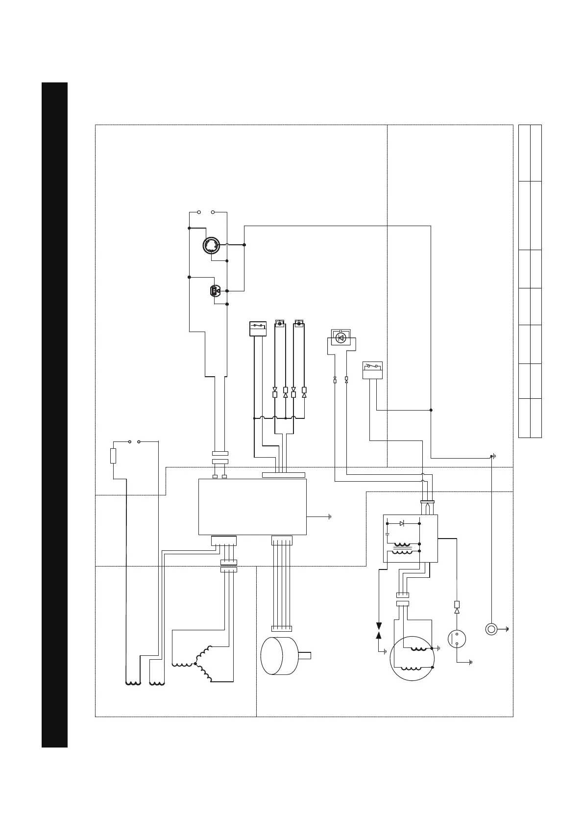
Circuit Diagram
CIRCUIT DIAGRAM
Model:SUA2000iD
Grounding system(AC): Neutral Bonded to Frame
B:BLACK
Br:BROWN
G:GREEN
Gy:GRAY
L:BLUE
O:ORANGE
R:RED
W:WHITE
Y:YELLOW
P:PINK
B/W:BLACK/WHITE
Y/G:YELLOW/GREEN
R/W:RED/WHITE
Grounding system(DC): System Floating
:
:
%
%
%
/
3
<
5
%U
5:
%
%
<
*<
/
2
%:
%
:
%
%U
5:
/
2
5
%
%:
6HFRQGDU\
FRLO
'&FRLO
6WDWRU
FRLO
6WHSSLQJ
PRWRU
7ULJJHU
/RZRLOVKXWGRZQ
PRGXOH
(QJLQH
VZLWFK
*1'
,JQLWLRQFRLO
&RQWURO
PRGXOH
(1*,1(
&21752/3$1(/
2
%
:
/
2
3DUDOOHO
3RUWV
86%
/
/
%% %
:
::
*<
*<
*<
*<
$/7(51$725
9$
$
5
$
/5
6HQVRU
)XVH$
$&SLORWOLJKW
:
%U
:
(FRQRP\FRQWURO
VZLWFK
2YHUORDGLQGLFDWRU
OLJKW
%
:
5
2LOZDUQLQJOLJKW

Table of Contents

Related product manuals