EasyManua.ls Logo

Power SUA2000iD - Diagrama de Circuitos

Power SUA2000iD
120 pages
Print Icon
To Next Page IconTo Next Page
To Next Page IconTo Next Page
To Previous Page IconTo Previous Page
To Previous Page IconTo Previous Page
Loading...
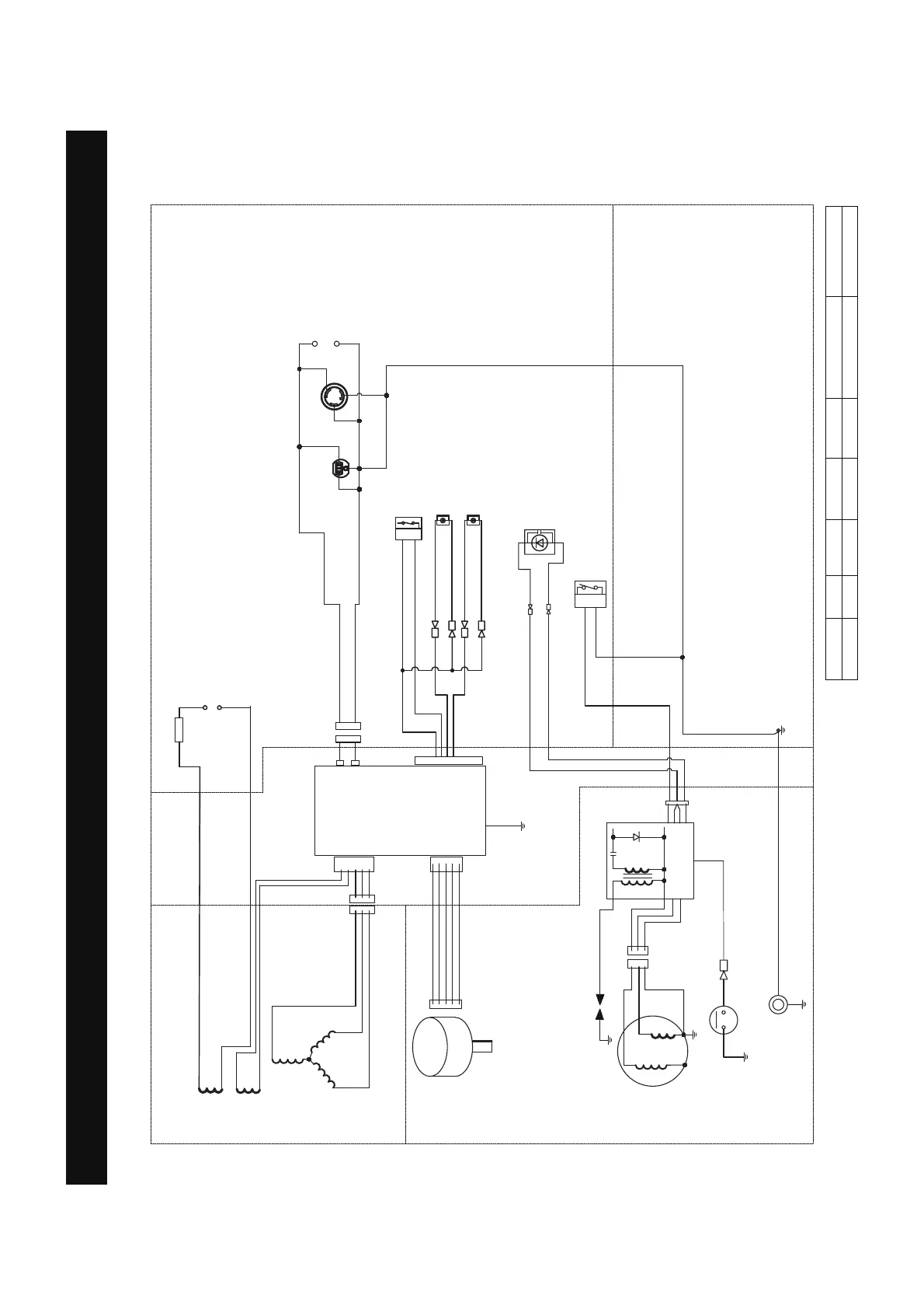
Página 32
Diagrama de Circuito
DIAGRAMA DE CIRCUITO
Sistema de puesta a tierra (CA): Neutro unido al marco
Système de mise à la terre (DC) : système flottant
Modelo:SUA2000iD
B:NEGRO
Br:MARRÓN
G:VERDE
Gy:GRIS
L:AZUL
O:NARANJA
R:ROSA
W:MBLANCO
Y:AMARILLO
P:ROSA
B/W:NEGRO/BLANCO
Y/G:AMARILLO/VERDE
R/W:ROJO/BLANCO
:
:
%
%
%
/
3
<
5
%U
5:
%
%
<
*<
/
2
%:
%
:
%
%U
5:
/
2
5
%
%:
%RELQD
VHFXQGDULD
%RELQD'&
%RELQD
GHOHVWDWRU
0RWRU
SDVRD
SDVR
'HVHQFDGHQDU
0qGXORGHSDUDGDGH
DFHLWHEDMRVHQVRU
,QWHUUXSWRUGHOPRWRU
*1'
%RELQDGH
HQFHQGLGR
0qGXORGH
FRQWURO
02725
3$1(/'(&21752/
2
%
:
/
2
3XHUWRVSDUDOHORV
86%
/
/
%% %
:
::
*<
*<
*<
*<
$/7(51$'25
9$
$
5
$
/5
)XVLEOH$
/X]SLORWRGH&$
:
%U
:
,QWHUUXSWRUGHFRQWURO
HFRQqPLFR
/X]LQGLFDGRUDGH
VREUHFDUJD
%
:
5
/X]GHDGYHUWHQFLDGHDFHLWH

Table of Contents

Related product manuals