EasyManua.ls Logo

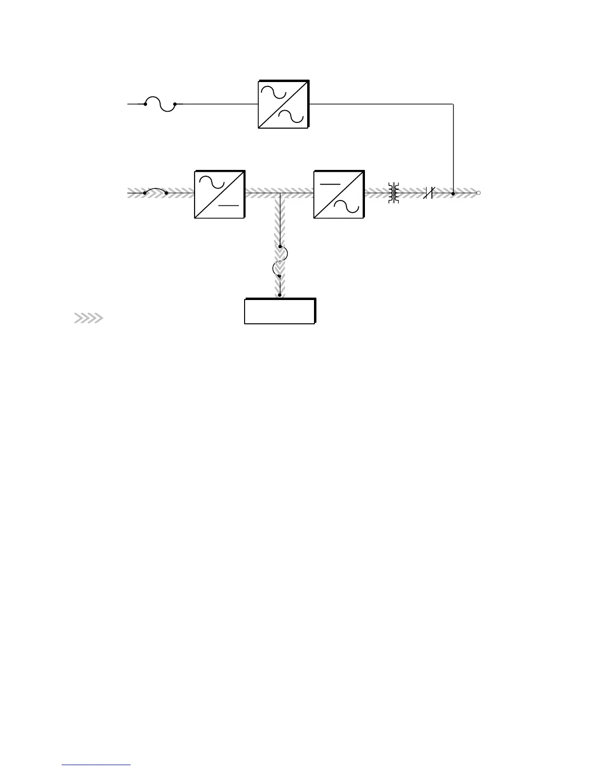
Powerware 9315 UPS - Figure 3-1. Path of Current through the UPS in Normal Mode

Powerware 9315 UPS
84 pages
Print Icon
To Next Page IconTo Next Page
To Next Page IconTo Next Page
To Previous Page IconTo Previous Page
To Previous Page IconTo Previous Page
Loading...
Understanding UPS Operation
3−2
EATON Powerware
®
9315 UPS (200–300 kVA) Operation Manual S 164201036 Rev G www.powerware.com
Bypass
Input
Rectifier
Input
Output
Path of electrical power
Battery
Rectifier Inverter
Bypass
K4
Transformer
K3
(Closed)
CB1
Figure 3-1. Path of Current Through the UPS in Normal Mode
If the utility AC power is interrupted or is out of specification, the UPS automatically
switches to Battery mode to support the critical load with no interruption. When utility
power returns, the UPS returns to Normal mode.
If the UPS system becomes overloaded, the UPS switches to Bypass mode. The UPS
automatically returns to Normal mode when the error condition is cleared and system
operation is restored within specified limits.
If the UPS suffers an internal failure, it switches automatically to Bypass mode and remains
in that mode until the failure is corrected and the UPS is back in service.

Table of Contents

Related product manuals