EasyManua.ls Logo

Prestige 75 - Electrical Connection; Wiring Diagram: Prestige Solo 50 - 75

Prestige 75
48 pages
Print Icon
To Next Page IconTo Next Page
To Next Page IconTo Next Page
To Previous Page IconTo Previous Page
To Previous Page IconTo Previous Page
Loading...
EN 11
ENGLISHFRANCAISNEDERLANDSESpAñoLITALIANoDEuTSCH
664Y3300
230V
Br
B
Br
B
Y/Gr
M
M
P P
t
BUS B
BUS A
X11.
X12.
Br
B
Y/Gr
Br
B
B
Br
B
R
Bk
V
W
Y/Gr
B
Br
B
Br
G
R
V
G
R
V
Or Or VG
R
W
V
R
Bk
B
Bk
Or
Br
RRB
Br
B
RB
Br
Bk
V
G
Or
B
Bk
Br
R
Bk
Br
G
R
B
V
Y/Gr
Y/Gr
B
W
B
R
Y/Gr
Y/Gr
B
R
B
BB
X1.6
X1.5
X1.4
X1.3
X1.2
X7
X10.6
X10.7
X10.1
X10.3
X1.1
X2.12
X2.11
X2.10
X2.9
X2.8
X2.7
X2.6
X2.5
X2.4
X2.3
X2.2
X2.1
X3.6
X3.5
X3.4
X3.3
X3.2
X3.1
X4.3
X4.2
X4.1
X5.4
X5.3
X5.2
X5.1
1 2 3 4 5 6 7 8 9 10 11 12 13
1 2 3 4 5 6
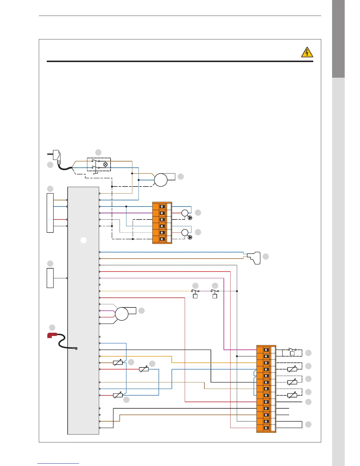
ELECTRICAL CoNNECTIoN
WIRING DIAGRAM: PRESTIGE SOLO 50 - 75
1. 230V power cord
2. On/Off switch
3. Heating circulator (optional)
4. Domestic hot water circulator (optional)
5. Burner feed
6. Gas valve rectifier
7. 230 Volt - 24 Volt transformer
8. MCBA
9. Display
10. Gas pressure switch
11. Low-water-level pressure switch
B. Blue
Bk. Black
Br. Brown
G. Grey
Or. Orange
R. Red
V. Violet
W. White
Y/Gr. Yellow/Green
12. Burner PWM plug
13. NTC1 flow sensor
14. NTC2 return sensor
15. NTC5 flue-gas temperature sensor
16. Room thermostat (optional)
17. NTC3 hot water sensor (optional)
18. NTC4 outside temperature sensor (optional)
19. Flow sensor of second NTC6 heating circuit (optional)
20. Zero volt of 24V circuit
21. RAM high limit thermostat (optional)
22. Ignition and ionisation cable
1
2
3
4
5
6
7
9
8
10 11
12
13
14
15
16
17
18
19
20
21
22

Related product manuals