EasyManua.ls Logo

Prestige 75 - Wiring Diagram: Prestige Solo 120

Prestige 75
48 pages
Print Icon
To Next Page IconTo Next Page
To Next Page IconTo Next Page
To Previous Page IconTo Previous Page
To Previous Page IconTo Previous Page
Loading...
EN 12
ENGLISHFRANCAISNEDERLANDSESpAñoLITALIANoDEuTSCH
664Y3300
230
V
Br
B
Br
B
Y/Gr
M
M
P P
t
BUS B
BUS A
X11.
X12.
Br
B
Y/Gr
Br
B
B
Br
B
R
Bk
V
W
Y/Gr
B
Br
B
Br
G
R R
V
G
R
V
Or
Or VG
R
W
V
R
Bk
B
Or
Br
R R B
Br
B
R B
Br
Or
Bk
Bk
V
G
Or
B
Bk
Br
R
Bk
Br
G
R
B
V
Y/Gr
Y/Gr
B
W
B
R
Y/Gr
Y/Gr
B
R
B
B B
B
Br
EV2
EV1
t
X1.6
X1.5
X1.4
X1.3
X1.2
X7
X10.6
X10.7
X10.1
X10.3
X1.1
X2.12
X2.11
X2.10
X2.9
X2.8
X2.6
X2.5
X2.4
X2.3
X2.2
X2.1
X3.6
X3.5
X3.4
X3.3
X3.2
X3.1
X4.3
X4.2
X4.1
X5.4
X5.3
X5.2
X5.1
1 2 3 4 5 6 7 8 9 10 11 12 13
1 2 3 4 5 6
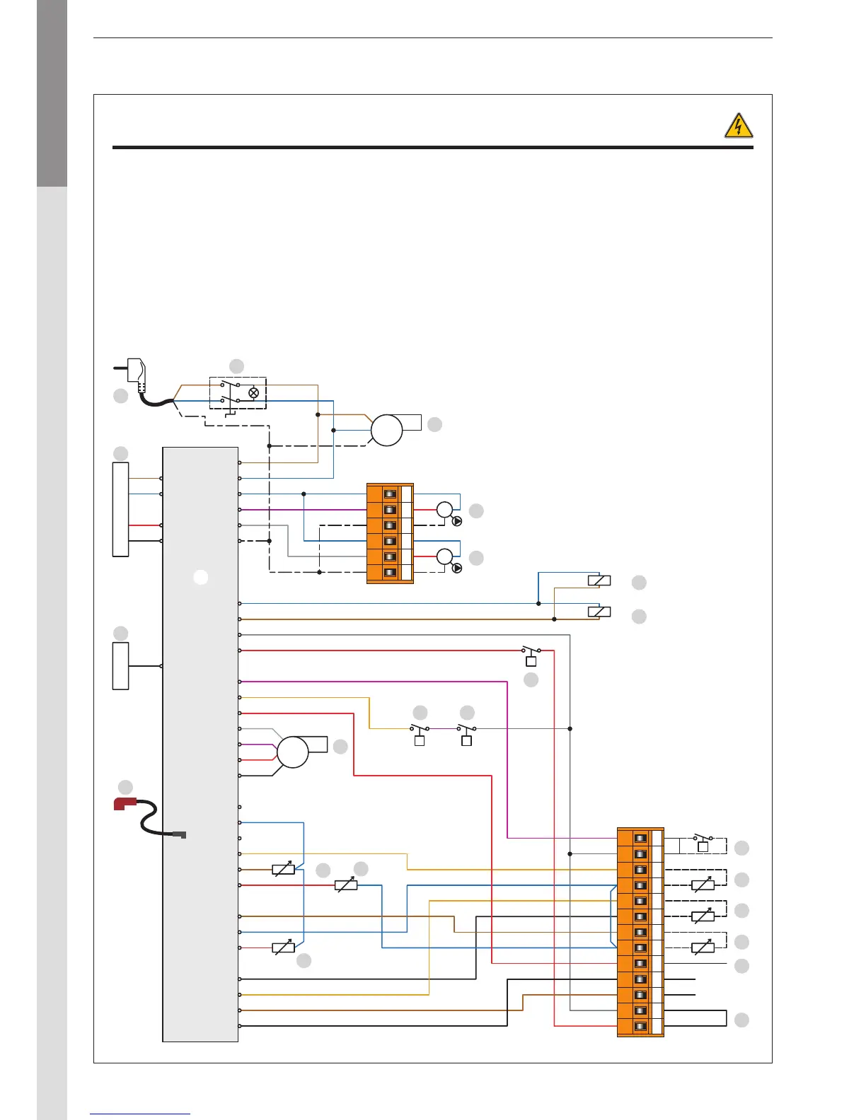
ELECTRICAL CoNNECTIoN
WIRING DIAGRAM: PRESTIGE SOLO 120
1. 230V power cord
2. On/Off switch
3. Heating circulator (optional)
4. Domestic hot water circulator (optional)
5. Burner feed
6. Gas valve 1
7. Gas valve 2
8. 230 Volt - 24 Volt transformer
9. MCBA
10. Display
11. Safety thermostat
12. Gas pressure switch
B. Blue
Bk. Black
Br. Brown
G. Grey
Or. Orange
R. Red
V. Violet
W. White
Y/Gr. Yellow/Green
13. Low-water pressure switch
14. Burner PWM plug
15. NTC1 flow sensor
16. NTC2 return sensor
17. NTC5 flue-gas temperature sensor
18. Room thermostat (optional)
19. NTC3 domestic hot water sensor (optional)
20. NTC4 Outside temperature sensor (optional)
21. NTC6 flow sensor for second heating circuit (optional)
22. Zero volt of the 24 Volt circuit
23. RAM high limit thermostat (optional)
24. ignition and ionisation cable
1
2
3
4
5
6
8
10
9
12 13
14
15
16
17
18
19
20
21
22
23
24
7
11

Related product manuals