EasyManua.ls Logo

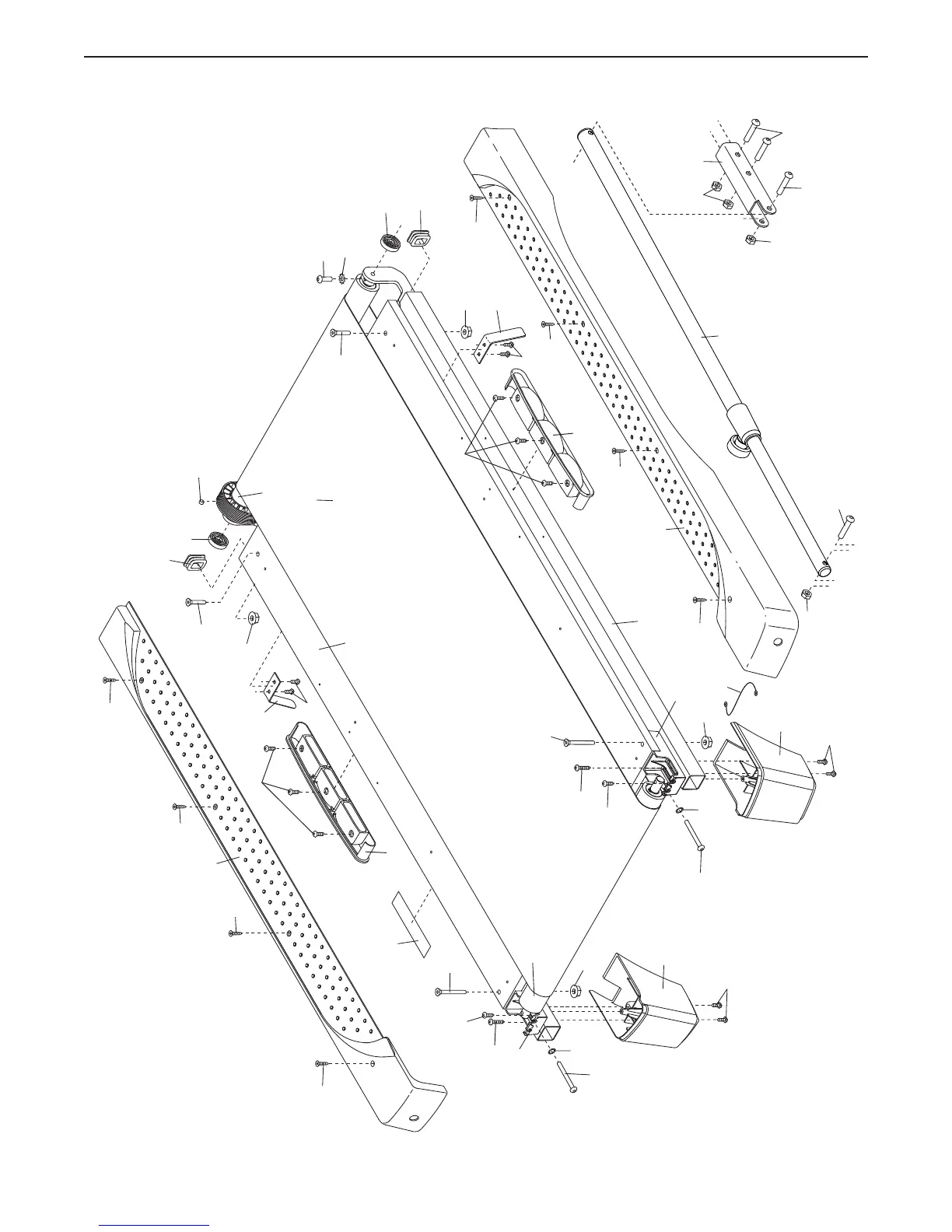
Pro-Form 425 CT - Exploded Drawing

Pro-Form 425 CT
32 pages
Print Icon
To Next Page IconTo Next Page
To Next Page IconTo Next Page
To Previous Page IconTo Previous Page
To Previous Page IconTo Previous Page
Loading...
28
20
21
21
28
32
32
43
43
45
36
36
36
47
45
46
36
44
41
49
48
60
55
56
56
46
57
24
23
34
19
19
20
24
28
42
18
42
18
30
30
40
30
30
58
18
8
51
30
54
10
30
30
30
8
10
10
39
8
59
18
33
33
EXPLODED DRAWING A
Model No. PFTL49612.0 R0612A

Related product manuals