EasyManua.ls Logo

Pro-Form 785 Treadmill - Exploded Drawings

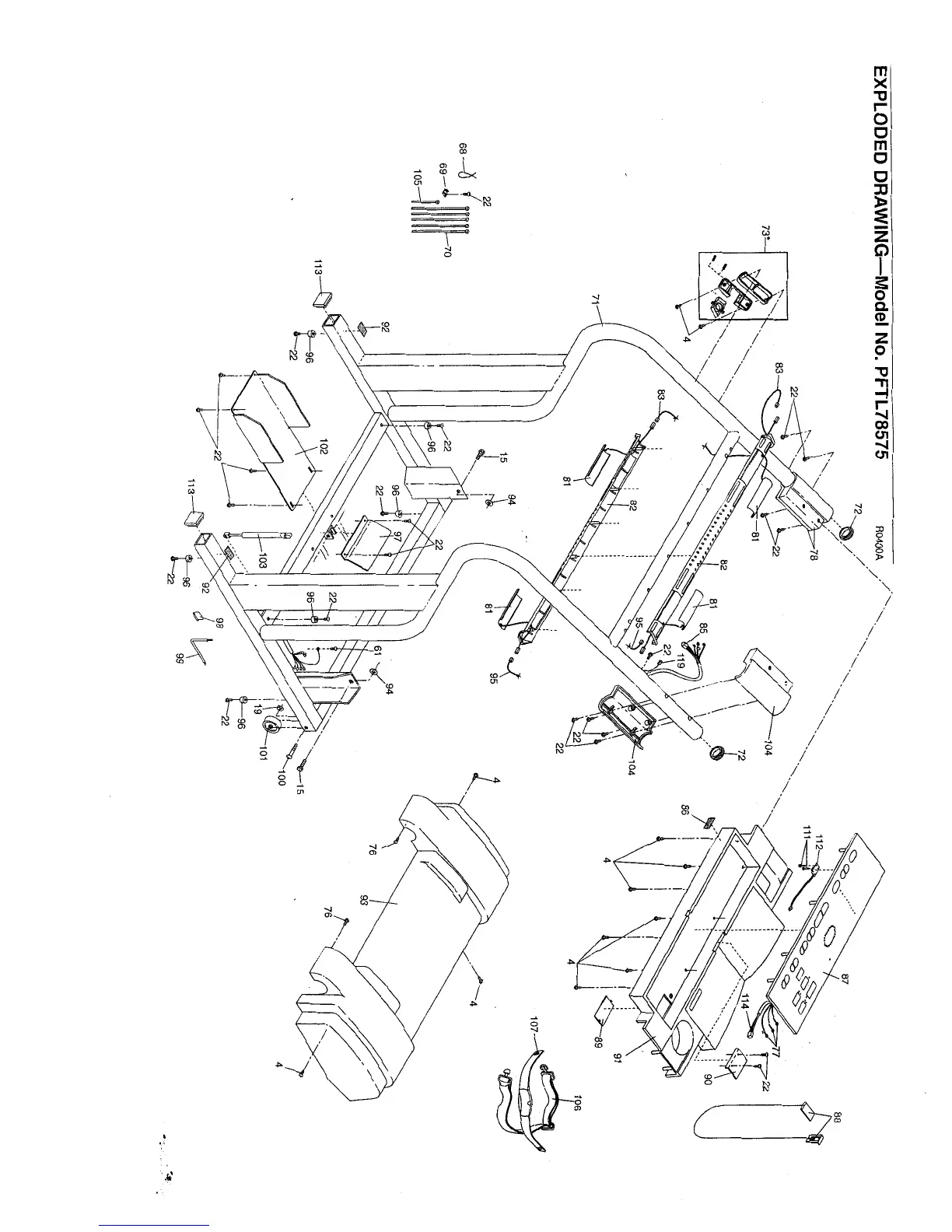
Pro-Form 785 Treadmill
30 pages
Print Icon
To Next Page IconTo Next Page
To Next Page IconTo Next Page
To Previous Page IconTo Previous Page
To Previous Page IconTo Previous Page
Loading...

Related product manuals