EasyManua.ls Logo

Pro-Form TRAINER 8.0 - Exploded Drawing A

Pro-Form TRAINER 8.0
40 pages
Print Icon
To Next Page IconTo Next Page
To Next Page IconTo Next Page
To Previous Page IconTo Previous Page
To Previous Page IconTo Previous Page
Loading...
36
3
12
53
12
6
54
60
55
6
15
15
42
6
10
49
56
12
30
59
6
21
45
48
12
30
59
61
30
12
59
6
43
44
21
100
100
46
19
19
46
25
11
25
11
12
30
59
20
2
2
57
2
40
40
47
2
2
10
2
2
2
2
2
2
38
10
2
2
103
15
73
118
118
10
104
88
24
102
106
102
106
52
117
39
2
39
51
39
117
119
119
119
119
119
119
119
119
51
52
39
39
2
120
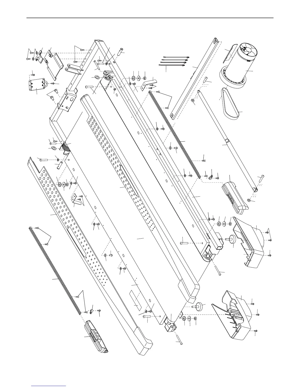
EXPLODED DRAWING A
Model No. PFTL89017.1 R1017B

Related product manuals