EasyManua.ls Logo

Pro-Form TRAINER 8.0 - Exploded Drawing C

Pro-Form TRAINER 8.0
40 pages
Print Icon
To Next Page IconTo Next Page
To Next Page IconTo Next Page
To Previous Page IconTo Previous Page
To Previous Page IconTo Previous Page
Loading...
38
92
86
27
4
79
85
86
27
4
11
28
11
28
84
1
1
1
1
1
17
17
33
77
81
33
94
107
107
13
22
22
97
62
62
37
63
82
91
97
83
90
97
97
91
109
108
7
13
63
7
13
13
7
13
14
14
87
87
81
89
11
31
58
31
11
2
11
31
2
2
2
74
5
95
93
9
5
9
23
23
23
23
23
23
23
77
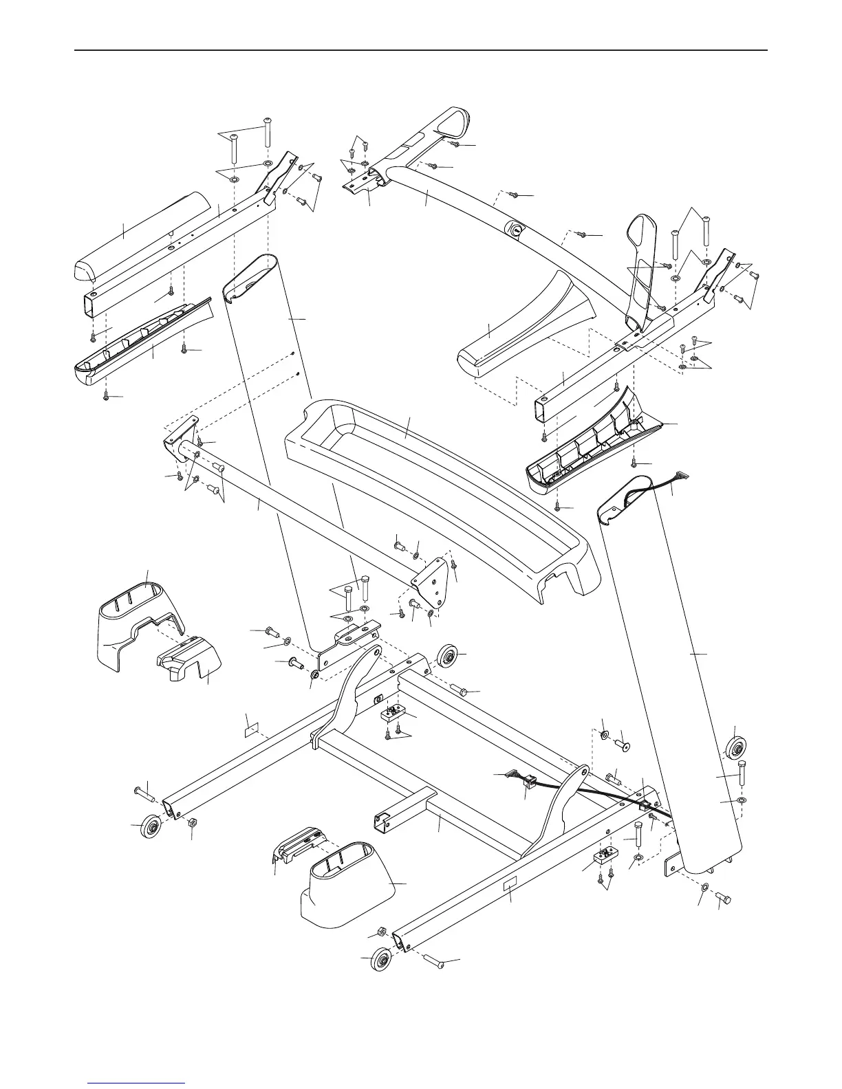
EXPLODED DRAWING C
Model No. PFTL89017.1 R1017B

Related product manuals