EasyManua.ls Logo

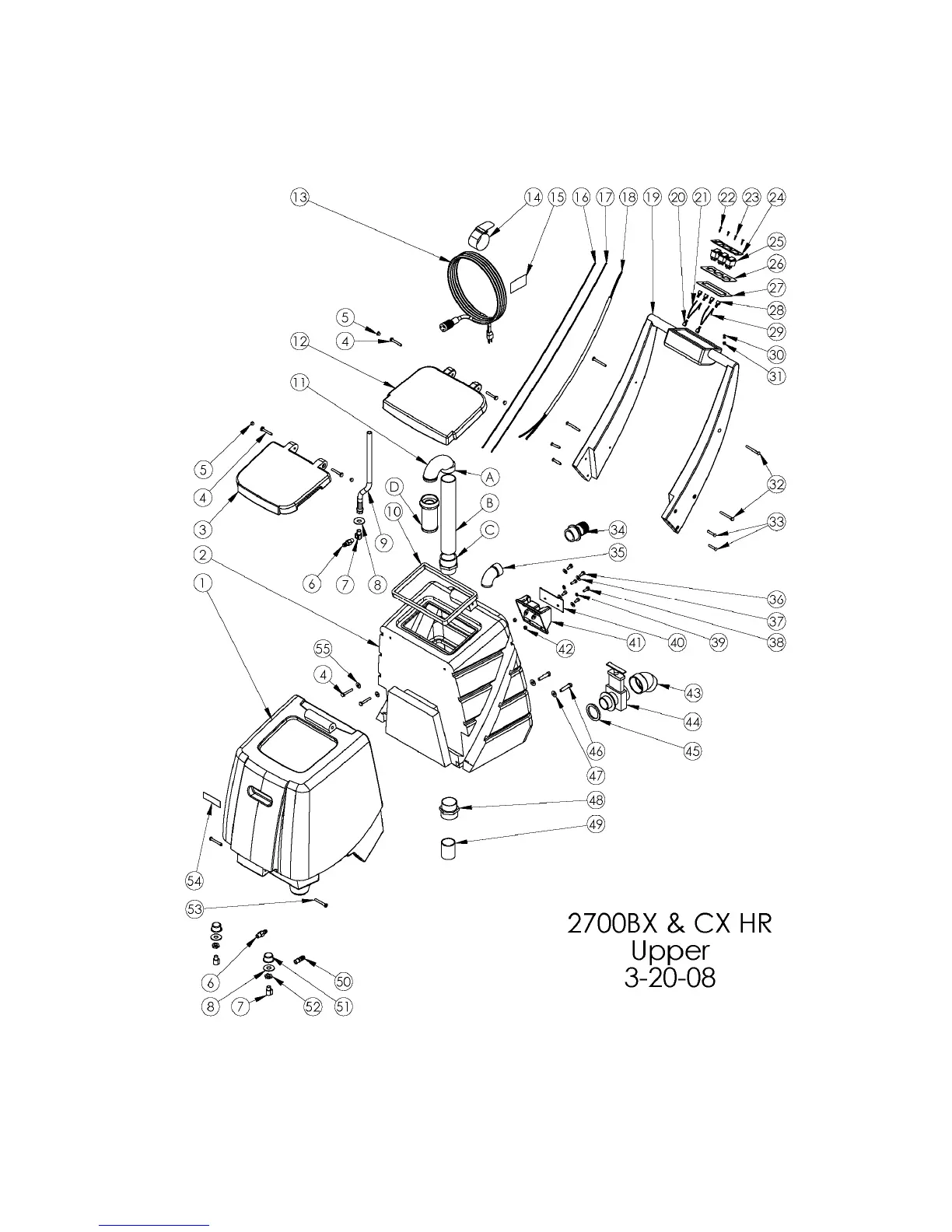
Prochem Steempro 2000 - Parts Diagram Sx2700; Sx2750 Upper

Default Icon
31 pages
Print Icon
To Next Page IconTo Next Page
To Next Page IconTo Next Page
To Previous Page IconTo Previous Page
To Previous Page IconTo Previous Page
Loading...
PARTS DIAGRAM SX2700 / SX2750 UPPER
Steempro Manual.doc 1/8/09 Page 22 of 31

Related product manuals