EasyManua.ls Logo

ProLights EclProfile CT+ - Gel Filter Frame (Code Eclprtpg)

ProLights EclProfile CT+
36 pages
Print Icon
To Next Page IconTo Next Page
To Next Page IconTo Next Page
To Previous Page IconTo Previous Page
To Previous Page IconTo Previous Page
Loading...
PROLIGHTS - EclProfile CT+
25
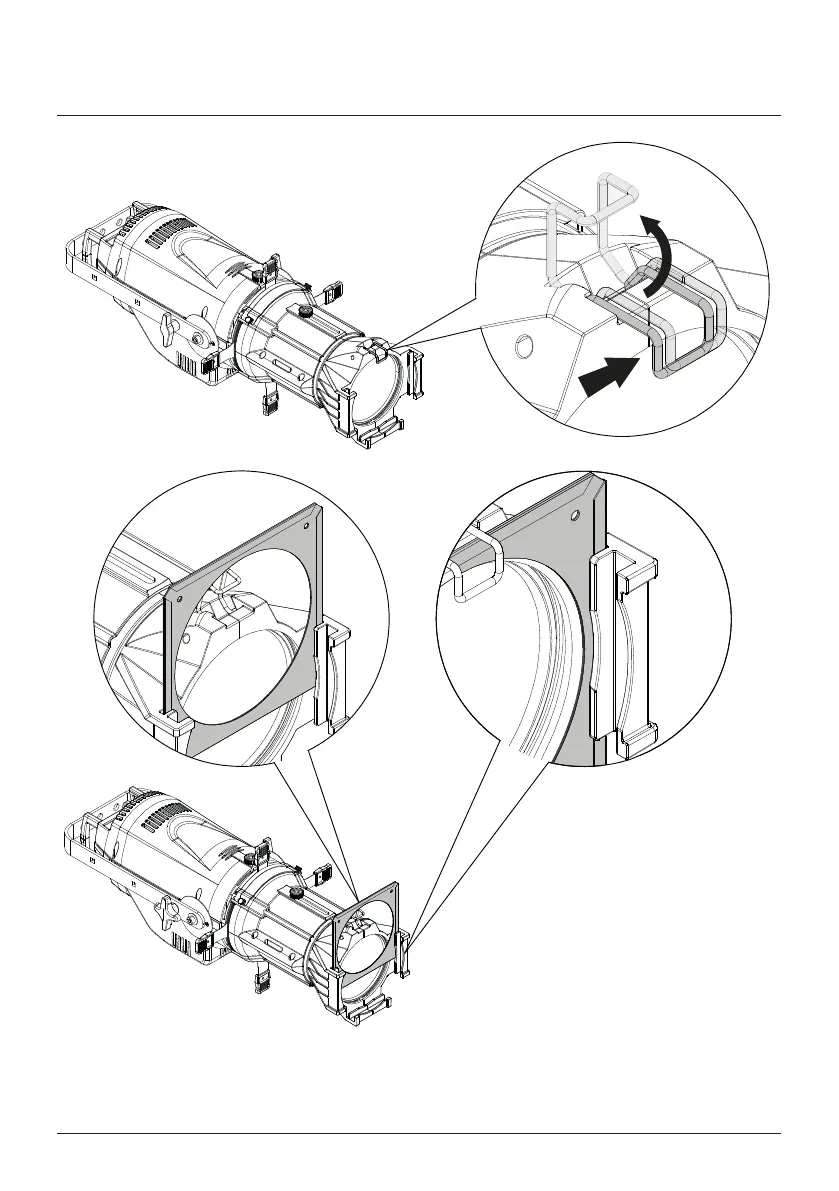
GEL FILTER FRAME (CODE ECLPRTPG)
Gel lter frame is available as optional accessory.
1. Push the clip, located at the top of the optics body, outwards and lift it. Then insert the lter into
the marked track and close the clip, always applying an outward push.
NOTE: To remove the accessory, reverse the procedure.
Fig.9