EasyManua.ls Logo

Protectowire 2000 FireSystem - Intrinsic Safety Barrier for Special Hazard Applications

Protectowire 2000 FireSystem
63 pages
Print Icon
To Next Page IconTo Next Page
To Next Page IconTo Next Page
To Previous Page IconTo Previous Page
To Previous Page IconTo Previous Page
Loading...
~ 39 ~
%&*%$*%(/#+*+"&&(%,%$"/
>DB9>C93)165DI1BB95B
)D18<
$&+**(#$")
+)(*(
#%+$*$*(!
"*(#$")
(%+$*(#$"
&1>5<81CC9C1BB95BC
=ECD253?>>53D54D?
51BD87B?E>4
>DB9>C93)165DI1BB95B
)D18<
0?>5
%@D9?>LM>DB9>C93)165DI1BB95B6?B)@5391<1J1B4@@<931D9?>C
)(&*%$
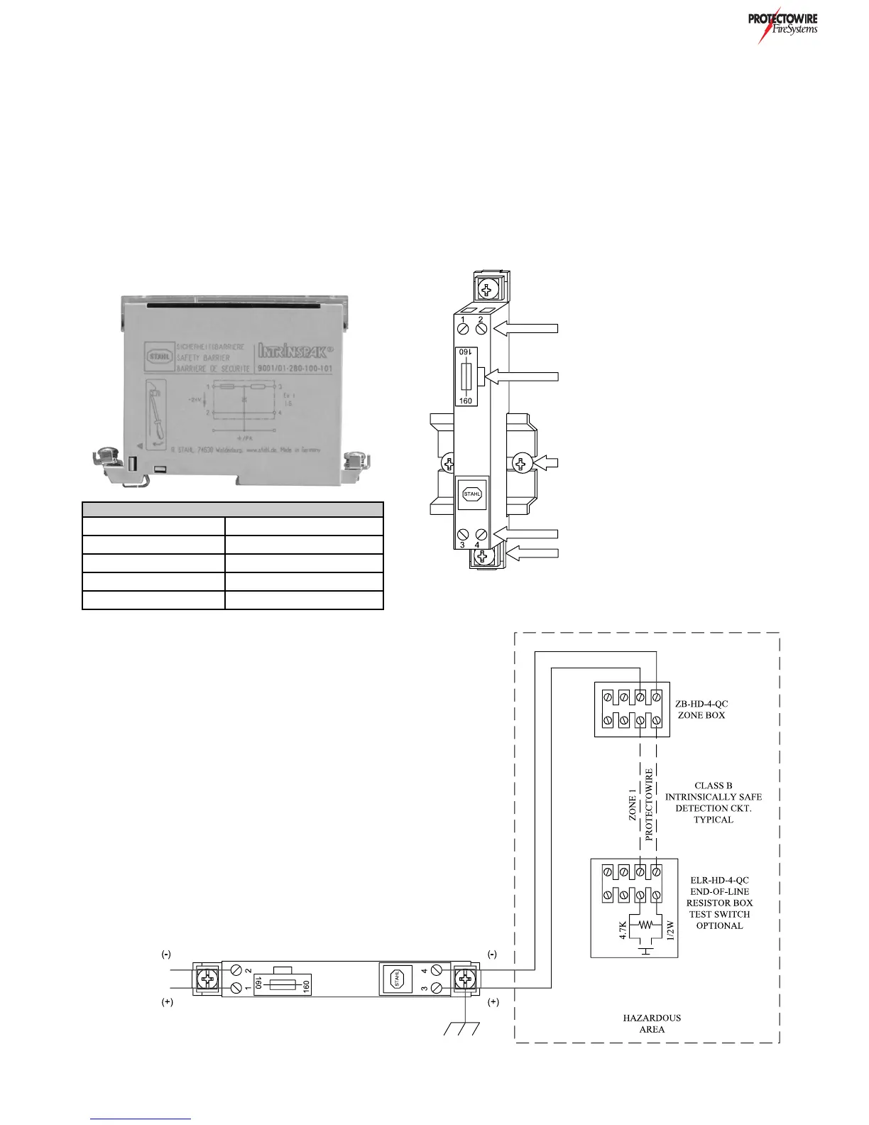
Some applications of PROTECTOWIRE linear heat detection circuits require energy limiting to prevent explosions in areas
classified as hazardous locations. One method used to accomplish this “Intrinsic Safety” is to utilize diode shunt barriers.
Diode shunt barriers consist of zener diodes with current limiting resistors which “shunt” excess voltage spikes to ground.
%&(*%$
The Stahl # 9001/01-280-100-101 is a single channel barrier used in the FS2000 Series Fire Alarm Control Panels to
provide protection in hazardous locations. If excess voltage appears across the detection circuit, the internal zener diodes of
the barriers instantaneously conduct in the reverse bias direction passing the overflow current directly to earth ground. The
replaceable 160mA fuse protects the barrier from reverse polarity connection or from exposure to damaging current levels.
)&"$%*)
1. Resistance from barrier mounting strip to earth ground =ECD25 1 ohm or
less.
2. ALL intrinsically safe wiring =ECD259C?<1D546B?=>?>C165G9B9>71>4
B?ED549>1C5@1B1D53?>4E9D
3. $?>C165 wiring =ECD>?Dcross into safe wiring area segregated by black
lines within the system enclosure.
4. The system ground fault detection circuit is disabled due to the negative leg
of the initiating circuit being connected to earth ground.
5. -($$*85>571D9F5?69>9D91D9>739B3E9D9C3?>>53D54D?51BD8
7B?E>4D85B56?B517B?E>461E<D6B?=D85@?C9D9F5<57?6D859>9D91D9>7
39B3E9DG9<<B5CE<D9>161<C51<1B=
6. Suitable for hazardous locations Class I, II and III, Division 1, Groups A
through G.
7. Reference control drawing IL-1008 for installation.
8. The FS2000 Control Panel and associated intrinsic safety barriers =ECD be
installed and located outside of the hazardous area.
"*("
Nominal Input Voltage 24VDC
Maximum Input Voltage 28VDC
Internal Resistance 303 ohms +/- 16 ohms
Fuse Rating 160mA rep.#011239
Leakage Current less than 1uA

Table of Contents