EasyManua.ls Logo

Protherm Ray - Page 6

Protherm Ray
Print Icon
To Next Page IconTo Next Page
To Next Page IconTo Next Page
To Previous Page IconTo Previous Page
To Previous Page IconTo Previous Page
Loading...
5
CZ
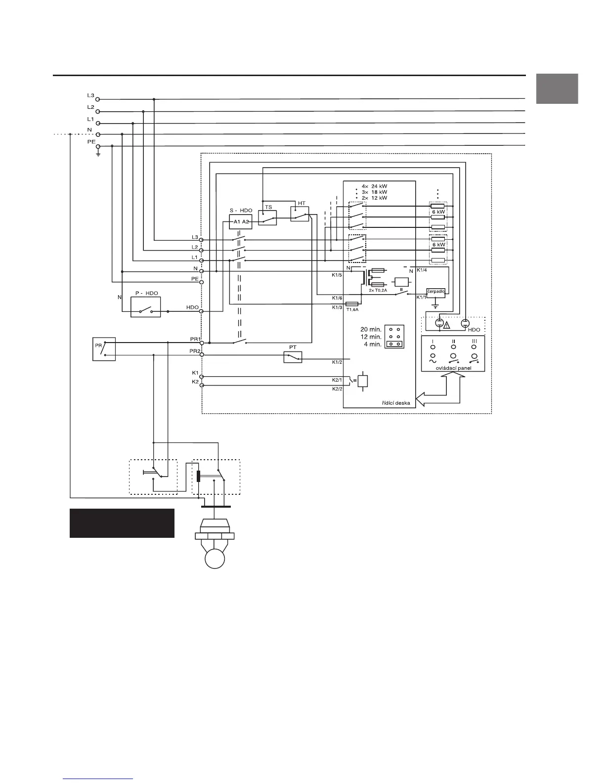
Elektrické schéma funkce kotle Rejnok 9K - 24K a zásobníku B 120 S
TS - tlakový snímač 0,8 Bar
HT - havarijní termostat 100 °C
PT - provozní termostat max. 85 °C
PR1, PR2 - svorky pro připojení pok. regulátoru (230V/0,1A)
HDO - svorka pro připojení HDO
S-HDO - stykač
Termostat zásobníku
t°C
TC
TB2
TB1
N
L
L
M
Vyobrazená situace pozic kontaktů
znázorňuje stav, kdy probíhá ohřev TV
v zásobníku.
Motor 3cestného
ventilu
Ovládací deska motoru
3cestného ventilu

Related product manuals