EasyManua.ls Logo

Protherm Ray - Page 5

Protherm Ray
Print Icon
To Next Page IconTo Next Page
To Next Page IconTo Next Page
To Previous Page IconTo Previous Page
To Previous Page IconTo Previous Page
Loading...
4
CZ
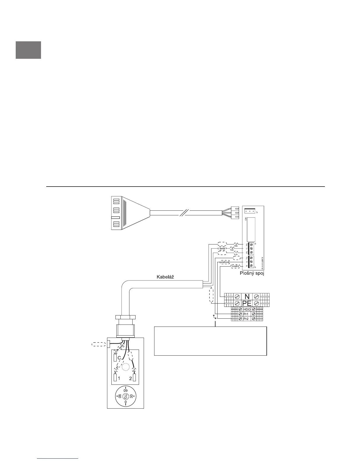
Termostat pro zásobník
typ TG 7G1.1R431
Pro správnou funkci je důležité, aby svorka PrL na
plošném spoji byla připojena na tu svorku
Pr (1 nebo 2), která je trvale pod napětím, bez
ohledu na stav prostorového termostatu!
Část svorkovnice kotle
Kabel pro motor 3cestného ventilu
černá
hnědá
žlutá
zeleno-žlutý
zeleno-žlutý
hnědá
č
erná
Elektrické schéma propojení vodičů
Uvedení kotle a zásobníku do provozu
Otevřete uzavírací ventily otopné vody (kotel a zásobník).
Prostřednictvím dopouštěcí smyčky kotle doplňte tlak otopné vody na doporučenou
mez (1,2 - 1,6 bar).
Otevřete uzavírací ventily teplé vody u zásobníku a v zápětí otevřete některé z odběr-
ných míst teplé vody. Po tom co z odběrného místa začne téct souvislý proud vody,
odběrné místo uzavřete.
Uveďte kotel do provozu a na provozním termostatu nastavte na maximum (85 °C).
Upozornění: Se snižující se teplotou otopné vody se výrazně prodlužuje doba ohřevu
v zásobníku TV.
Na provozním termostatu zásobníku nastavte vždy teplotu o cca 10 °C nižší než
je teplota žádaná.
Prověřte správnost funkce celé sestavy (kotel, zásobník a kompletní propojení).

Related product manuals