EasyManua.ls Logo

PTI VP - Installation Instructions

PTI VP
46 pages
Print Icon
To Next Page IconTo Next Page
To Next Page IconTo Next Page
To Previous Page IconTo Previous Page
To Previous Page IconTo Previous Page
Loading...
VP Keypad Access Device
5
rev. 7-2017 114A3868.E
from finished floor to the ‘5’ button on the touchpad for walk-up
access and 45 inches from driveway level to the ‘5’ button on the
touchpad for vehicular access.
If the VP is installed on an exterior wall, seal the contact point
between the housing and the wall with a silicone sealant rated for
outdoor use. This prevents moisture and insects from getting into
the housing.
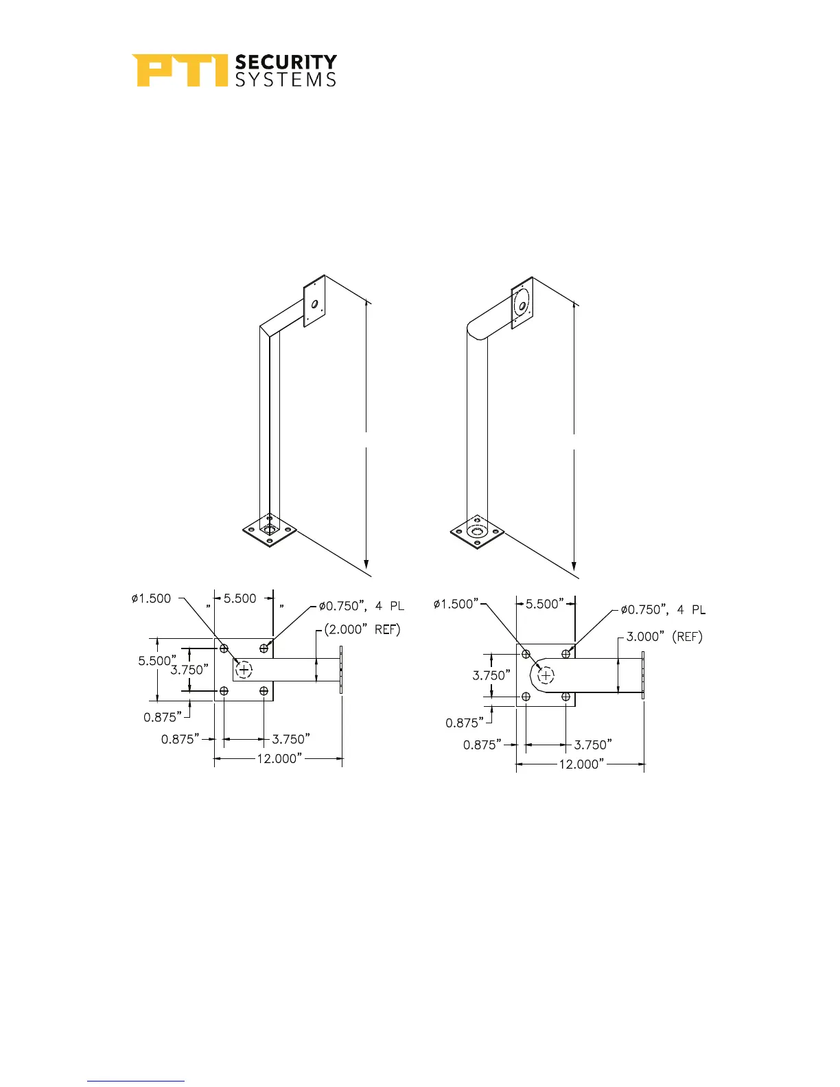
Drawing 3: Gooseneck stand mount
46.00”
46.00”