EasyManua.ls Logo

Pullmaster HL25 - Page 13

Default Icon
44 pages
Print Icon
To Next Page IconTo Next Page
To Next Page IconTo Next Page
To Previous Page IconTo Previous Page
To Previous Page IconTo Previous Page
Loading...
PAGE 11
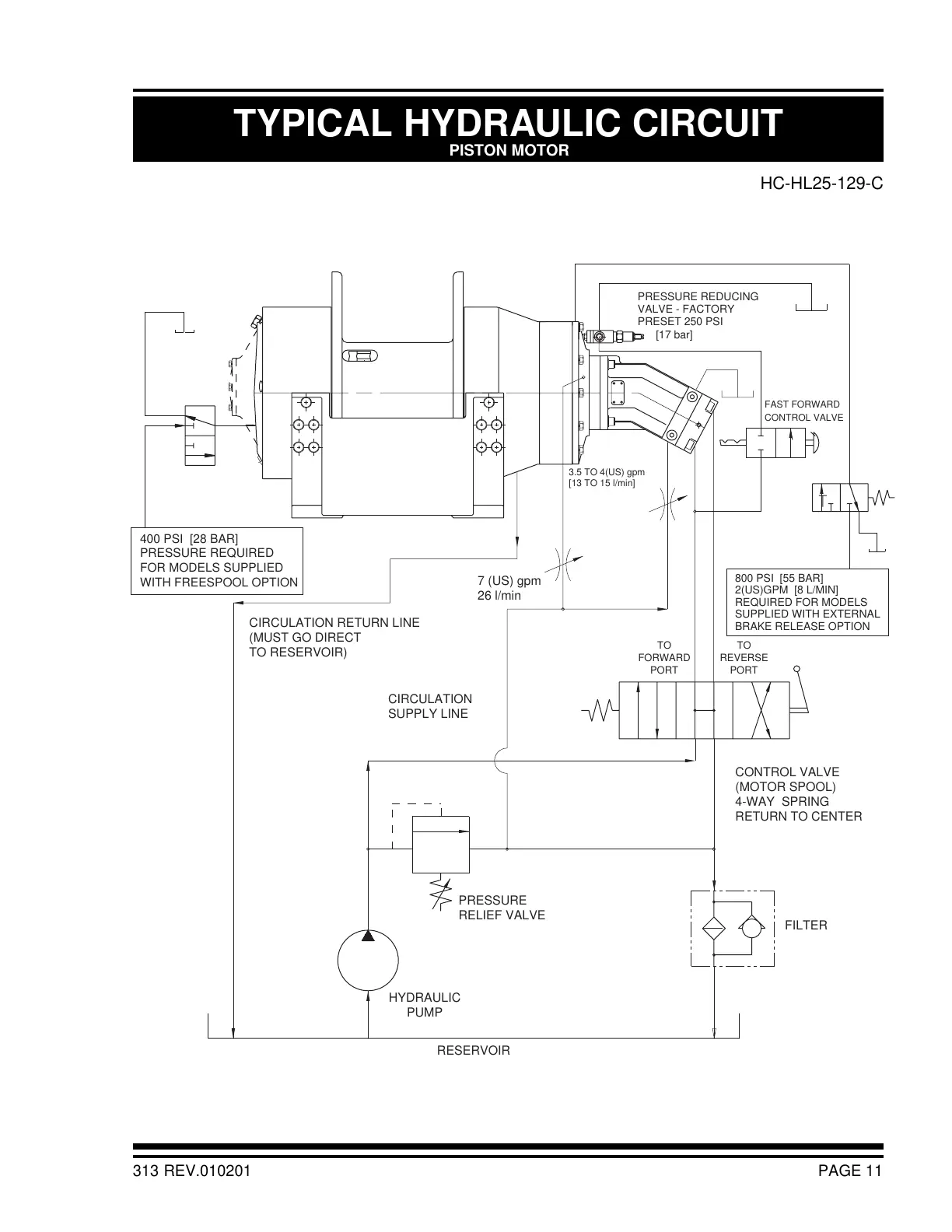
HC-HL25-129-C
313 REV.010201
PISTON MOTOR
TYPICAL HYDRAULIC CIRCUIT
TO
FORWARD
PORT
TO
REVERSE
PORT
[17 bar]
CONTROL VALVE
FAST FORWARD
FILTER
HYDRAULIC
PUMP
RESERVOIR
PRESSURE REDUCING
VALVE - FACTORY
PRESET 250 PSI
800 PSI [55 BAR]
2(US)GPM [8 L/MIN]
REQUIRED FOR MODELS
SUPPLIED WITH EXTERNAL
BRAKE RELEASE OPTION
CONTROL VALVE
(MOTOR SPOOL)
4-WAY SPRING
RETURN TO CENTER
400 PSI [28 BAR]
PRESSURE REQUIRED
FOR MODELS SUPPLIED
WITH FREESPOOL OPTION
CIRCULATION RETURN LINE
(MUST GO DIRECT
TO RESERVOIR)
CIRCULATION
SUPPLY LINE
7 (US) gpm
26 l/min
PRESSURE
RELIEF VALVE
3.5 TO 4(US) gpm
[13 TO 15 l/min]

Related product manuals