EasyManua.ls Logo

Pullmaster HL25 - TYPICAL HYDRAULIC CIRCUIT GEAR MOTOR

Default Icon
44 pages
Print Icon
To Next Page IconTo Next Page
To Next Page IconTo Next Page
To Previous Page IconTo Previous Page
To Previous Page IconTo Previous Page
Loading...
PAGE 10
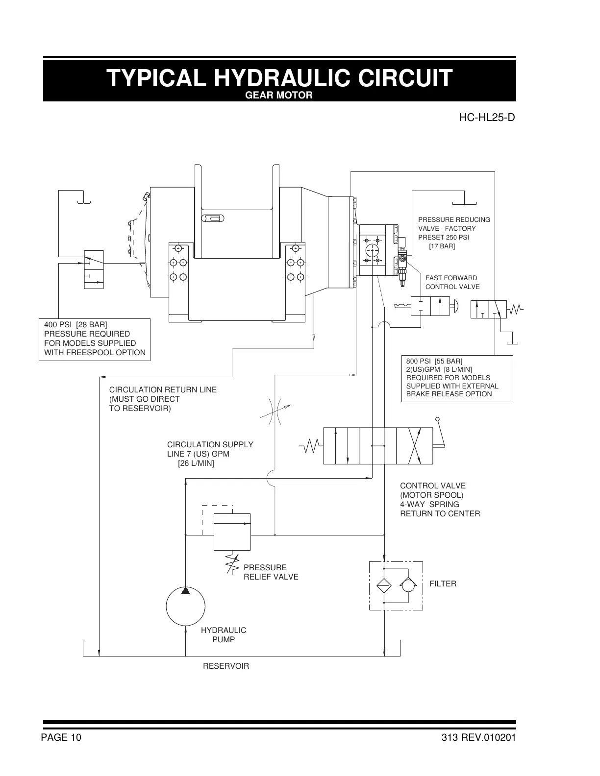
HC-HL25-D
313 REV.010201
GEAR MOTOR
TYPICAL HYDRAULIC CIRCUIT
BRAKE RELEASE OPTION
SUPPLIED WITH EXTERNAL
REQUIRED FOR MODELS
2(US)GPM [8 L/MIN]
800 PSI [55 BAR]
WITH FREESPOOL OPTION
FOR MODELS SUPPLIED
PRESSURE REQUIRED
400 PSI [28 BAR]
CONTROL VALVE
FAST FORWARD
FILTER
HYDRAULIC
PUMP
RESERVOIR
CONTROL VALVE
(MOTOR SPOOL)
4-WAY SPRING
RETURN TO CENTER
PRESSURE
RELIEF VALVE
CIRCULATION RETURN LINE
(MUST GO DIRECT
TO RESERVOIR)
CIRCULATION SUPPLY
LINE 7 (US) GPM
[26 L/MIN]
[17 BAR]
PRESET 250 PSI
VALVE - FACTORY
PRESSURE REDUCING

Related product manuals