EasyManua.ls Logo

Pullmaster M50 - Page 11

Default Icon
44 pages
Print Icon
To Next Page IconTo Next Page
To Next Page IconTo Next Page
To Previous Page IconTo Previous Page
To Previous Page IconTo Previous Page
Loading...
PAGE 9323 REV.030624
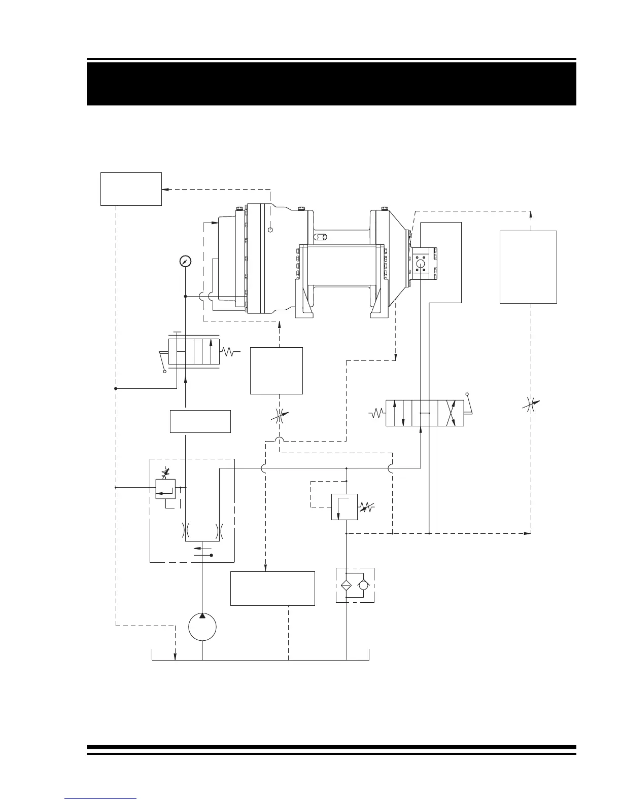
HC-M50-X-86-XC-B
TYPICAL HYDRAULIC CIRCUIT
CONTROLLED FREE FALL:
SUPPLY
SUPPLY
FLOW DIVIDER
(PRESSURE &
TEMPERATURE
COMPENSATED)
PORT B PLUGGED
TO NEUTRAL;
SPRING RETURN
MOTORSPOOL;
WITH METERING
CONTROL VALVE
B
A
P
T
(52 BAR)
750 PSI
RELIEF VALVE
PRESSURE GAUGE
0-1000 PSI
(9 LPM)
2.5 USGPM
RETURN
CIRCULATION
FREEFALL
BRAKE CIRCULATION
RETURN (DIRECT TO
RESERVOIR)
MODELS ONLY
CIRCULATION
EXTERNAL
(19 L/MIN)
5 USGPM
CIRCULATION
BRAKE
(34 LPM)
9 USGPM
CIRCULATION
FREEFALL
RESERVOIR
FILTER
CONTROL VALVE
(MOTOR SPOOL)
4-WAY SPRING
RETURN TO CENTER
PRESSURE
RELIEF VALVE
HYDRAULIC
PUMP

Related product manuals