EasyManua.ls Logo

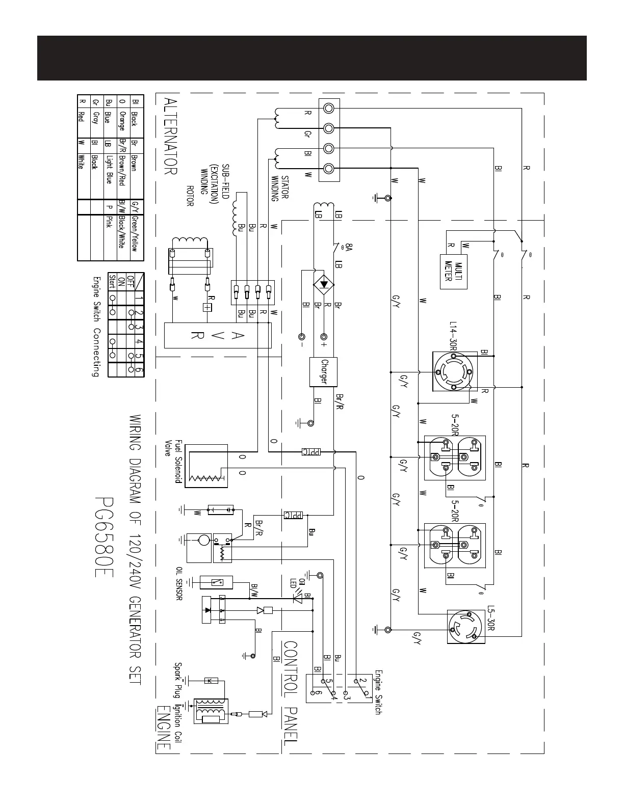
Pulsar PG6580E - Diagrams; Wiring Diagram

Pulsar PG6580E
50 pages
Print Icon
To Next Page IconTo Next Page
To Next Page IconTo Next Page
To Previous Page IconTo Previous Page
To Previous Page IconTo Previous Page
Loading...
DIAGRAMS
25
Bl
GNAJ
M

Related product manuals