EasyManua.ls Logo

QRPproject Speaky - RX if Section

Default Icon
53 pages
Print Icon
To Next Page IconTo Next Page
To Next Page IconTo Next Page
To Previous Page IconTo Previous Page
To Previous Page IconTo Previous Page
Loading...
Version: 13. Sepe,mer 2004
6
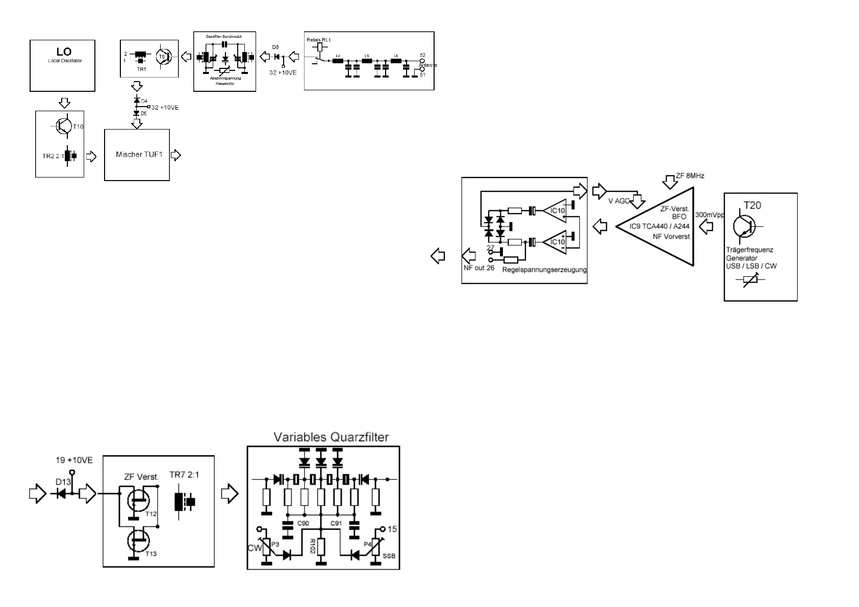
PIN diode D5 to the bus, and from there via C36 on to the RF input stage of
T9. The amplifier works with a combined voltage and current feed back, and
uses a large signal BK transistor. The working point is at Ic = 30 mA to give
good large signal data in conjunction with the feed back mechanism. The
broad band transformer Tr1 in the collector circuit adapts the ~200 Ohm
amplifier output to some 50 Ohms. The amplification is at some 18 dB. The
amplified RF signal is led via the PIN diodes D4-D5 to the RF port of the
Schottky ring mixer M1, where it is mixed to an IF of 8 MHz. The broad
band amplifier of T10 raises the signal level of the LO from the VCO bus to
the +7 dBm necessary for M1. Setting jumper J1 to the 47 Ohm terminating
resistance, you can measure this level, when adjusting it with P1 on the
band module.
5. RX IF section:
The 8 MHz signal at the IF port of M1 is led on via the conduction PIN
diode D13 and C81 to the input of the gate coupled IF preamplifier. By
parallel coupling of JFETs T12-T13 a 50 Ohm termination is achieved for
M1; the forward steepness of some 20 mS gives a stage amplification of
some 15 dB. The gate coupling gives good large signal characteristics
and reduces the risk of intermodulation. The 1:1 transformer Tr7 gives a
potential free copuling of the IF signal to the IF filter. We use a 4 pole
8 MHz Cohn filter with electronically adjustable filter band width. The
usual capacitors are replaced by capacity diodes BB112. The crystals
are chosen for less than 50 Hz difference around 8 MHz. P4 and P3
adjusts the filter width for SSB or CW. At 4,5 V on R102 the band width is
some 2,5 kHz, at 2 V the width is some 500 Hz (100 pF/350 pF). The filter
is terminated at 330 Ohm as a compromise for pass band dampening. C93
leads the signal from the filter to the IF IC, IC9. IC9 is a TCA440 (or its
replacement A244), having excellent RF data never achieved by any succes-
sor.
The TCA440 was originally developed as an AM receiver, but isn’t used as
such here. The integrated, regulated input amplifier is used as an 8 MHz IF
amplifier. The following mixer works as a product detector with an external
BFO. The part originally used a regulated 455 kHz IF amplifier is used as a
regulated AF preamplifier. The AF signal of pin 7 is limited to a band width
of 0-2800 Hz by C105. The following high pass filter of C106-R75 dampens
signals below 300 Hz. This is followed by the AGC amplifier of IC10. This
bridge amplifier with an amplification of some 32 dB leads the signal on to
the symmetrical rectifier D24-D25-D26-D27. The DC voltage at the charge
capacitor C103 is proportional to the IF signal and is fed to the regulating
input of IC9 (pin 9). The two way rectifier gives a frequency doubling,
producing only half the AC swing on C103 compared to the classical ap-