EasyManua.ls Logo

QSC TouchMix-8 - Stereo Sub Group (Touchmix-30 Only)

QSC TouchMix-8
146 pages
Print Icon
To Next Page IconTo Next Page
To Next Page IconTo Next Page
To Previous Page IconTo Previous Page
To Previous Page IconTo Previous Page
Loading...
131
1001108-01-F
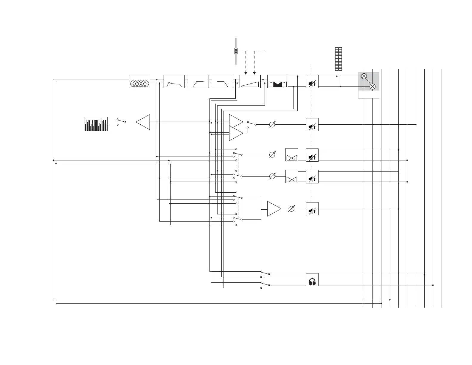
Main Outputs
L R
Cue
L R
Aux (Odd)
To Multi-Track
FX
Sub-Groups (odd) *
Sub-Groups (even) *
Aux (Even)
Meter
Ch Fader
Pre
Post
From DCA Masters
Post Fdr
Pre Fdr
Pre Dyn
Pre all
Pre
Post
Mute
Logic
FX Send
Aux Send (Stereo)
RTA
Assign
SUM
SUM
Post Fdr
Pre Fdr
Pre Dyn
Pre all
SUM
SUM
Aux Send (Mono)
* TouchMix-30 only
Gain
Gain
Mute
WidthLow Cut
High Cut
Cue
Pan
PEQ
Comp
Pan
Mute
Mute
Mute
Mute
Stereo Sub Group (TouchMix-30 only)

Table of Contents

Other manuals for QSC TouchMix-8

Related product manuals