EasyManua.ls Logo

Quadra-Fire Garnet - Electrical Schematic

Quadra-Fire Garnet
44 pages
Print Icon
To Next Page IconTo Next Page
To Next Page IconTo Next Page
To Previous Page IconTo Previous Page
To Previous Page IconTo Previous Page
Loading...
GARNET DIRECT VENT ROOM HEATER
250-6443B October 7, 2003 Page 39
GARNET DIRECT VENT ROOM HEATER
250-6443B October 7, 2003 Page 40
R
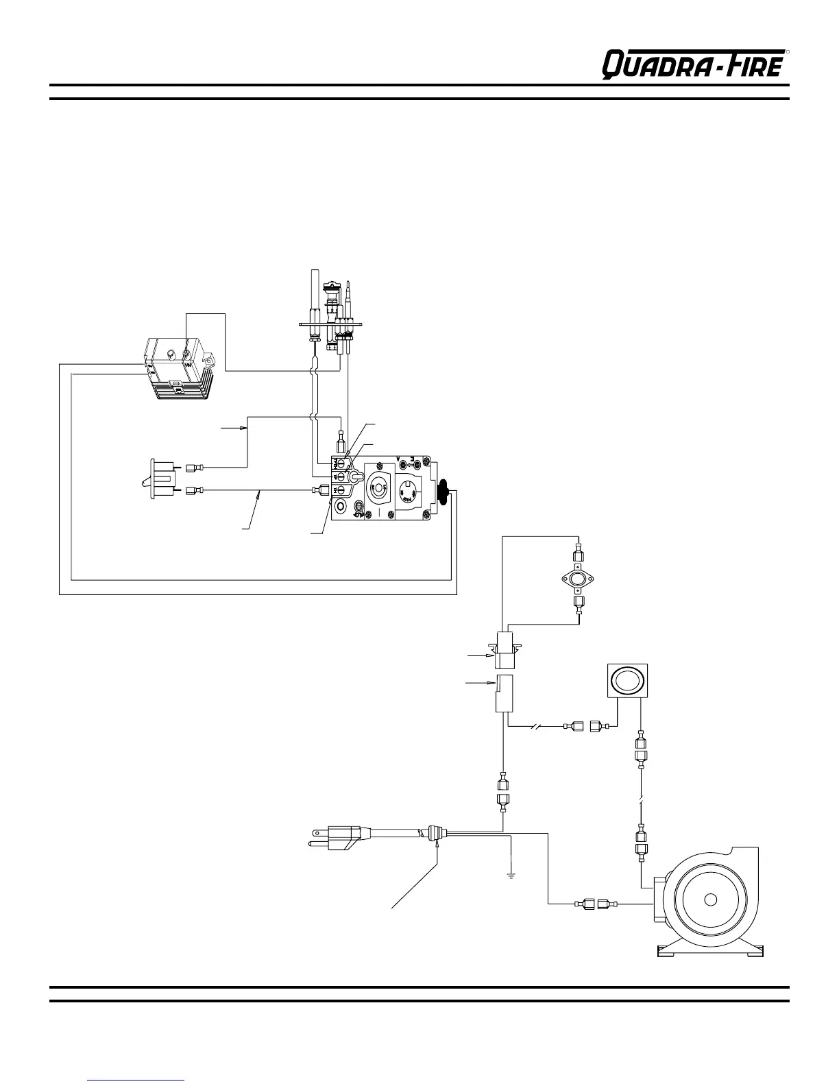
ELECTRICAL SCHEMATICS
Fan Speed Control
Thermal Disc
Receptacle, Molex
Plug, Molex
W
B
(110 VAC
)
Power Cord
B
W
B
Bushing
Strain Relief
G
B
Ground
B
Fan Assembly
B
B
34"
B
34"
Black
Black
Ignition Module
Switch
ON/OFF
PILOT ASSEMBLY
Thermopile
Gas Pilot Ignite
r
Thermocouple
VALVE
TH
TP
TPTH