EasyManua.ls Logo

Quectel LTE Standard Module Series - Page 22

Quectel LTE Standard Module Series
55 pages
Print Icon
To Next Page IconTo Next Page
To Next Page IconTo Next Page
To Previous Page IconTo Previous Page
To Previous Page IconTo Previous Page
Loading...
LTE Standard Module Series
EG21-G Mini PCIe Hardware Design
EG21-G_Mini_PCIe_Hardware_Design 21 / 54
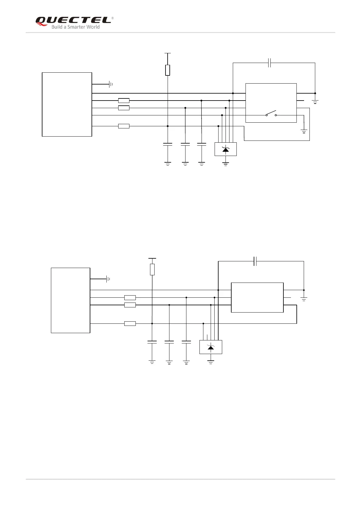
USIM_VDD
GND
USIM_RST
USIM_CLK
USIM_DATA
USIM_PRESENCE
100nF
GND
GND
33pF 33pF 33pF
VCC
RST
CLK
IO
VPP
GND
GND
USIM_VDD
15K
(U)SIM Card Connector
Module
0R
0R
0R
Figure 4: Reference Circuit of (U)SIM Interface with an 8-pin (U)SIM Card Connector
If (U)SIM card detection function is not needed, please keep USIM_PRESENCE unconnected. A
reference circuit for (U)SIM interface with a 6-pin (U)SIM card connector is illustrated in the following
figure.
USIM_VDD
GND
USIM_RST
USIM_CLK
USIM_DATA
0R
0R
0R
100nF
GND
33pF 33pF 33pF
VCC
RST
CLK IO
VPP
GND
GND
15K
USIM_VDD
(U)SIM Card Connector
Module
Figure 5: Reference Circuit of (U)SIM Interface with a 6-pin (U)SIM Card Connector
In order to enhance the reliability and availability of the (U)SIM card in customers’ applications, please
follow the criteria below in (U)SIM circuit design:
Keep placement of (U)SIM card connector to the module as close as possible. Keep the trace length
as less than 200mm as possible.
Keep (U)SIM card signals away from RF and power supply traces.

Other manuals for Quectel LTE Standard Module Series

Related product manuals