EasyManua.ls Logo

Rabbit 2000 - 9.5 Parallel Port E

Rabbit 2000
230 pages
Print Icon
To Next Page IconTo Next Page
To Next Page IconTo Next Page
To Previous Page IconTo Previous Page
To Previous Page IconTo Previous Page
Loading...
106 Rabbit 2000 Microprocessor
9.5 Parallel Port E
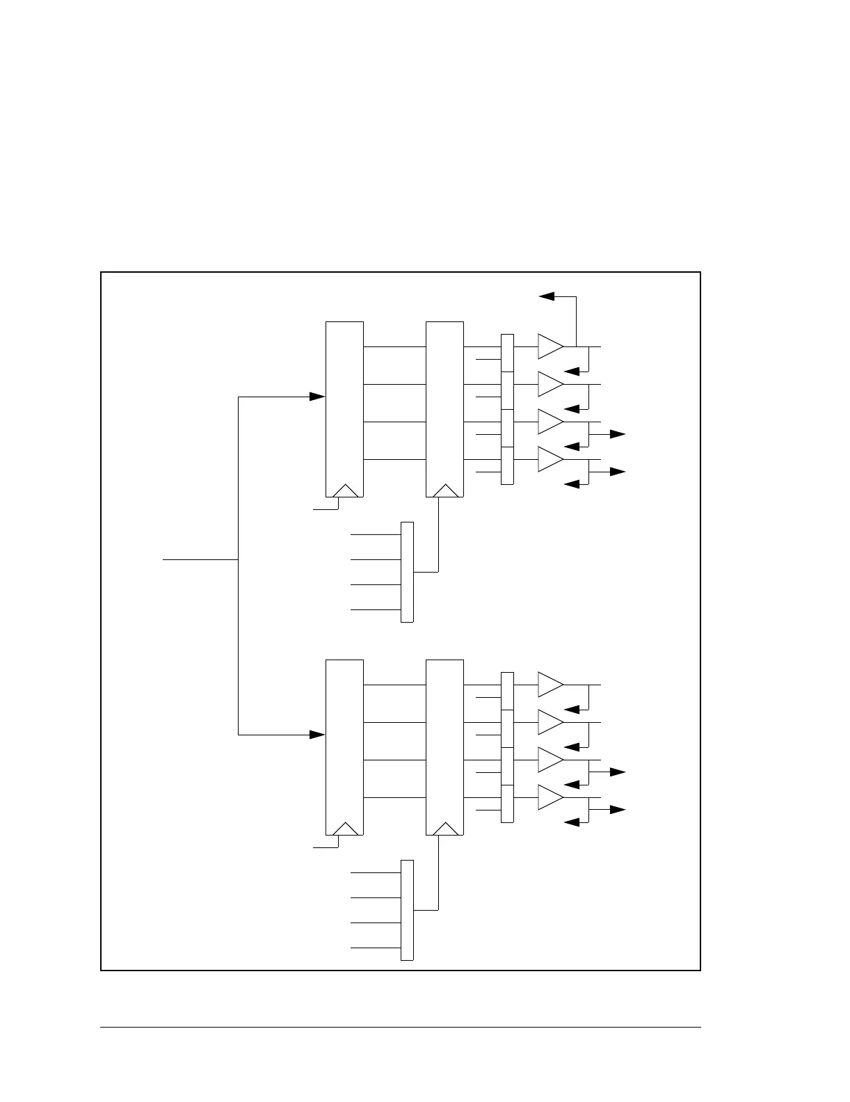
Parallel port E, shown in Figure 9-2, has eight I/O pins that can be individually pro-
grammed as inputs or outputs. Port E has a higher drive than most of the other ports. PE7
is used as the slave port chip select when the slave port is enabled. Each of the port E out-
puts can be configured as an I/O strobe. In addition, four of the port E lines can be used as
interrupt request inputs. The output registers are cascaded and timer-controlled, making it
possible to generate precise timing pulses.
Figure 9-2. Parallel Port E Block Diagram
PE7
PE4
I/O Data
perclk/2
Timer A1
Timer B1
Timer B2
perclk/2
Timer A1
Timer B1
Timer B2
PE3
PE0
I6
/scs
Inputs
I4
I7
I5
I2
I0
I3
I1
INT1
INT0
INT1
INT0

Table of Contents

Other manuals for Rabbit 2000