EasyManua.ls Logo

Rane HAL1x - Page 75

Rane HAL1x
128 pages
Print Icon
To Next Page IconTo Next Page
To Next Page IconTo Next Page
To Previous Page IconTo Previous Page
To Previous Page IconTo Previous Page
Loading...
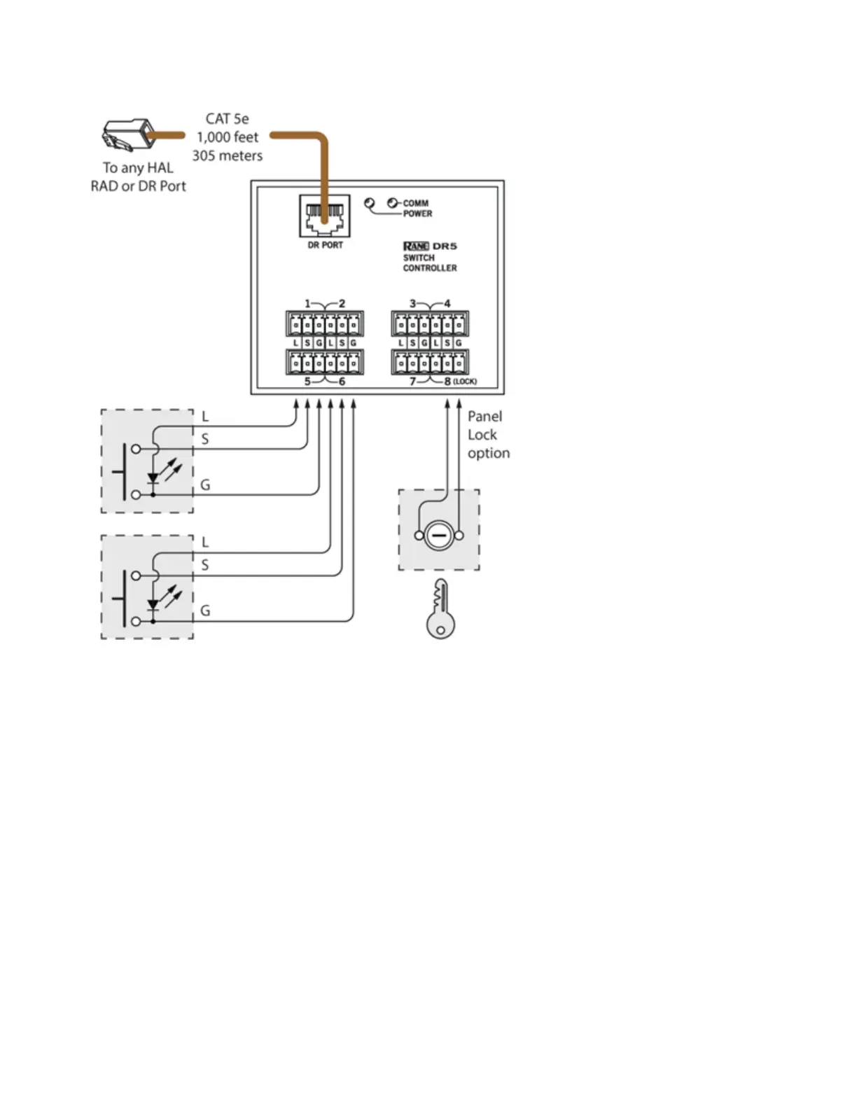
Once you have configured the DR5 in the Hardware Workspace, Toggle controls appear in the HWControl pal-
ette of the Processing workspace. You can then link each control to any other Toggle control in your system. The
following diagram shows the Control palette and a corresponding Toggle control for the DR5 and how to link it
to a wall toggle control in a Room Combine block. It also shows a portion of the DR5 property dialog from the
Hardware Workspace showing Toggle (9) configured as a Momentary Toggle.
CHAPTER 2: Hardware Component Details
69

Table of Contents

Related product manuals