EasyManua.ls Logo

Rangemaster Professional + 100 - Circuit Diagram

Rangemaster Professional + 100
44 pages
Print Icon
To Next Page IconTo Next Page
To Next Page IconTo Next Page
To Previous Page IconTo Previous Page
To Previous Page IconTo Previous Page
Loading...
30
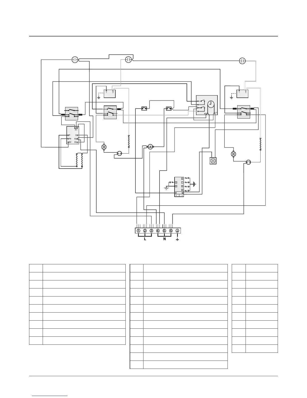
10. Circuit Diagram
E
P095199
1
2
P2
P1
v
P095199
1
2
P2
P1
P095199
1
2
P2
P1
a
b
e
f
c
d
1
2
E
P095199
1
2
P2
P1
v
P095199
1
2
P2
P1
P095199
1
2
P2
P1
a
b
e
f
c
d
1
2
C
B1
D1
A2
E
P095199
1
2
P2
P1
v
P095199
1
2
P2
P1
P095199
1
2
P2
P1
a
b
e
f
c
d
1
2
g/y
bk
r
b
b
b
g/y
or
br
w
b
r
y
r
y
r
bk
b
v
br
bk
br
r
b
gr
w
b
b
b
b
br
b
b
b
b
b
b
br
v
r
r
v
br
r
br
y
y
r
v
or
v
v
v
br
v
r
r
br
v
r
r
v
br
gr
v
r
r
r
r
b
v
b
r
b
r
bk
v
r
v
r
g/y
b
b
w
y
r
A1
C
B1
B2
B4
D2
G
D1
D3
D4
F1
I
F2
H
A3
A2
A4
B3
J
L
I
I
K
Key
The connections shown in the circuit diagram are for single-phase. The ratings are for 230 V 50 Hz.
Classic
Code Colour
b Blue
br Brown
bk Black
or Orange
r Red
v Violet
w White
y Yellow
g/y Green/yellow
gr Grey
Code Description
A1 Grill Front Switch
A2 Grill Energy Regulator
A3 Grill Elements -LH
A4 Grill Elements - RH
B1 Left-Hand Oven Thermostat
B2 Left Hand Oven Front Switch
B3 Left Hand Oven Fan Element
B4 Left Hand Oven Fan
C Clock / Timer
Code Description
D1 Right - Hand Oven Thermostat
D2 Right - Hand Oven Front Switch
D3 Right- Hand Oven Element
D4 Right - Hand Oven Fan
F1 Left - Hand Oven Thermal Preset
F2 Right - Hand Oven Thermal Preset
G Left Hand Oven Light
H Cooling Fan
I Indicator Neon
J Ignition Switch
K Oven Light Switch
L Spark Generator

Related product manuals