EasyManua.ls Logo

Rayburn 680KCD - Fault Finding and Diagnostics

Rayburn 680KCD
36 pages
Print Icon
To Next Page IconTo Next Page
To Next Page IconTo Next Page
To Previous Page IconTo Previous Page
To Previous Page IconTo Previous Page
Loading...
22
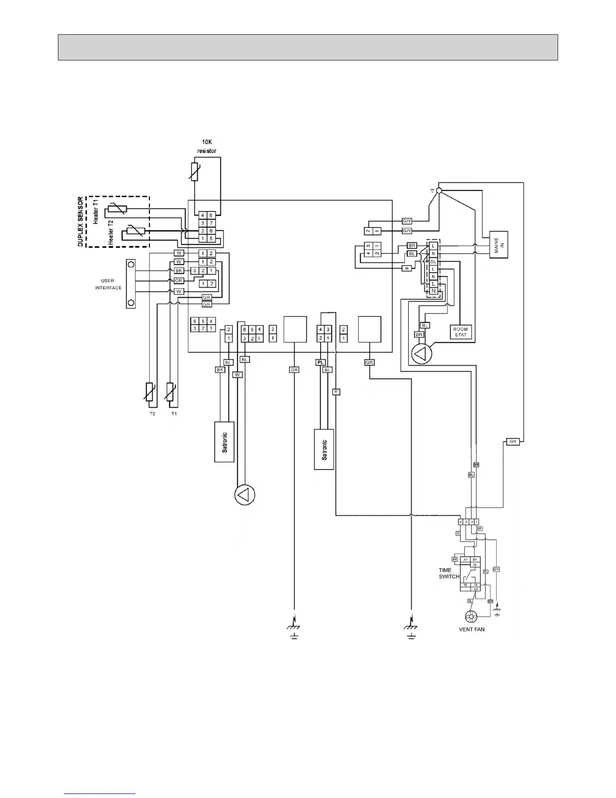
Fault Finding
Fig. 34
Rayburn 680/780K CD Wiring 111MB
for independent Satronic boxes
KEY - APPLIANCE
G/Y - GREEN/YELLOW
BL - BLUE
OR - ORANGE
BR - BROWN
W - WHITE
R - RED
BK - BLACK
PL - PURPLE
GR - GREY
Y - YELLOW

Other manuals for Rayburn 680KCD

Related product manuals