EasyManua.ls Logo

Raypak XFyre 400A - Domestic Hot Water

Raypak XFyre 400A
60 pages
Print Icon
To Next Page IconTo Next Page
To Next Page IconTo Next Page
To Previous Page IconTo Previous Page
To Previous Page IconTo Previous Page
Loading...
Domestic Hot Water
4@=F<=KA?FAF?L@=O9L=JHAHAF?KQKL=E>GJ<GE=KLA;
@GLO9L=J9HHDA;9LAGFKO9L=J@9J<F=KKK@GMD<:=;GF
KA<=J=<19:D=%AF<A;9L=KL@=KM??=KL=<>DGOJ9L=K>GJ
KG>L9F<E=<AMEO9L=J%9J<O9L=JEMKL:=KG>L=F=<
>GJ <AJ=;L @=9LAF? OAL@ L@= 5#QJ= 49L=J @9J<F=KK AK
=PHJ=KK=<AF?J9AFKH=J?9DDGF
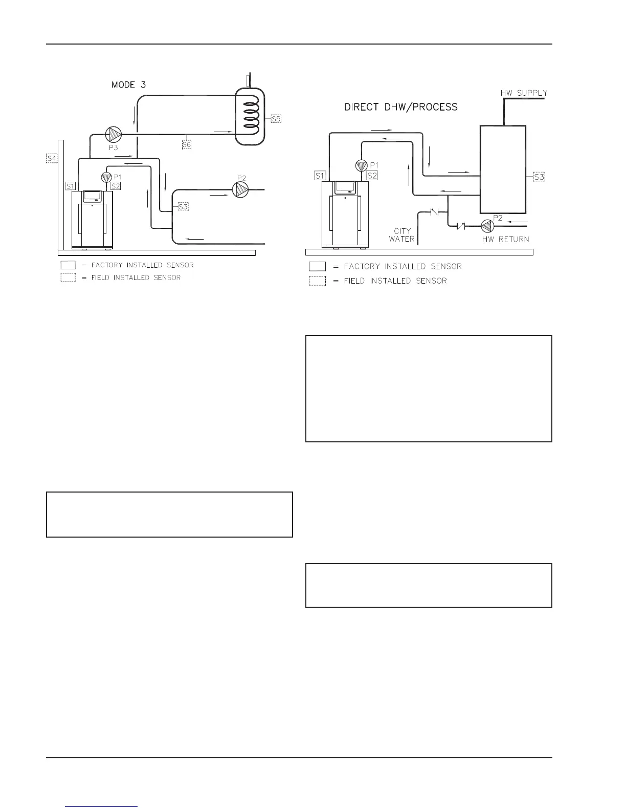
Fig. 9: MODE 3 - Single Boiler with Indirect
on Boiler Loop
NOTE: &>DG;9D;G<=KJ=IMAJ=9N9;MMEJ=DA=>N9DN=
9;IMAJ= GF= DG;9DDQ 9F< AFKL9DD H=J N9DN=
E9FM>9;LMJ=J]KAFKLJM;LAGFK
Fig. 10: WH Units - Single Water Heater with Tank
H Units - Single Boiler with Process Tank

<=L=JEAF=< :Q L@= O9L=J L=EH=J9LMJ= 9L L@= &F<AJ=;L
0MHHDQK=FKGJ09F<L@=19J?=L*9PK=LLAF?O@=F
MKAF?L@=&F<AJ=;L!%4K=FKGJ01@=GAD=J-MEH
- JMFK <MJAF? 9DD @=9L ;9DDK J=?9J<D=KK G> HJAGJALQ
1@=&F<AJ=;L!%4-MEH-JMFK<MJAF?9FAF<AJ=;L
;9DD>GJ@=9LOAL@FG[G>>\<=D9Q1@=GAD=J-MEH-
9F<0QKL=E-MEH-<=D9Q[G>>\9KMK=J<=>AF=<AF
L@= ADJUST E=FM 1@= KQKL=E HMEH - JMFK
O@=F=N=J L@= KQKL=E AK =F9:D=< >GJ @=9LAF? 9F< L@=
GML<GGJ9AJL=EH=J9LMJ=AKDGO=JL@9FL@=440!L=E
H=J9LMJ=K=LLAF? A>MLADAR=<MFD=KK 9FAF<AJ=;L ;9DD>GJ
@=9LAKHJ=K=FL
WH Direct DHW Configuration
4@=FL@=MFALAKGJ<=J=<9K9[4%\;GF>A?MJ9LAGFL@=
GFDQ9HHDA;9LAGF9N9AD9:D=LGALAK<AJ=;L!%4OAL@KAF
?D=GJEMDLAHD=@=9L=JK*9PAEME@=9L=JK1@=L9FC
L=EH=J9LMJ=AK;GFLJGDD=<:QL@=0QKL=EK=FKGJ0
1@= GAD=J -MEH - JMFK <MJAF? 9FQ ;9DD >GJ @=9L
1@=0QKL=E-MEH-GMLHMLAK9;LAN=O@=F=N=JL@=
KQKL=E AK =F9:D=< 1@= GAD=J -MEH AK <=D9Q=< [G>>\
9>L=JL@=19FC19J?=LL=EH=J9LMJ=AK9;@A=N=<9F<9K
MK=J<=>AF=<AFL@=ADJUST E=FM
NOTE: 19FCIM9KL9L;9F:=MK=<AFDA=MG>L@=
&F<AJ=;L!%40=FKGJ00==L@=3=JK9& E9FM
9D>GJ9<<ALAGF9D<=L9ADK
NOTE: 4% MFALK OADD GH=J9L= LG 9 E9PAEME L9FC
L=EH=J9LMJ= G> # #GJ L=EH=J9LMJ=K J=IMAJ=<
9:GN=#9F[%\EG<=D:GAD=JEMKL:=MK=<9F<
?J=9L;9J=EMKL:=?AN=FLG=FKMJAF?O9L=J@9J<F=KK
AKD=KKL@9F?J9AFKH=J?9DDGFLG=FKMJ=K;9D=>J==
GH=J9LAGF*,!"K@GMD<:=MK=<9F<;GF>A?MJ=<
>GJ K=LHGAFL GH=J9LAGF >GJ HJG;=KK @=9LAF? 9HHDA;9
LAGFK

Related product manuals