EasyManua.ls Logo

RCF EVOX JMIX8 - Page 43

RCF EVOX JMIX8
44 pages
Print Icon
To Next Page IconTo Next Page
To Next Page IconTo Next Page
To Previous Page IconTo Previous Page
To Previous Page IconTo Previous Page
Loading...
43
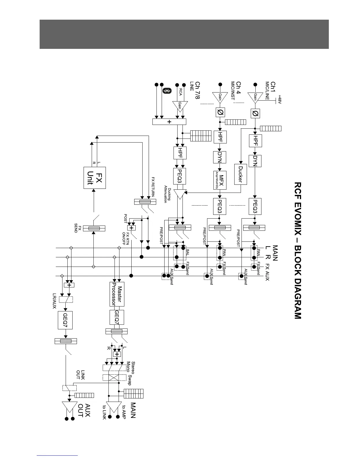
EVOX JMIX8 BLOCK DIAGRAM

Other manuals for RCF EVOX JMIX8

Related product manuals