EasyManua.ls Logo

RCm SLALOM - Page 88

RCm SLALOM
Print Icon
To Next Page IconTo Next Page
To Next Page IconTo Next Page
To Previous Page IconTo Previous Page
To Previous Page IconTo Previous Page
Loading...
88
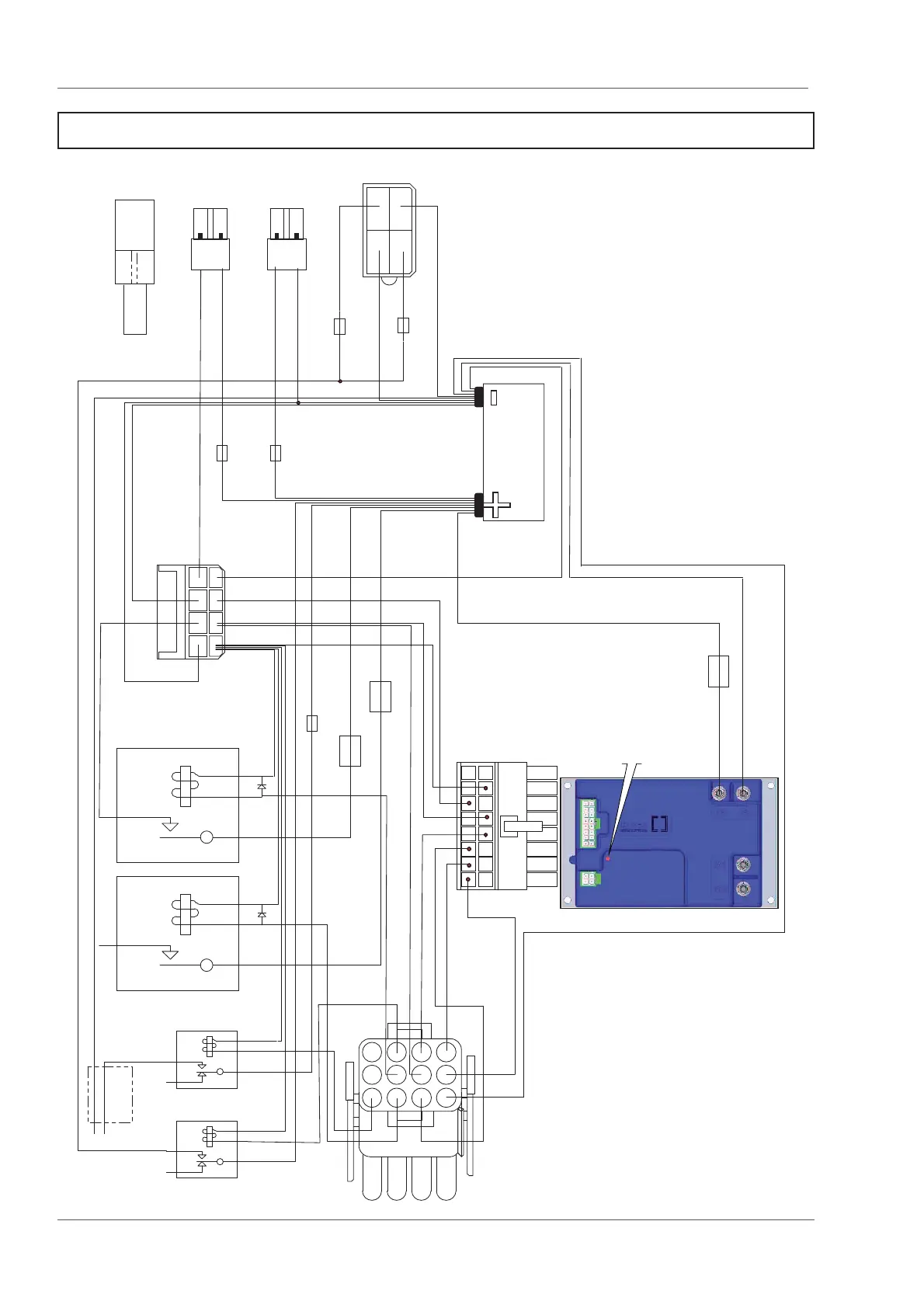
FIG.15B (1/2)
(DA MATR.| FROM SERIAL NR.| DESDE LA MATR.| À AU PARTIR DU N.SÈRIE | VON SERIEN-NR.| GELDIG VAN SERIENUMMER: 178659)
+
-
F1
24Vdc
J2
2
1
MTA 2P F
2CFFV400
F4
F5
J8
J4
(2CFFV200)
F8
1
2
MTA 2P F
(2CFFV200)
F3
J3
1
2
MTA 2P M
(2CFMV200)
J1
CONN. MTA 8P F. 44.10280
(2CFFV800)
J5
876
4
321
F2
F6
K1 K2
F7
R1 R2
Guaina
L=650
J6
MATE-N-LOK 12V/M
(2CA00215)
123
456
789
10 11 12
12345678
9 101112 13141516
1
2
5
B
S1

Table of Contents

Related product manuals